Необычная гирлянда на елку
- Войдите на сайт для отправки комментариев
Всем привет, у меня есть задумка, но естественно моих знаний для реализации не достаточно. У меня остались светодиоды от проекта с кубом 8х8х8 (около 470шт), сдвиговые регистры 74hc595n, транзисторы MJE13009-2 Электрическую схему можно использовать как у самого куба, получится 4 панели 8х8, или можно в одну матрицу собрать 16х16. Вся схема расположения гирлянды с учетом моей елки должна выглядеть так:

По сути сетка конусом 16х16. Нужна помощь непосредственно с кодом, да и проект несложный, много кто сможет повторить. Т.к. получается адресная система управления светодиодами, то и эффектов можно сделать много интересных, даже бегущая строка получится... У кого какие идеи будут, предложения?
У кого какие идеи будут, предложения?
Использовать ленту ws2812 - проще делать и эффектов больше получить можно.
Согласен, просто на WS денег нету, до нового года месяц, а лишние светодиоды и все остальное есть
все остальное есть
И большая бухта провода тоже, чтобы до каждого (!) светодиода довести управляющий сигнал?
метров 150-200 примерно МГТФ есть, хватит и не на такую гирлянду
Сколько регистров? И схема со статической или динамической индикацией.
А размеры этого всего какие? Велика ли ёлка? Что-то мне кажется, что это такая нехилая сеть будет, которую чёрт знает как на ель напяливать, чтобы не порвать всё. Да и за презентабельный внешний вид получившегося не уверен. Это оно на картинке красивым конусом таким...
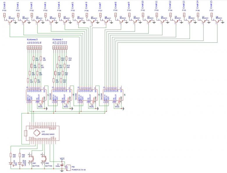
Получается 2 регистра по 8 каналов 16 рядов на 16 столбцов, динамическая
По такой схеме
Высота 1.6 метра, диаметр основания 1.2 метра, спаяно будет ввиде сетки конусом
Такой сеткой хоть што обмотай... Ёлка даже не нужна.
Такой сеткой хоть што обмотай... Ёлка даже не нужна.
Можно и ровную сетку спаять, на окно повесить на пример
Выводов еще много осталось на МК. Я бы регистр с транзисторами вынес на отдельные. Проще шифтаутить, как мне кажется. А почему с защелками не берете ригистры?
Какие есть в наличии, остались после проекта куб 8х8х8 по вышеуказаной схеме
А светодиоды-то все одного цвета, да?
Да, одного, синие
А что мешает тогда взять прогу от куба, или её части за основу?
Мешает остутствие необходимых навыков в кодинге ((
А вы думаете, что они после обсуждения появятся? Или кого-то заинтересует ваша идея и он тоже кинется паять сеть, да код отлаживать?
Я не флейма ради, проосто интересно, как вы предполагаете развитие событий.
А вы думаете, что они после обсуждения появятся? Или кого-то заинтересует ваша идея и он тоже кинется паять сеть, да код отлаживать?
Да, надеюсь что кого-то этот прект заинтересует и он сделает/модифицирует прошивку.
Схему перерисовал:
Нарисуйте схему в протеусе и попробуйте вывести что-нидудь в регистры. 595 хорошо описаны и в сети масса примеров с ними.