DS 18B20, удлинил кабель

Borland
Offline
Зарегистрирован: 17.05.2012

3 датчика на GSM сигнализации, один в корпусе, второй возле коробки на предмет регулировки температуры в помещении, третий для отладки тоже подключил чтобы не один , не два а много, плюс планировал его на улицу

решил удлиннить, нашел 10 метров кабеля PWM 2464 , вроде хороший, подключил датчик не поределяется ни один, даже корпусной. Выкидываю кабель - работает, с кабелем 10 метров не работает.

Звоню с кабелем землю, плюс, данные  все звонится.

Что делать? укорачивать кабель?

 

 

Borland
Offline
Зарегистрирован: 17.05.2012

UPD подключение трехпроводное, подтягивающий резистор  4.7 ком

в эпроме есть зашитые адреса датчиков, если не пользоваться getdevicecount а сразу опрашивать по известным адресам, то все работает кроме удлинненного кабелем датчика, точнее он работает , но выдает процентов 30 ошибок.

как можно улучшить линию этого датчика ?

zhuki
Offline
Зарегистрирован: 12.10.2011

У меня по дому 17 датчиков DS1820  и один DS2450 . Всё проведено как было удобно т.е. огромный паук . Кабель от лан сети,всего метров 30 , из пяти проводов задействованно 3 (общий ,+5В, data). На выходе одно сопротивление 3 ком. Напряжение питания на выходе +5,05В ,на дальней точке 4,8В. Питание от внешнего источника 5.05В. Сбои по замерам есть ,но не 30%.  От силы 0.1%.  Решил проблему сбоев программным способом,просто сравниваю с предыдущим. При большом различии не принимаю в расчёт.

Andrey_Y_Ostanovsky
Offline
Зарегистрирован: 03.12.2012

Borland пишет:

Звоню с кабелем землю, плюс, данные  все звонится.

Что делать? укорачивать кабель?

Изучать сопротивление линии, или питающее напряжение... Обычно все глюки на длинных линиях из-за того, что и так маленькое напряжение, из-за расстояния подает до нуля. Для снижения сопротивления можно сдвоить провода, если есть свободные жилы...

Borland
Offline
Зарегистрирован: 17.05.2012

zhuki пишет:

 На выходе одно сопротивление 3 ком. Напряжение питания на выходе +5,05В ,на дальней точке 4,8В. Питание от внешнего источника 5.05В. Сбои по замерам есть ,но не 30%.  От силы 0.1%. 

На выходе сопротивление - это подтягивающее, как на всех картинках подключения датчика ?

trembo
trembo аватар
Offline
Зарегистрирован: 08.04.2011

Поставьте  1 килоОм привязки и вы забудете обо всех проблеммах...

Ну и на 100-200 метрах - витая пара,

питание Далласа скручено с землёй в одной паре и дата тоже с землёй, но в другой паре.

 

AlexFisher
AlexFisher аватар
Offline
Зарегистрирован: 20.12.2011

Как првило, у кабеля для нашего случая не столько важно сопротивление, сколько емкость. Луче всего использовать витую пару, как советует trembo (можно взять 4-ю категорию, там как раз 2 пары), можно взять телефонный кабель 4-х проводный.

trembo
trembo аватар
Offline
Зарегистрирован: 08.04.2011

zhuki пишет:

У меня по дому 17 датчиков DS1820  и один DS2450 . Всё проведено как было удобно т.е. огромный паук . Кабель от лан сети,всего метров 30 , из пяти проводов задействованно 3 (общий ,+5В, data). На выходе одно сопротивление 3 ком. Напряжение питания на выходе +5,05В ,на дальней точке 4,8В. Питание от внешнего источника 5.05В. Сбои по замерам есть ,но не 30%.  От силы 0.1%.  Решил проблему сбоев программным способом,просто сравниваю с предыдущим. При большом различии не принимаю в расчёт.

Аналогичный паук, правда на восьми входах. (на МЕГА1280)

Пара линий (метров по 50-60) витая пара с АЛЮМИНИЕВЫМИ жилами- электрики где-то откопали такой кабель.... И проложили как попало...

На некоторых линиях на конце звезда из нескольких датчиков метров по 20.

Некоторые входы сразу звездой расходятся.

Питание каждой линии на  78L05 от  блока питания Ардуины 9 Вольт/1 Ампер.

Больше нельзя, Ethernet много потребляет и перегревается стабилизатор.

CRC почти не видел, опрос датчиков идет из многих мест любым броузером.

На каждый запрос делается опрос  всех датчиков

 

Borland
Offline
Зарегистрирован: 17.05.2012

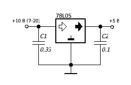
78L05 - стабилизатор на 5 вольт ? тоесть правильно я понимаю что брать пятивольтовое питание от самого Ардуины неправильно?

Andrey_Y_Ostanovsky
Offline
Зарегистрирован: 03.12.2012

Borland пишет:

78L05 - стабилизатор на 5 вольт ? тоесть правильно я понимаю что брать пятивольтовое питание от самого Ардуины неправильно?

Оно там во-первых не обязано быть пятивольтовым (вот у меня сейчас по факту - 4.5 вольта), во вторых, при описанных выше длинах проводов, действительно лучше свой стабилизатор на питание линии. Для двухметровых линий - можно и от ардуины запитать...

usr-bin
Offline
Зарегистрирован: 04.09.2012

У меня такая же проблема.

Удлиннил провод до датчиков ds18b20 и температура перестала мерятся.

 

Кабель 5 метров, вот такой:

общую оплетку завел на минус, красный с желтым +5, зеленый с коричневым - сигнал.

Через 1,5 метра от контроллера провод планирую разделить и пустить к двум датчикам.

 

Напряжение довел до 5,00-5,01 на концах проводов (у датчиков), но оно все равно не меряется.

Предполагаю что дело в ёмкости. Вечером попробую на витой паре.

 

Andrey_Y_Ostanovsky
Offline
Зарегистрирован: 03.12.2012

usr-bin пишет:

Напряжение довел до 5,00-5,01 на концах проводов (у датчиков), но оно все равно не меряется.

Предполагаю что дело в ёмкости. Вечером попробую на витой паре.

Или надо время опроса увеличивать (погуглите на тему "1-wire тайминги").

trembo
trembo аватар
Offline
Зарегистрирован: 08.04.2011

Andrey_Y_Ostanovsky пишет:

usr-bin пишет:

Напряжение довел до 5,00-5,01 на концах проводов (у датчиков), но оно все равно не меряется.

Предполагаю что дело в ёмкости. Вечером попробую на витой паре.

Или надо время опроса увеличивать (погуглите на тему "1-wire тайминги").

Да, дело именно в ёмкости кабеля. А тонкий коаксиал имеет немалую ёмкость.

А вот заряд её с GND на +5V идёт через подтягивающий резистор.

Поэтому ставьте его поменьше, я уже писал об этом.

Мне хватало 1к5 , поставил 1к0 для страховки.

И по обычному сигнализационному кабелю - 4-х жилке всё прекрасно работает.

Можно и меньше, но зачем...

Главное сигнал-земля-питание должны идти из одного места(Ардуины)

и не образовывать широких  контуров в пространстве

trembo
trembo аватар
Offline
Зарегистрирован: 08.04.2011

Borland пишет:

78L05 - стабилизатор на 5 вольт ? тоесть правильно я понимаю что брать пятивольтовое питание от самого Ардуины неправильно?

Лучше (на длинных линиях) 78L05 запитать от 9 Вольт ( V in ), и ,понятно, с кондером 100.0- 470.0 не выходе.

Если случайное короткое- это не будет короткое по питанию процессора !!!

zhuki
Offline
Зарегистрирован: 12.10.2011

Я очень давно с этими датчиками ковыряюсь,но ни разу с проблемой кабеля не сталкивался.Скорее перепутано что то. И потом ,что значит не меряется. Не отвечает или его не видит А. Не правильно считывается или еще что то?

usr-bin
Offline
Зарегистрирован: 04.09.2012

не меряется - значит температура не соответствует реальной. В комнате, где датчик +17..23, а прибор показывает что температура равна нулю.

При включении через витую пару - все в порядке. Меряется температура даже на 12 метрах :)

Borland
Offline
Зарегистрирован: 17.05.2012

trembo пишет:

 

Лучше (на длинных линиях) 78L05 запитать от 9 Вольт ( V in ), и ,понятно, с кондером 100.0- 470.0 не выходе.

Если случайное короткое- это не будет короткое по питанию процессора !!!

Trembo, прошу прощенья за назойливость не ткнёте ссылку схемки, сам могу наворотить чуши

trembo
trembo аватар
Offline
Зарегистрирован: 08.04.2011

Borland пишет:

Trembo, прошу прощенья за назойливость не ткнёте ссылку схемки, сам могу наворотить чуши

http://t2.gstatic.com/images?q=tbn:ANd9GcSXtUXHLkUP3f_zCfPaWUTz3-mJKlQVG...

spa-sam
Offline
Зарегистрирован: 14.12.2012

Тоже не разу не сталкивался с такой проблемой. Датчик ставил на телефонный провод 40 метров и проблем не было.

AlexFisher
AlexFisher аватар
Offline
Зарегистрирован: 20.12.2011

А телефонная "лапша" - это самое тоо для таких датчиков. Емкость маленькая, помехи неплохо компенсируются параллельностью проводников... У меня 485 интерфейс до 8 км по телефонке тянул, но только на 9600. Только в грозу "вешался" :)

Engineer
Offline
Зарегистрирован: 29.10.2012

Прошу прощения за ссылку на сторонний ресурс, как раз по теме сеть 1-Wire в полевых условиях

http://mk90.blogspot.com/2011/04/1-wire.html

мне помогло на контроле температуры в теплице

Andrey_Y_Ostanovsky
Offline
Зарегистрирован: 03.12.2012

Engineer пишет:

мне помогло на контроле температуры в теплице

Что из перечисленного в статье Вам помогло? Потому, что, например, BAV199 на ибее сейчас не продается, фраза порадовала:



из-за значительного падения напряжения на длинных и весьма тонких проводах кабеля Cat.5e датчику сети 1-Wire банально не хватает напряжения питания!

при том, что четвертая пара (еще два провода) - совсем не используется, а могла бы подавать 5 вольт по еще двум " весьма тонким проводам".

Engineer
Offline
Зарегистрирован: 29.10.2012

поставил сборку диодов шотки, не помню маркировку и кондер вроде все. там фербиды были с ними не заморачивался, использовал витую пару кажись как нарисовано.