EEPROM
- Войдите на сайт для отправки комментариев
Ср, 06/03/2013 - 13:55
Подскажите пожалуйста такой момент. Есть скетч(не мой), и там реализован сброс перемменой в еерrom, при падении напряжения на А0 ниже 3В. Нужна помощь в реализации этой функции аппаратно с помощью конденсатора.
Что хотите сделать?
Сохранение данных при отключении питания дуины?
Тогда вопрос - какого питания и куда оно подключается к дуине?
Не до конца обрисовал ситуацию.
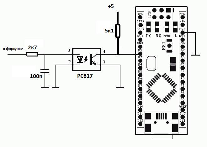
Нужно дать ардуине время для зброса данных в память. Автор скетча использовал конденсатор на 1000 мф. Мне нужна схема подключения.
ардуина будет подключена в авто. На А0 через делитель будет подано 5в от питания ардуины. Куда и как нужно подключить конденсатор? Vin ?
Автор скетча использовал конденсатор на 1000 мф. Мне нужна схема подключения.
ардуина будет подключена в авто. На А0 через делитель будет подано 5в от питания ардуины. Куда и как нужно подключить конденсатор? Vin ?
http://inet-deal.mpa.ru/forum/index.php?t=111&p=156#pp156#pp156 - там только ключевые моменты, дальше лучше по ссылке на radiokot сходить и почитать все обсуждение. У меня - пока не реализовано.
Да, между VIN и GND, примерно так:

Да, между VIN и GND, примерно так:

До конденсатора диод ставить ? Или не обязательно ?
Тогда и делитель до диода должен стоять, я бы сделал именно так

и тогда можно и не к аналоговому входу подключаться а к цифровому.
Большое спасибо за быстрый ответ. А какой диод использовать лучше в данной ситуации(1N5819)? (извините за элементарные вопросы, я далекий от темы электроники) Цифровые входы уже все заняты дисплеем и датчиками(собираю расходомер в авто) Конденсатор использовать электролитический ? или разницы нет ?
Если под рукой есть 1N5819 , ставь его. Емкость электролит, напряжением не ниже 25В(а еще лучше 50).
Я бы еще весь обвес Ардуинки запитал отдельно. Тогда емкость будет не так быстро разряжаться.
Спасибо за оперативный ответ. Купил на 10 000 мкф(с запасом), правда он оказался больше чем моя схема ))Купил также для своей схемы резисторы мощностью 0.25ват и конденсаторы керамика. Не сгорят резисторы ? И керамика здесь уместна ? напряжение на форсунке 12-14в.
на схеме не 100n a 10n
резисторы мощностью 0.25ват
Мощность P=U*I, по закону ома. I=U/R, из этого вытекает P=U^2/R В цепи 5 Вольт, выход оптопары считаем короткозамкнутым, отсюда P=5В*5В/5100оМ, P=0,005Ватт что гораздо меньше купленных вами 0,25. Значит не сгорят. Так же прикидываем и в цепи форсунки. P=0.072Ватт.