И снова о светодиодах

mustD1e
Offline
Зарегистрирован: 08.01.2015
Здравствуйте!
 
Задался целью собрать большой 7-сегментный дисплей(с обычной матрицей уже наигрался), но сразу же столкнулся с элементарными проблемами... Я новичок в этом, больше силен в программирование - прошу не ругаться и не посылать далеко.
 
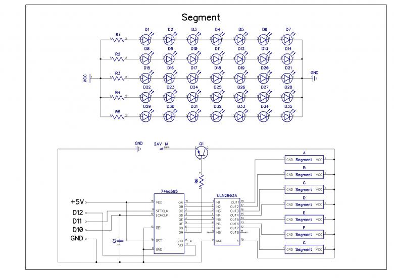
Собственно сама проблема на начальном этапе вот в чем: имеются светодиоды (5мм, 3.2В, 20мА), источник питания на 24В. Светодиоды соединяем последовательно-параллельно, 5 цепочек по 7шт каждая через резистор на 82Ом и таким образом получаем один сегмент дисплея. И если я все правильно понимаю, то для того, чтобы запитать 1 символ потребуется: 3.2 * 7 = 22,4В(у нас 24В) и 20 * 5 = 100мА, в дисплее 4 символа: 100 * 4 = 400мА, значит всем этим делом можно будет управлять через ULN2004 в связке с 74hc595(например) я прав?
jeka_tm
jeka_tm аватар
Offline
Зарегистрирован: 19.05.2013

может да. а может и нет. уже на пределе будет  ULN2004

полевики поставь

почему 3,2? у тебя белые светодиоды?

mustD1e
Offline
Зарегистрирован: 08.01.2015

jeka_tm пишет:

почему 3,2? у тебя белые светодиоды?

Тут больше интересен вопрос силы, а не напряжения...

 

Проснулся с явной мыслью того, что я в чем то ошибся... Так оно и есть... Счетовод я...
Для того, чтобы запитать 1 СЕГМЕНТ потребуется: 3.2 * 7 = 22,4В(у нас 24В) и 20 * 5 = 100мА, в символе 7 СЕГМЕНТОВ: 100 * 7 = 700мА...
А для дисплея тогда нужно 700 * 4 = 2,8А => комфортно не получится управлять через ULN2004...
Вопрос, а чем тогда управлять? ULN2004 может протянуть 500мА, MAX7219 50мА (кажется, надо datasheet смотреть)
kisoft
kisoft аватар
Offline
Зарегистрирован: 13.11.2012

Про полевики уже сказали

 

jeka_tm
jeka_tm аватар
Offline
Зарегистрирован: 19.05.2013

24В 100ма многие полевики и болярники легко потянут. это один сегмент

7 сегментов 700ма. тоже ничего страшного. линь бы блок питания тянул. у каждого сегмента же свой транзистор

а включать сразу все цифры необязательно. про динамическую индикацию почитай

mustD1e
Offline
Зарегистрирован: 08.01.2015

ну в каждом сегменте получается 5 резисторов, на каждый сегмент по транзистору, тогда можно этим управлять через тот-же MAX7219 как обычным маленьким дисплеем ?

jeka_tm
jeka_tm аватар
Offline
Зарегистрирован: 19.05.2013

с макс будет другая схема немного. посмотри как она работает

плюс макс стабилизирует ток, с этим еще нужно будет подумать

mustD1e
Offline
Зарегистрирован: 08.01.2015

Я собирал на ней матрицу с общим анодом, там все было достаточно просто.

Ну я думаю понятно что схема выше это 1 сегмент

Или я может уже с самого начала заблуждаюсь в чем-то =(

jeka_tm
jeka_tm аватар
Offline
Зарегистрирован: 19.05.2013

но матрица в которой наверно 1 светодиод в сегменте. а тут не 1

mustD1e
Offline
Зарегистрирован: 08.01.2015

но по сути 1 сенмент выступает в роли 1 большого светодиода

jeka_tm
jeka_tm аватар
Offline
Зарегистрирован: 19.05.2013

как скажешь. попробуй сам поймешь

mustD1e
Offline
Зарегистрирован: 08.01.2015

ну вот, начинается... Я просто сказал как думаю по данной проблеме, сразу предупредил что я новичек в этом, не против критики и пришел за помощью к гуру.

jeka_tm
jeka_tm аватар
Offline
Зарегистрирован: 19.05.2013

так я тебе же говорю, но ты не согласен. хорошо я не спорю. попробуй. а вдруг я неправильно думаю

mustD1e
Offline
Зарегистрирован: 08.01.2015

хорошо, как бы вы решили сложившуюся проблему? куда мне стоит копать?

jeka_tm
jeka_tm аватар
Offline
Зарегистрирован: 19.05.2013

для начала тебе нужно понять как работает max7219. пока не поймешь дело будет долго идти

mustD1e
Offline
Зарегистрирован: 08.01.2015

jeka_tm пишет:

для начала тебе нужно понять как работает max7219. пока не поймешь дело будет долго идти

как я понимаю он работает по ринципу сдвигового регистра

jeka_tm
jeka_tm аватар
Offline
Зарегистрирован: 19.05.2013

почитай про динамическую индикацию. чтобы понял как ток течет при этом

mustD1e
Offline
Зарегистрирован: 08.01.2015

прочитал, это кажется понятным... работает по принципу все аноды сегментов одного символа связываем в общий и кидаем на один из выход мк(так же и со следующим и т.д.), а катоды паралельно соединяем и кидаем каждый на свой выход мк, последовательно передаем сначало одному индекатору символ(он загорается), затем второму и так далее(все остальные символы гаснут)...

я правильно понимаю?

mustD1e
Offline
Зарегистрирован: 08.01.2015

А если вот так ? (не ругайтесь, первый раз рисовал что-то подобное)

jeka_tm
jeka_tm аватар
Offline
Зарегистрирован: 19.05.2013

что вроде. только вопрос тока. сколько понятнет улн. ну и биполярник бы заменить на полевик

Andrey_Y_Ostanovsky
Offline
Зарегистрирован: 03.12.2012

jeka_tm пишет:

ну и биполярник бы заменить на полевик

Биполярник лучше бы заменить на драйвер для светодиодов, чтобы ток был постоянный.

jeka_tm
jeka_tm аватар
Offline
Зарегистрирован: 19.05.2013

а еще лучше купи готовое)))

axill
Offline
Зарегистрирован: 05.09.2011

стабильный ток обеспечен наличием стабильного напряжения питания (24в стабилизирован?) и наличием токозадающего резистора в цепи каждого сегмента. Для токов 20мА резистор отлично играет роль драйвера. Можно конечно вместо резистора поставить NSI45020AT1G, но это чисто для красоты)

Зачем менять биполярник? ток малый. Падение на биполярнике ни на что не влияет если правильно расчитан резистор. Просто часть напряжения будет падать на биполярнике, часть на резисторе. Для конструкции в целом фиолетово. А с NSI45020AT1G фиолетово в квадрате

axill
Offline
Зарегистрирован: 05.09.2011

хм прочел что ток на цифру должен быть 1А. ну тогда да, полевик будет меньше греться. Но если биполярник есть можно и его

jeka_tm
jeka_tm аватар
Offline
Зарегистрирован: 19.05.2013

NSI45020AT1G прикольная штука

 

mustD1e
Offline
Зарегистрирован: 08.01.2015

В качестве источника питания планируется импульсный блок от наших китайских собратьев, 24в 1-10А

axill
Offline
Зарегистрирован: 05.09.2011

кстати микросхемы ULN это тоже биполярники, только дарлингтоны - составные транзисторы у которых снижено падение напряжения на переходе эмитер-колектор за счет высокго насыщения переходов. 700мА на одну микросхему это не проблема

есть и отдельные биполярники-дарлингтоны и PNP в том числе в качестве Q1, но они менее распространены

mustD1e
Offline
Зарегистрирован: 08.01.2015

На 1 канал uln можно вывести до 500мА, но ведь можно запралелить по 2 выхода... ?

axill
Offline
Зарегистрирован: 05.09.2011

mustD1e пишет:

На 1 канал uln можно вывести до 500мА, но ведь можно запралелить по 2 выхода... ?

можно хоть все 7 (uln2003) соединить вместе, но есть еще ограничение на корпус - 2500-3000мА (в зависимости от производитлея)

но я имел в виду 700мА на корпус не проблеиа. У вас же в один момент времени общее потребление не более 100мА на сегмент и 700мА если включены все сегменты, а дальше динамическая индикация, разве нет?

ну даже если не динамическая, то будет просто по одной ULN на одну цифру

mustD1e
Offline
Зарегистрирован: 08.01.2015

Да, именно так, и еще вопрос немного не по теме, можно ли с вами вне форума пообщаться об этом?

mustD1e
Offline
Зарегистрирован: 08.01.2015

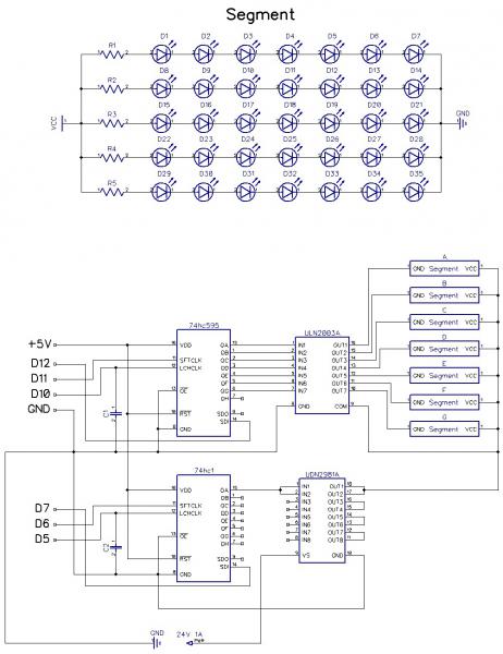
пришел к выводу что биполярник можно заменить на UDN2982, вечером перерисую схему

mustD1e
Offline
Зарегистрирован: 08.01.2015

ну вроде как-то так...