Подключение множества светодиодов к Nano

Storyteller
Offline
Зарегистрирован: 09.10.2022

Всем добрый вечер!

Являюсь профаном в области ардуино, пару раз программировал в команде, в самом железе практически не разбираюсь. И все же желание сделать кое-что своими руками привело меня сюда на форум.

Возникла идея сделать для второй половинки диораму, в которой есть несколько зданий с внутренним освещением. Смотрел множество видео про подключение светодиодов, но везде все основано на той белой платформе (не вспомню, как называется), диоды в одном месте. Как подключить один или до 6 штук на белой платформе я понял. В моём же случае должна быть возможность разместить диоды на некотором расстоянии друг от друга с помощью проводов. Есть так сказать оригинал видео, на котором одна ардуино нано, и к ней подключено совсем немного проводов, а по итогу в диораме как минимум 6-7 светодиодов, ещё и работает от павербанка/розетки. Ссылку прикрепляю. https://youtu.be/n4ZpkuMC29w

Итоговый вопрос: какие компоненты нужны и как сделать так, чтобы занимая максимально мало места, использовать в диораме множество светодиодов, работающих по разным алгоритмам, при этом все это дело питалось от розетки?

P.S. скорее всего для кого-то это плевое дело, но, думаю, форумы в том числе для таких подсказок и нужны.

rkit
Offline
Зарегистрирован: 23.11.2016

Адресные диоды.

Storyteller
Offline
Зарегистрирован: 09.10.2022

Насколько я понял за время изучения, адресные диоды - это история про ленты, матрицы и тд. В диораме такое не подойдёт, диоды нужны абсолютно независимые, как на видео.

rkit
Offline
Зарегистрирован: 23.11.2016

Если не хочешь слушать советов, а будешь со своим "насколько я понял" считать себя самым умным, то и не спрашивай.

v258
v258 аватар
Offline
Зарегистрирован: 25.05.2020

https://aliexpress.ru/item/32378187271.html - вот тебе "независимые" адресные светодиоды - дели поштучно, спаивай проводами и делай что хочешь

andriano
andriano аватар
Offline
Зарегистрирован: 20.06.2015

Storyteller, у Вас есть два основных варианта:

1. Прочитать от корки до корки до корки сначала учебник физики за 8 класс, а потом еще две книжки: Титце Шенк Полупроводниковая схемотехника и Хоровиц Хилл Искусство схемотехники, после чего вернуться к задаче и самостоятельно ответить на собственные вопросы (форум не может заменить учебник).

2. Обратиться в раздел "Ищу исполнителя", где Вам за совсем скромное вознаграждение нарисуют схему, а если нужно, то и напишут скетч.

ua6em
ua6em аватар
Offline
Зарегистрирован: 17.08.2016

andriano пишет:

 где Вам за совсем скромное вознаграждение нарисуют схему, а если нужно, то и напишут скетч.

ну это как получится...к примеру, чтобы добавить к сканеру вифи еще один дисплей у меня ушёл вчера целый день, а если бы делал за вознаграждение уж точно меньше моей дневной ставки не согласился, это надо чтобы хобби исполнителя совпало с желанием ТС )))

andriano
andriano аватар
Offline
Зарегистрирован: 20.06.2015

ua6em пишет:

ну это как получится...к примеру, чтобы добавить к сканеру вифи еще один дисплей у меня ушёл вчера целый день, а если бы делал за вознаграждение уж точно меньше моей дневной ставки не согласился, это надо чтобы хобби исполнителя совпало с желанием ТС )))

А что "дневная ставка" это разве не "скромное вознаграждение"?

Я даже не говорю о том, что "добавить к сканеру дисплей" и "нарисовать схему включения нескольких светодиодов" - это далеко не равнозначные задачи.

 

PS. Возможно, ТС пригодится (хотя я, честно говоря, сомневаюсь):

Storyteller
Offline
Зарегистрирован: 09.10.2022

rkit, от вашего комментария так душно стало, аж окно захотелось открыть. Если вы увидели в моем ответе подтекст «самого умного», то даже не знаю, стоит ли с вами что-либо обсуждать. Набрав «адресные диоды» в интернете, не зная, где конкретно искать, вся информация - о лентах и матрицах. Человек в комментарии ниже хотя бы дал знать, что эти вещи, по всей видимости, можно пилить, и как угодно для себя соединять. Об этом нигде не говорилось в различных «туториалах», иначе я бы не лез на форум. Отсюда для меня хотя бы вектор развития появился теперь.

Видимо, это проблема комьюнити почти любого специализированного форума. Новички - глупцы, достойные совета лишь из пары слов. А если продолжают спрашивать, то не будем писать мол «нет, поняли неверно, изучите такую-то информацию», а просто окрестим умником. С таким подходом любой энтузиазм любого человека пропадёт. Будьте добрее.

v258
v258 аватар
Offline
Зарегистрирован: 25.05.2020

Storyteller пишет:

С таким подходом любой энтузиазм любого человека пропадёт. Будьте добрее.


Собственно, чей-то энтузиазм - это не проблема комьюнити. Если угас при малейших трудностях, значит не больно-то и нужно было. Что касается последнего пожелания, то могу посоветовать прочесть тему для новичков в Песочнице. Особенно первый пункт правил форума ;)

andriano
andriano аватар
Offline
Зарегистрирован: 20.06.2015

Storyteller пишет:

Если вы увидели в моем ответе подтекст «самого умного»...

Как Вы считаете, какое впечатление производит человек, которому в ответ на вопрос дали ключевое слово, а он, вместо того, чтобы хотя бы пару часов погуглить и попытаться разобраться, через 6 минут (Карл, шесть минут!) тут же выплевывает утверждение, что это, якобы, совсем не в тему?

Если бы Вы на самом деле попытались разобраться, то сразу бы поняли, что "адресность" светодиодов проистекает именно из-за стремления управлять ими наименьшим количеством проводов (разве не об этом Вы спрашивали?), и не имеет никакого отношения ни к лентам, ни к матрицам.

rkit
Offline
Зарегистрирован: 23.11.2016

Storyteller пишет:

С таким подходом любой энтузиазм любого человека пропадёт

Не нужны мне такие "энтузиасты", которые, не потратив и 10 минут на изучение вопроса, уже авторитетно перечат. Катись.

ЕвгенийП
ЕвгенийП аватар
Offline
Зарегистрирован: 25.05.2015

Storyteller пишет:

Насколько я понял за время изучения, адресные диоды - это история про ленты, матрицы и тд. В диораме такое не подойдёт, диоды нужны абсолютно независимые, как на видео.

Так купите адресные независимые диоды, в чём проблема-то? Например (первый попавшийся, сами ищите ещё и сравнивайте цены) - https://aliexpress.ru/item/1005003365442569.html

Это самое простое и экономичное по количеству проводов решение.

ЕвгенийП
ЕвгенийП аватар
Offline
Зарегистрирован: 25.05.2015

Storyteller пишет:
Набрав «адресные диоды» в интернете, не зная, где конкретно искать, вся информация - о лентах и матрицах.
Ну, вот даже не знаю как Вы искали ... посмотрите мой пост #12

Не обижайтесь, но про таких "искателей" иногда говорят: "Даже порнуху в сети найти не может" :-)

Storyteller
Offline
Зарегистрирован: 09.10.2022

ЕвгенийП пишет:

Storyteller пишет:

Насколько я понял за время изучения, адресные диоды - это история про ленты, матрицы и тд. В диораме такое не подойдёт, диоды нужны абсолютно независимые, как на видео.

Так купите адресные независимые диоды, в чём проблема-то? Например (первый попавшийся, сами ищите ещё и сравнивайте цены) - https://aliexpress.ru/item/1005003365442569.html

Это самое простое и экономичное по количеству проводов решение.

 

Благодарю)

v258
v258 аватар
Offline
Зарегистрирован: 25.05.2020

Storyteller пишет:

Благодарю)

А ведь подобное решение еще в #4 посте предлагалось, только уже готовыми модулями с нужными конденсаторами и резисторами. Но чукча не читатель )))

asam
asam аватар
Offline
Зарегистрирован: 12.12.2018

v258 пишет:

 

А ведь подобное решение еще в #4 посте предлагалось, только уже готовыми модулями с нужными конденсаторами и резисторами. Но чукча не читатель )))

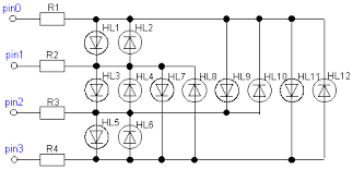
Покупал я такие модули, но что-то никаких конденсаторов  и резисторов я там не обнаружил.

v258
v258 аватар
Offline
Зарегистрирован: 25.05.2020

А куда ж они делись? По бокам от светодиода две смд-фитюльки )))

ЗЫ: что-то картинки на сервер не грузятся

 

andriano
andriano аватар
Offline
Зарегистрирован: 20.06.2015

DetSimen
DetSimen аватар
Offline
Зарегистрирован: 25.01.2017

v258 пишет:
ЗЫ: что-то картинки на сервер не грузятся

Это теперь не картинки, это теперь фейс-контроль. 

v258
v258 аватар
Offline
Зарегистрирован: 25.05.2020

DetSimen пишет:

v258 пишет:
ЗЫ: что-то картинки на сервер не грузятся

Это теперь не картинки, это теперь фейс-контроль. 

Да вроде ж не впервой. Вроде выбрал, нажал Загрузить, что-то крутится, крутится и затихает. И картинка в списке не появляется. На двух браузерах пробовал ))

ЕвгенийП
ЕвгенийП аватар
Offline
Зарегистрирован: 25.05.2015

v258 пишет:

Да вроде ж не впервой. 

фейс-контроль усложнился :)

BOOM
BOOM аватар
Offline
Зарегистрирован: 14.11.2018

DetSimen пишет:

v258 пишет:
ЗЫ: что-то картинки на сервер не грузятся

Это теперь не картинки, это теперь фейс-контроль. 

Анука, пройду али нет?

Вроде все отлично. У тебя что-то с компьютером. Перезагрузи его!

v258
v258 аватар
Offline
Зарегистрирован: 25.05.2020

Дык, уже несколько дней так. Но вполне допускаю, что это локальная проблема ))

v258
v258 аватар
Offline
Зарегистрирован: 25.05.2020

Не, думал, проблема линуксовая, но из-под винды тоже не грузится. Чудеса )))

То, что уже на сервере, вставляется, а новое на сервер не грузится

v258
v258 аватар
Offline
Зарегистрирован: 25.05.2020

Upd: уменьшил в размере - загрузилось. А раньше вроде само ресайзило ))

BOOM
BOOM аватар
Offline
Зарегистрирован: 14.11.2018

У меня когда открываю форму загрузки картинок написано так: "77 files using 6.83 Мб of 200 Мб "

А что пишет у тебя? Может просто место закончилось ))

v258
v258 аватар
Offline
Зарегистрирован: 25.05.2020

59 files using 6.55 Мб of 200 Мб  - еще не закончилось ))