Последовательное соединение диодов и управление отдельным диодом

liga_champions_...
Offline
Зарегистрирован: 03.07.2018

Доброго времени суток.

Есть проект где ардуино управляет 16 разными устрйоствами. В каждом устройстве по 2 диода.Устройства находятся в приличном расстоянии. 

Сейчас получается что на каждый диод проведен отдельный провод.

32 провода + земля (общ) = 33 провода. Диоды включаются по команде (каждый отдельно).

Как можно сократить кол-во проводов для управления диодами?

Пинов хватате, т.к. использую ардуино мега. Надо именно сократить кол-во проводов. Может есть какие модули или у кого идеи какие?

Спасибо!

ЕвгенийП
ЕвгенийП аватар
Offline
Зарегистрирован: 25.05.2015

Надеюсь, Вы имели в виду светодиоды? Монохромные или RGB? Если второе, то копайте в сторону WS2812 три провода (два из которых земля и питание) и подключайте сотни светодиодов.

liga_champions_...
Offline
Зарегистрирован: 03.07.2018

Да, два светодиода один красный и второй зеленый на всех устройствах. WS2812 не смотрел, буду смотреть. Спасибо!
Если еще будут идеи, пишите) 

triac
triac аватар
Offline
Зарегистрирован: 03.05.2018

liga_champions_911@mail.ru пишет:

Да, два светодиода один красный и второй зеленый на всех устройствах. WS2812 не смотрел, буду смотреть. Спасибо!
Если еще будут идеи, пишите) 

Если не жалко тока питания, который будет расходоваться даже при погашенных светодиодах, то можно так:

Управление по одному проводу "control" напрямую от пина МК.

- Если пин настроен на ввод, то оба светодиода погашены.

- Если пин настроен на вывод и на нем 0, то горит D1.

- Если пин настроен на вывод и на нем 1, то горит D2.

- Если пин настроен на вывод и на него подан меандр частотой герц в сто или более, то горят оба.

liga_champions_...
Offline
Зарегистрирован: 03.07.2018

Для уточнения...

Ардуино 1 - к нему подключается 16 устройств. У каждого устройства по 2 светодиода.

Я правильно понимаю что по вашей схеме на каждое устройство для управления светодиодами нужно провести по 1 проводу, кроме общего + и - ?

triac
triac аватар
Offline
Зарегистрирован: 03.05.2018

Нарисованы два светодиода. К ним подходит один управляющий провод. Что тут непонятно?

Logik
Offline
Зарегистрирован: 05.08.2014

Схема явно противоречит условию в названии темы. Требуется последовательное соединение, а в схеме паралельное. Решение -

xDriver
xDriver аватар
Offline
Зарегистрирован: 14.08.2015

Logik пишет:

Схема явно противоречит условию в названии темы. Требуется последовательное соединение, а в схеме паралельное. Решение -

и как тут led2 зажечь ?

SLKH
Offline
Зарегистрирован: 17.08.2015

Logik пишет:

Схема явно противоречит условию в названии темы. Требуется последовательное соединение, а в схеме паралельное. Решение -

 

условие вообще никакое, чистая угадайка. Остальное, как обычно, народ домысливает.

Logik
Offline
Зарегистрирован: 05.08.2014

Подать отрицательное относительно земли напряжение, как же еще.

Logik
Offline
Зарегистрирован: 05.08.2014

Чего ж  угадайка. Четко написано 

Последовательное соединение диодов 

 и

Надо именно сократить кол-во проводов.

Потом уточнили, таки СВЕТОдиоды. Не фото, не шотки, не холла или какого ганна, и не тунельные,  даже не лавиннопролетные диоды. 

Конечно кабы не последовательное соединение, можна бы и матрицу впиндюрить. Но нет, именно последовательное...

xDriver
xDriver аватар
Offline
Зарегистрирован: 14.08.2015

аааа....

я явно пропустил, что в названии темы говорилось про двуполярный источник питания.

Logik
Offline
Зарегистрирован: 05.08.2014

xDriver пишет:

аааа....

я явно пропустил, что в названии темы говорилось про двуполярный источник питания.

А там вобще про питание ниче не говорится. Хоть трехфазка 400Гц 750КВ.

Logik
Offline
Зарегистрирован: 05.08.2014

А если уж про экстремальное матрицирование http://arduino.ru/forum/obshchii/71-segmentov-3-razryada-6-vyvodov . 24 светодиода (и даже 30шт.) на 6 проводов.

SLKH
Offline
Зарегистрирован: 17.08.2015

Logik пишет:

А если уж про экстремальное матрицирование http://arduino.ru/forum/obshchii/71-segmentov-3-razryada-6-vyvodov . 24 светодиода (и даже 30шт.) на 6 проводов.

или это: http://arduino.ru/sites/default/files/u39190/imgonline-com-ua-resize-bnjn3yhzuz.jpg

SLKH
Offline
Зарегистрирован: 17.08.2015

Logik пишет:

Чего ж  угадайка. Четко написано 

Последовательное соединение диодов 

написано - да. но нужно ещё знать, что на самом деле имел в виду пишущий, когда это писал. меня терзают смутные сомненья...

 

Logik
Offline
Зарегистрирован: 05.08.2014

А меня не терзают. Домыслами не страдаю. Пусть ТС страдает от своего умения спросить.

ВН
Offline
Зарегистрирован: 25.02.2016

там куда интереснее вопрос "в приличном расстоянии" и между чем и чем.

У меня прилчное расстояние это км так от 500 =)

SLKH
Offline
Зарегистрирован: 17.08.2015

Logik пишет:

А меня не терзают. Домыслами не страдаю. Пусть ТС страдает от своего умения спросить.

сдается мне, что последовательное соединение диодов - как раз домысел и в реале его там нет.

ВН
Offline
Зарегистрирован: 25.02.2016

давно пора букмекерскую контору открывать

Logik
Offline
Зарегистрирован: 05.08.2014

Как так нет?! Черным по белому, крупным шрифтом в названии темы на первом месте. А ведь первым обычно пишется самое главное, не так ли? Жаль что так. Могли бы о многом потрындеть, и о матрицах, и о 2812, и о сети из 74hc595 на spi. А так нефиг флудить. Последовательно - знач последовательно!

SLKH
Offline
Зарегистрирован: 17.08.2015

Logik пишет:

Как так нет?! Черным по белому, крупным шрифтом в названии темы на первом месте. А ведь первым обычно пишется самое главное, не так ли? Жаль что так. Могли бы о многом потрындеть, и о матрицах, и о 2812, и о сети из 74hc595 на spi. А так нефиг флудить. Последовательно - знач последовательно!

на заборе... а там дрова!

xDriver
xDriver аватар
Offline
Зарегистрирован: 14.08.2015

SLKH пишет:

Logik пишет:

Как так нет?! Черным по белому, крупным шрифтом в названии темы на первом месте. А ведь первым обычно пишется самое главное, не так ли? Жаль что так. Могли бы о многом потрындеть, и о матрицах, и о 2812, и о сети из 74hc595 на spi. А так нефиг флудить. Последовательно - знач последовательно!

на заборе... а там дрова!

нет там "дров", ничего там нет, и его там нет.

triac
triac аватар
Offline
Зарегистрирован: 03.05.2018

Logik пишет:

Чего ж  угадайка. Четко написано 

Последовательное соединение диодов 

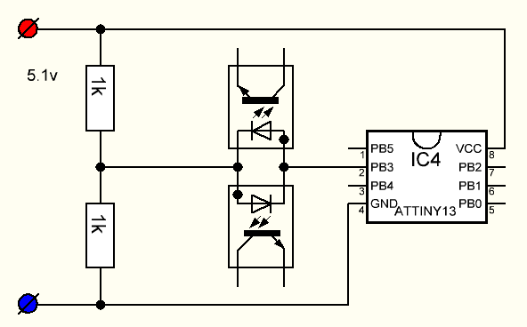
У меня в схеме диоды соединены последовательно. Просто начало и конец цепочки из двух последовательно соединенных диодов замкнуты. По аналогии с теорией струн, где струна может быть или отрытой, или замкнутой, у меня диоды соответствуют замкнутой струне.

А вот y вас в схеме диоды включены навстречу друг другу, хотя в заголовке ясно написано, что они должны быть соединены последовательно.

К тому же в вашей схеме светодиоды могут выгореть, потому что они плохо держат обратное напряение. Обычно у них предельно-допустимое обратное напряжение всего 5 В.  Вот подадут на цепочку +12 или -12, они и выгорят.

Поэтому ваша схема нуждается в доработке. Ход мыслей у вас правильный, но вы не все нюансы учли.

А вот в этой схеме учтено все:

- светодиоды включены последовательно,

- обратного напряжения на них вообще никогда нет

- когда светодиоды выключены (порт настроен на ввод), ток потребления намного (в десятки раз) меньше, чем в первой схеме

- резистор R1 хорошо защищает вход МК от помех, для этого R1 надо расположить поближе к МК, и уже от него тянуть длинный провод к светодиодам

Arhat109-2
Offline
Зарегистрирован: 24.09.2015

16 светодиодов по двум проводам.

А если к этим же двум проводам I2C подвесить ещё один такой же модуль, то будет ещё 16шт. Заодно сможете даже управлять яркостью достаточно плавно. Там 12-и битный ШИМ ваще-то.

Нацепить можно вроде как до 64 таких модулей, но проверьте, что там продаван пишет по поводу адресов ..

hugoboss317
Offline
Зарегистрирован: 21.03.2013

Logik пишет:

Подать отрицательное относительно земли напряжение, как же еще.

А это как? Куда отрицательней земли? Или как в RS232.

Кто собирал в железе два "светодиода" одним пином управлять? Какие нюансы?

У меня получится сборка, прошивка и установка. Возможности отладки не будет.

Подключил, я бы назвал, параллельно-встречно. 


#define on1 {PORTB |= 1<<6;    DDRB  |= 1<<6;}
#define on2 {PORTB &= ~(1<<6); DDRB  |= 1<<6;}
#define off {DDRB  &= ~(1<<6); PORTB &= ~(1<<6);}

void setup()
{

}

void loop()
{
  on1;
   delay(1000);
  off;
   delay(1000);
  on2;
   delay(1000);
  off;
   delay(2000);
}

На столе вроде мигают. Какие подводные камни могут быть?