Управление ардуино 220V

FastLife11
Offline
Зарегистрирован: 21.01.2017

Всем доброго дня! Я пишу проект на тему "Светомузыка на микроконтроллере Arduino".

Схема такова: На Windows установлен плеер AIMP с плагином который пересылает на COM ардуино частоты воспроизводимой музыки. Ардуино распределяет частоты по пинам, и включает/выключает пин в зависимости от частоты музыки. Так вот. Хотелось бы подключить лампы 220V что бы они моргали с этого пина.. Реле тут не подойдет т.к. частота моргания высокая и реле залипают.. Прошу помочь, кто может и знает :)

P.S. В радиоэлектронике я особо не разбираюсь) Но могу понять, если толково объясните)

Megawollt
Offline
Зарегистрирован: 06.12.2015

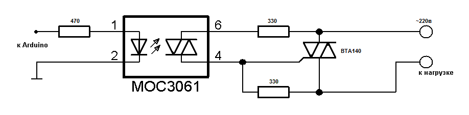
Используйте симистор с оптической развязкой. Вот так :

http://compcar.ru/forum/attachment.php?s=62567babdc260f52d3d018fe4d6d3d5...

FastLife11
Offline
Зарегистрирован: 21.01.2017

Я дико извиняюсь, но можете дать объяснения к ней?) Я не радиотехник и увидел там только симистор, а остальное что?)))

Прошу поймите, делаю проект и вот завис на такой проблеме...

ua6em
ua6em аватар
Offline
Зарегистрирован: 17.08.2016

Включайте вместо реле

OlegK
OlegK аватар
Offline
Зарегистрирован: 26.11.2014

FastLife11 пишет:
Я не радиотехник и увидел там только симистор, а остальное что?)))

MOC3061 - это оптосимистор, выполняет гальваническую развязку контроллера от сети и управляет более мощным элементом - симистором, т.к. сам имеет небольшой допустимый ток. Управляет не "просто так" - в нём есть узел контроля перехода сетевого напряжения через 0 и включение нагрузки происходит в момент пересечения синусоидой нуля, соответственно, нет помех в сеть. Бывают оптосимисторы и без этого узла.

Про резисторы тоже рассказывать? ))

FastLife11
Offline
Зарегистрирован: 21.01.2017

Не, спасибо) А можете рассказать подробно как подключить? Я куплю все детали и попробую собрать)

Составьте какую либо наглядную схему, что бы я понимал, если возможно)

P.S. Могу заплатить, просто мне это очень важно!!

m-zzz
Offline
Зарегистрирован: 30.05.2015

Схема, приведенная камрадом OlegK , проста до изнеможения...

Если вам эти "квадратики-треугольники" ни о чем не говорят, то ваш выбор покупка готовых SSR.

Не зная схемотехники, и не понимая точно, что делаешь, лучше не лезть к сетевому напряжению, может дрянно закончится.

Китайский Fotek их делает, не особо дорогие. Простые в подключении - два контакта на вход, и два на включение нагрузки, даже паяльник не нужен, все отверткой собирается..

 

bwn
Offline
Зарегистрирован: 25.08.2014

УПС, а ТС уверен, что описал то, что хочет? Требуется именно вкл-выкл или какие то градации яркости?

m-zzz
Offline
Зарегистрирован: 30.05.2015

ну градации яркости добавляются элементарно, втыканием в канал одной сторублевой микрухи.. 

однако правда в том, что пока что и с простым вкл/выкл не реализовано.

так что о большем говорить рано...

bwn
Offline
Зарегистрирован: 25.08.2014

Прикупить десяток твердотелок, а потом узнать, что они не делают желаемых хотелок, как то грустно будет.((((

"ну градации яркости добавляются элементарно, втыканием в канал одной сторублевой микрухи.."

А можно подробнее, как это реализовать имея реле с zero-cross?

 

m-zzz
Offline
Зарегистрирован: 30.05.2015

На реле с ZC это можно сделать НИКАК!

Сорри, но наличие данного модуля полностью исключает плавное регулирование накала ламп.

А делается это обычной оптопарой(4N33), подключенной к ШИМ-выводу Дуньки.

После оптопары ставится КР1182ПМ1 во включении с управлением оптопарой и усиливающим симистором на выходе. BTA41-800 она тянет влегкую, проверено сотнями (если не тысячами) изделий...

Вот ссылка на изделие

http://files.homedistiller.ru/9059.gif

в качестве нагрузки там не смешные лампочки накаливания по 40-300 ватт,

а ТЭНы на много киловатт, и при этом все годами пашет, без нареканий.

Ту часть, что с операционниками(все что до оптопары) выкидываешь, оптопару через резюк цепляешь на ШИМ вывод Дуни, опытным путем подбираешь рабочий диапазон от минимального уровня свечения, до максимального.. Пишешь скетч, исполняющий то, что тебе надо..

и все! вот оно ЩАСТЕ! ))

m-zzz
Offline
Зарегистрирован: 30.05.2015

Вдогон...

Вот PDF ки:

На микруху:

http://radio-hobby.org/uploads/datasheets/kr/kr1182pm1[1].pdf

на оптопару:

http://www.vishay.com/docs/81865/4n32.pdf

m-zzz
Offline
Зарегистрирован: 30.05.2015

bwn пишет:

Прикупить десяток твердотелок, а потом узнать, что они ....

А зачем покупать десятками то, в необходимости чего ты не уверен? Покупать надо одну-две штуки.. чтоб разобраться, чтоб понять что это, зачем оно и с чем его едят...

А потом уже затариваться в промышленных масштабах)))))

Ну а если сразу приобрел тонну ненужных модулей, и потратил кучу бабла впустую, то тоже неплохо... можно считать эти деньги инвестицией в дальнейшее развитие, у себя любимого, разумного подхода к оптовым закупкам)))))

bwn
Offline
Зарегистрирован: 25.08.2014

m-zzz, я к этому и вел, в предыдущем контексте все советы подразумевают zero-cross, а купив все детали исправить никакой микрухой будет нельзя.
Схема гораздо проще Вашей, тот же симисторный узел, только с моськой без "отлова нуля" и аппаратный "отлов" на прерывание. Дальше программно, тоже три года работает, нареканий нет.

Megawollt
Offline
Зарегистрирован: 06.12.2015

К1182ПМ1 хреново с ШИМом работает, да и слабая она. Чуть какой бросок, сразу дохнет

m-zzz
Offline
Зарегистрирован: 30.05.2015

Megawollt пишет:
К1182ПМ1 хреново с ШИМом работает

Про ШИМ она даже и в курсе.. Для нее это будет выглядеть как изменение сопротивления между выводами 3 и 6.

Можно добавить конденсатор, для сглаживания пульсаций, и тогда если вы ей не расскажете про ШИМ, то она  и не узнает.

Megawollt пишет:
 да и слабая она.

Конечно слабая.. всего 150ВТ в пределе...

А симистор на несколько десятков ампер, по вашему просто так поставили?

Megawollt пишет:
Чуть какой бросок, сразу дохнет

Конечно! ) За годы существования приведенной выше схемы(с 2009), она была повторена туеву хучу раз, разными людьми, в разных городах и странах....
И как то так случилось, что "слабая" схема, дохнущая от чего угодно, сутками напролет управляла весьма критичными в плане безопасности процессами(производство спирта), регулируя сборки ТЭНов по многу киловатт..
Зачастую - при весьма не стабильном питании...
И никто, никаких существенных нареканий на элементную базу за все годы(6 с копейками лет) не высказал..
Делайте правильно.. без упрощений и прочих "оптимизаций", и воздастся вам!

Фильтры и снабберы на приведенном рисунке правда не нарисованы, ибо каждый их делал в меру собственных разумений и возможностей..

Да и привел я самую первую версию.. копаться в ветке на несколько сотен страниц желания не было..

m-zzz
Offline
Зарегистрирован: 30.05.2015

bwn пишет:
тот же симисторный узел, только с моськой без "отлова нуля" и аппаратный "отлов" на прерывание. Дальше программно, тоже три года работает, нареканий нет.

для простого регулирования яркости описанная ФИ-система более чем достаточна.. 

а как она будет реализована, аппаратно, или программно-аппаратно, с моей точки зрения не слишком важно...

я могу легко исполнить любой из вариантов...

с точки зрения топикстартера они тоже равнозначны, он не сможет повторить ни один из обсуждаемых..

а значит в его случае, начальное направление было задано верно-хочешь чтоб моргало, ставь готовую SSR-ку

bwn
Offline
Зарегистрирован: 25.08.2014

m-zzz пишет:

для простого регулирования яркости описанная ФИ-система более чем достаточна.. 

а как она будет реализована, аппаратно, или программно-аппаратно, с моей точки зрения не слишком важно...

я могу легко исполнить любой из вариантов...

с точки зрения топикстартера они тоже равнозначны, он не сможет повторить ни один из обсуждаемых..

а значит в его случае, начальное направление было задано верно-хочешь чтоб моргало, ставь готовую SSR-ку

Тогда следующий вопрос, а если хочу семь каналов - Аtmega8-328 ?
А не сможет повторить, гордыня Вас заедает, не сможет только полный дебил, у остальных, главное желание. ИМХО.

OlegK
OlegK аватар
Offline
Зарегистрирован: 26.11.2014

Вот, такой попался, до 10 каналов...

bwn
Offline
Зарегистрирован: 25.08.2014

OlegK, оттуда и брал. Хочу понять, чем К1182ПМ1 (цена почти 100р) лучше обычной моськи с симистором и одним 4N25 на число каналов не ограниченных аппаратным ШИМ МК.

OlegK
OlegK аватар
Offline
Зарегистрирован: 26.11.2014

Да, ничем не лучше, просто как одно из решений под конкретную задачу.

Топикстартер указал, что лампы должны загораться при опредеделённой частоте, не озвучил, должны ли они изменять свою яркость, взависимости и от уровня этой частоты. А если нет, то и ФИ-регулирование не нужно, значит можно использовать просто связки оптосимистор-симистор - самое простое и дешёвое решение и без помех и можно навешать ламп практически на все пины дуины. Есть частота - включили пин, нет - выключили.

m-zzz
Offline
Зарегистрирован: 30.05.2015

Полностью поддерживаю OlegK.

Это одно из возможных решений и не более того.. чем оно Вас так сильно задело, я не знаю.

Если Вас это как то оскорбило, могу попросить извинений, мне не сложно...

Просто исходить логичнее из озвученного ТС, а не из безудержной фантазии про семь каналов.. 

Почему тогда не 29? не 71? не 146?

Всегда можно придумать какую нибудь отсебятину,  и перейдя на личности, рассказать про чью то гордыню.

Какая же тут гордыня, алмаз Вы наш яхонтовый?

Что я могу это собрать? это факт )) смогу.. и не только это.. куда более сложные вещи уже пройдены давно..

Что топикстатртер не может? тоже факт, вам достаточно прочесть второй и третий постинги данной ветки...

Какая тут гордыня, миленькай? )))))

Гордыня, душа моя, это считать (далее цитата) "полными дебилами" тех, кто не умеет паять, кто не знает принципов построения радиосхем, кто из всей простейшей схемы, меньше чем на десять деталей, увидел знакомого - только обозначение симистора..

Вот она где гордыня то где...

Так я Вам скажу, драгоценный Вы наш, не обязательно все они "полные дебилы" , они может быть поумнее нас с Вами в своих областях знаний..

Но вот в электронике не сильны. Не стоит оскорблять их за то, что они не могут собрать несложную схему.

 

Чем "лучше обычной моськи с симистором"

Ну если мы решили забить на тему ТС и начинаем говорить "ваще" (это я в продолжение семиканалья) то чем может оказаться лучше вариант с внешней микрухой?

- не занимает памяти (ее бывает что и не хватает),

- не жрет процессорное время(тоже ресурс не бесконечный),

- не расходует прерывания(они тоже иногда бывают потребны, OlegK не даст соврать),

- внешние микросхемы-ФИ регулирования не замечены в зависаниях (в некоторых применениях это может быть критичным).

Еще раз, для владельцев аналитического склада мышления, это просто один из способов, со своими плюсами и минусами...

Выбирать надо ту схему, что:

A- Соответствует твоим требованиям

Б- Ты можешь собрать

bwn
Offline
Зарегистрирован: 25.08.2014

Чтож Вы так взвились, словно я Вам на хвост наступил? ТС нас уже давно покинул, а остались размышлизмы. Вы стали активно продвигать тему с внешней мелкосхемой, я спросил, чем она хороша. В 21 посте Вы ответили, согласен, при наступлении обозначенных событий есть смысл тратить на обвязку канала 110руб вместо 9руб.
По гордыне, Вы безаппеляционно заявили: "с точки зрения топикстартера они тоже равнозначны, он не сможет повторить ни один из обсуждаемых..", я же утверждаю, что сможет, если не полный дебил. Полным дебилом считаю индивидуума, который пихает два пальца в розетку, но там дедушка Дарвин поправит.
А встрял в тему по причине аналогичной ТС, когда то возвращался к паянию и искал ключ, мне тоже твердотелку насоветовали, про zero-cross сказать забыли. Есть у меня теперь эта дорогая хреновина у которой пока одно возможное применение, советчику тому в задницу засунуть.