Ардуино и esp12e
- Войдите на сайт для отправки комментариев
Пт, 15/11/2019 - 22:31
Люди добрые подскажите пожалуйста. Не шьется esp12e через ардуино подключил как на схеме.

Резет ардуино на землю. RX на RX , TX на TX .GPIO0 на землю. Ардуино ИДЕ выдает
Connecting........_____....._____....._____.....___
esp01s были без ат но была точка доступа у esp12e ни чего нет.
Не могу понять че за хрень. esp01s прошиваю а эта вот чето ни в какую не желает.
Подозрение на то что не входит в режим прошивки.
Для прошивки на прямую а для использования UART накрест.
Ну во всяком случае на esp01s 100% так.
Должен ли он что то выдавать в сериал порт при подключенном GPIO0 к земле?
У меня выдает ets Jan 8 2013,rst cause:2, boot mode:(1,7)
Просто попробуйте, RX на TX , TX на RX
Вообще ни как не катит!!!!!
Подключил к меге начал мигать светодиод и выдал esptool.FatalError: Timed out waiting for packet header
почему истекло время ожидания что то неправильно подключено или настройки в ардуино иде не верны?
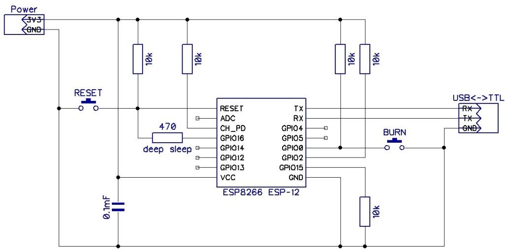
При подаче питания, GPIO0 к земле(потом можно и отпустить) и #3. Все будет грузиться.
А не подскажи те где найти таблицу режимов
При подаче питания, GPIO0 к земле(потом можно и отпустить) и #3. Все будет грузиться.
Ну да, там по схеме кнопка BURN спецом нарисована. Выходит ТС не догадался о ее назначении.
Ну ни в какую не прошивается конект есть а дальше х...!!!
Судя по пайке, там ... паяльник надо не такой горячий использовать...
Подскажите пожалуйста можно ли на esp сменить канал, мощность и скорость в скетче как на nRF24 если да то как?????