Ардуино не выключается если есть питание на одном из входов (что это, глюк или моя не понимать)
- Войдите на сайт для отправки комментариев
Сразу прошу, не забрасывать тапками, а дать совет новичку.
Цель. Нужно чтобы Ардуино включалась при включении света. А при выключении проводила расчет и сохранала данные, а потом выключалась, в целях экономии батарейки.
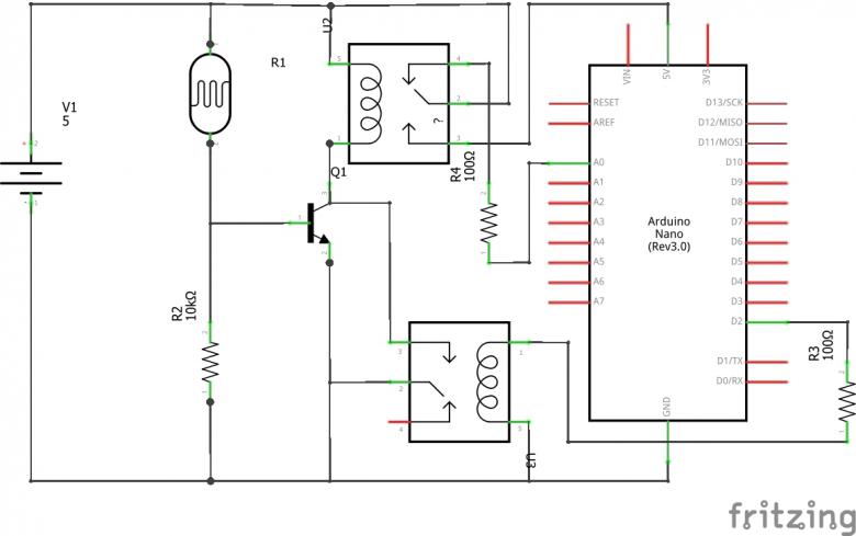
Сделал схему на двух реле, одно включает Ардуино при появлении света, при наступлении темноты, реле отключается, тем самым переключая сигнал на аналоговый вход, что дает сигнал о том, что пора считать и выключаться. Второе реле блокирует питание и не позволяет выключится сразу, а только с разрешения Ардуино, т.е. когда она снимет питание со второго выхода и тогда все выключается до следующего появления света.
Так вот, у меня два вопроса.
Первый: что нужно еще учесть, чтобы работало нормально.
Второй: Как это ни странно, при испытании, когда первое реле отправляет сигнал на аналаговый вход и после выполнения всех операций выключается второе реле, питание на ардуине остается. Только после отключения провода идущего на аналоговый вход все выключается. т.е. при подаче напряжения на любой из входов или выходов и наличии минуса, ардуина продолжает работать. ЭТО НОРМАЛЬНО? Или мне досталась бракованная партия? (сразу скажу, ардуинки из китая). И есть ли вариант, как от этого избавиться?
PS За вид схемы прошу извинения. Рисовал в том, что было под рукой, выглядит не очень профи.

Через диод VD1 питается. Диоды стоят на всех портах.
У Вас при отсутствии питания идет подпитка контроллера через порт. Включать релюху напрямую к порту - жесть. Тем более что она там нафиг не нада.
//реле отключается, тем самым переключая сигнал на аналоговый вход, что дает сигнал о том, что пора считать и выключаться. - треш.