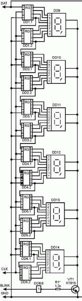
Статическая индикация на К561ИР2
- Войдите на сайт для отправки комментариев
Втр, 15/12/2020 - 20:06
Доброго здравия уважаемые форумчане. Подскажите пожалуйста как подключить данный индикатор. Посредством SPI или еще как-то можно. Может кто подкинет скетч. Или ткните где есть информация. Лежит без дела, хочу прикрутить к термометру с часами. Спасибо.

Купи TM1637
Выдвигай байты с помощью ShiftOut.http://arduino.ru/Reference/ShiftOut