Многоуровневое меню для Ардуино и строкового ЖК дисплея 16x2
- Войдите на сайт для отправки комментариев
Чт, 06/10/2016 - 08:47
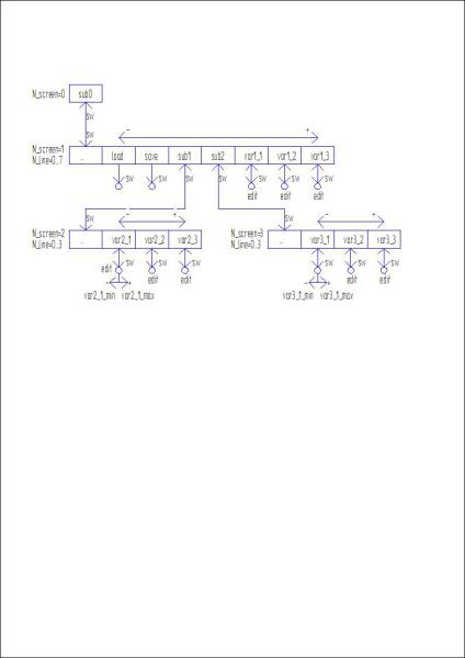
Господа, прошу помощи в реализации меню для Ардуино УНО+ЖК дисплей 16x2+аналоговые кнопки вверх, вниз, влево, вправо, выбор. Только начал осваивать ардуино (считайте зелёный новичек), и встал вопрос о практической реализации меню. Микроконтроллер нужен для управления аквариумумом. Ниже на схеме условно показана структура работы:
В качестве курсора использовал символ "*" (звёздочка), при нажатии "Выбор" переход к подменю выделенного пункта. Дальше подменю разветвляется на еще 2 позиции, звездочка перемещается горизонтально (выбираем тип осещения - "накаливания" или "светодиоды")
По моим прикидкам все меню и подменю должны быть в многомерном массиве, и экран прорисоввывается в зависимости от нахождения в конкретном меню (то есть ячейки массива, которая изменяется при навигации). Остаётся неясным как реализовать горизонтальное перемещение курсора "*" и заставить по нажатию "Выбор" изменять переменную, отвечающую за включение и отключение реле управления светом. То есть в позиции курсора на ВКЛ и нажатии "выбор" замыкаются контакты на реле, зажигающей светодиоды. При нажатии "вправо" курсор перемещается на "ВЫКЛ" и при нажатии "выбор" реле размыкается. При перемещении еще вправо (и нажатии кнопки "выбор" активируется режим "АВТО" и реле работает согласно настройкам из следующего подменю "НАСТР", в котором указывается период освещения. При настройки периода курсор перемещается по часам, минутам пуска и по часам, минутам отключения. Кнопками "вверх", "вниз" меняются данные переменные и при нажатии "выбор" сохраняются в EEPROM. Как это реализовать буду думать позже, видел подобные примеры, но пока прошу подсказать с реализацией меню и изменении переменных через него. Наверняка многоуровневое меню требуется не мне одному, и сделать свою поделку с изменением настроек и переменных без ПК хочется многим.

вы только начали осваивать дуню и сразу изобретать велик начали
есть 100500 готовых решений в гугле и на ютубе
Это точно! И тем таких здесь навалом и готовых решений - девать некуда.
Можно, конечно и так. Отлаживать будет очень трудно, но если уж отладите - спецом станете.
А так вообще, для меню больше подходят списки, чем массивы.
Списки правильно. Многомерные масивы предполагают одинаковое кол-во пунктов в подменю, одинаковое количество уровней вложений и т.д., все одинаковое кроме названия пунктов. Списки предпочтительней. Использовать готовую либку можна, но экран будет выглядеть так, как автор либы проектировал и скорей всего это не совпадет с задуманым. На самом деле не настолько и сложно его писать. У Вас должно быть: описание меню в виде константных структур или массив, переменная(переменные) для сохранения текущего места в меню, функция отрисовки текущего места в меню - на основании первых двух сущностей она умеет вывести на экран нужное, функция навигации - принимает команды с клавиатуры и на их основе модифицирует переменные текущего места в меню с учетом описания меню. Пробуйте, все когдато начинали.
ПС. Тщательней проектируйте, на рисунке не все строки влазят в 20 символов. Экранчик у вас жутко слабый, может взять чего поприличней, пока не позно? Мой - http://arduino.ru/forum/obshchii/avtomatizatsiya-akvariuma#comment-222580
Спасибо за развернутый ответ. Шилд 1602 с аналоговыми кнопками уже давно валяется, заказывать что то посерьёзнее не вижу смысла. Все пункты будут на англ. и с сокращениями в 16-ти символьной строке всё умещается. Это не проект, это набросок для форума, причем очень условный) Полная структура меню в экселе готова, ищу варианты её реализации в коде и чтобы не сильно отнимало и так малые ресурсы UNO. По сути, это программируемые реле времени с функцией ручного управления.
Можно ссылку с примером меню на списках?
В своё время я использовал микроменю
http://www.avrfreaks.net/projects/micromenu?skey=micromenu
Есть обсуждение здесь
http://www.forum.easyelectronics.ru/viewtopic.php?f=56&t=20416
Собралось легко. Работает замечательно как раз на шилде с аналоговыми кнопками.
Вызовы всех функций через callback.
http://arduino.ru/forum/programmirovanie/arduino-menyu-lsd-arduino-menu-lcd
А начинал разработку отсюда
http://easyelectronics.ru/organizaciya-drevovidnogo-menyu.html
Можно просто библиотеку с примерами
https://github.com/jonblack/arduino-menusystem/tree/master/examples/lcd_nav
вы только начали осваивать дуню и сразу изобретать велик начали
Если бы велик. Так нет сразу вертолет да и притом военный бронированый.
Так что бы ТС прикинул сложность . Вот код. Но он не дописан.
/* свободные 0,1,2,3,11,12,13,A1,A2,A3,A4,A5,A6,A7 кнопки -> A0 (button sellect) S1 =Right 800-1023 S2 =Up 0-199 S3 =Down 200-399 S4 =Left 400-599 S5 = Select 600-799 нет нажатия 800-1023 экран -> D4 (DB4) -> D5 (DB5) -> D6 (DB6) -> D7 (DB7) -> D8 (RS) -> D9 (Enable) -> D10 (LCD Backlight Control) */ //#5 устройство void setup5(){ } void loop5(){ } //#8 дисплей #include <LiquidCrystal.h> LiquidCrystal lcd(8, 9, 4, 5, 6, 7); char* scrn0[]={"Main "}; char* scrn1[]={" .. ", "Load ", "Save ","Regime", "Sub1 ","Sub2 ","var1.1","var1.2","var1.3",""}; char* scrn2[]={" .. ","var2.1","var2.2","var2.3",""}; char* scrn3[]={" .. ","var3.1","var3.2","var3.3",""}; char* scrn4[]={" .. ","Regime1","Regime2","Regime3","Regime4",""}; uint8_t N_scrn=0; // номер экрана для показа uint8_t N_ln=0; // номер строки для показа void Display_setup(){ lcd.begin(16, 2); } void scrn0_viev(){ lcd.print(scrn0[0]); } void scrn1_viev(){ lcd.print(scrn1[N_ln]); lcd.setCursor(0,1); lcd.print(scrn1[N_ln+1]); } void scrn2_viev(){ lcd.print(scrn2[N_ln]); lcd.setCursor(0,1); lcd.print(scrn2[N_ln+1]); } void scrn3_viev(){ lcd.print(scrn3[N_ln]); lcd.setCursor(0,1); lcd.print(scrn3[N_ln+1]); } void scrn4_viev(){ lcd.print(scrn4[N_ln]); lcd.setCursor(0,1); lcd.print(scrn4[N_ln+1]); } void Display(){ lcd.clear(); switch (N_scrn) { case 0: scrn0_viev(); break; case 1: scrn1_viev(); break; case 2: scrn2_viev(); break; case 3: scrn3_viev(); break; case 4: scrn4_viev(); break; } } //#9 int const keyboard_pin = 0; // A0 - нога к которой присоединена клавиатура uint16_t key_data; // значение уровня сигнала на ноге клавиатуры uint8_t key,key_old;// значение последнего и прошлого состояние на ноге в коде кнопки void Controls_setup(){ key = keys(); } uint8_t keys() { // первичный опрос key_data = analogRead (keyboard_pin); if (key_data < 60) return 1; else if (key_data < 200) return 2; else if (key_data < 400) return 3; else if (key_data < 600) return 4; else if (key_data < 800) return 5; else return 0 ; } uint8_t keyboard() { // получение кода кода только что нажатой клавиши key_old = key; key = keys(); if (!key_old&&key ) return key; return 0; } uint8_t Controls() { // анализ нажатых клавиш и выработка действия switch (keyboard()) { case 1: N_scrn++ ; // Right N_ln=0; break; case 2: N_ln-- ; // Up break; case 3: N_ln++ ; // Down break; case 4: N_scrn--; //Left N_ln=0; break; case 5: ; //Select break; } } // --------- main ------------- void setup() { //#5 setup5(); //#8 вывод на дисплей Display_setup(); //#9 опрос кнопок и выдача команд на выполнение Controls_setup(); } void loop() { static uint32_t MILLIS ; MILLIS = millis() ; //#5 1000 миллисекунд устройство static uint32_t future5 = 0 ; if (MILLIS>=future5) { future5 = MILLIS + 1000 ; loop5(); MILLIS = millis() ; } //#8 1000 миллисекунд. Вывод на дисплей static uint32_t future8 = 0 ; if (MILLIS>=future8) { future8 = MILLIS + 1000 ; Display(); MILLIS = millis() ; } //#9 200 миллисекунд. Опрос кнопок и выдача команд на выполнение static uint32_t future9 = 0 ; if (MILLIS>=future9) { future9 = MILLIS + 200 ; Controls(); } }А это примерная картинка
Та ладно там - вертолет. Посмотрел в своем проекте модуль меню, ну 190 строк. Тож разве много. Сам проект около тысячи строк, а бывают и на несколько тысяч с десятками модулей, и компилируется в 28кБ. Так это что - звезда смерти!? ))
Пример всего кода не выложу, там специфично очень, 3 главных меню и управление енкодером. А вот как описываю пункты меню может и интересно будет.
//*********************************************** //**** Главное меню //*********************************************** char* MenuVert[]={"Atr123","str2","str3","str4"}; //*********************************************** //**** Подменю для каждого пункта меню //*********************************************** char* SubMenu1[]={"S11","S12","S13"}; char* SubMenu2[]={"At21","At22","AAA23","DD24"}; char* SubMenu3[]={"zz31","zxc32"}; char* SubMenuExit=STR_EXIT; const byte SubMenusLen[SIZE_MAIN_MENU]={ SIZE_MENU(SubMenu1), SIZE_MENU(SubMenu2), SIZE_MENU(SubMenu3)}; char** SubMenus[SIZE_MAIN_MENU]={SubMenu1,SubMenu2,SubMenu3}; #define SIZE_MAIN_MENU (sizeof(MenuVert)/sizeof(MenuVert[0]))Logik Во-во.Я и говорю вертолет. Вертолет по весу вроде маленький, но специфики хоть отбавляй. Толи дело плот. Весу много, но на деле это просто вязанка. И специфики там очень мало. А вот написать меню и без специфики сложновато будет.
Ну я не силен в художественных образах. ИМХО - даже сложное меню это средний уровень программирования, хороший джуниор с ним справится за 3 бутылки пива и пару часов.
А вот как описываю пункты меню может и интересно будет.
После пива не возьмусь писать код, но я всю жизнь подобные вещи делал через указатели на функции. То есть, каждое меню есть массив структур, состоящих из отображаемой строки, указателя на функцию, выполняющую этот пункт меню и указателя-параметр функции. В качестве параметра, функции передется указатель на меню из которого она вызвана и порядковый номер элемента меню в нем и указатель-параметр (вычисляемый через номер элемента меню). Данный указатель-параметр используем как указатель на подменю для подменю или по своему усмотрению в иных случаях. Кроме массива меню должно содержать указатель на родительское меню или NULL (опционально и на пункт меню родительского меню). Чтобы обратно можно было подниматься тоже.
А так вообще, для меню больше подходят списки, чем массивы.
Связь между меню и подменю, понятно, списком. А вот завязывать в списки еще и элементы меню менее экономно, чем потратить один байт в каждом меню на количество его элементов.
ИМХО - даже сложное меню это средний уровень программирования, хороший джуниор с ним справится за 3 бутылки пива и пару часов.
Ну сложное меню я за пару часов не сделаю, хоть и не юниор. Имеется в виду, действительно сложное, как в древней С библиотеке CXL. То есть с enable/disable/hide пунктов, настраиваемыми пользователем горячими клавишами, отображением текущих статусов пунктов меню (вкл/выкл/текущее значение), динамической группировкой (в зависимости от того, какие пункты скрыты), полями ввода прямо в строках меню и т.п.
Ну сложное меню я за пару часов не сделаю, хоть и не юниор.
Имелось в виду на МК без готового фреймворка. На том же QT и за полчаса управлюсь )
Опять не забываем, надо еще учитывать пользователя устройства. А то иногда делают такое меню, что без толстого мануала для пользователя нужную функцию не найти. Да и экран LCD 1602 и кнопок 3(вариант 1 энкодер)
ПС: А то иногда получается, что надо раз 12 нажать на одну кнопку, а потом 10 на другую , дальше обойти устройсто по кругу два раза, и вот устройство в нужном режиме. :)
кнопок 3(вариант 1 энкодер)
А чем такой вариант не угодил?
https://ru.aliexpress.com/item/Hot-Selling-New-Infrared-IR-Wireless-Remo...
или такой:
https://ru.aliexpress.com/item/New-4-4-Matrix-Array-Matrix-Keyboard-16-K...
Ну да , еще плазму вместо экрана. Если много кнопок, то 1 кнопка - одна функция. Там меню не к чему.Даже экрана не надо. Все покажет результат.
Ну да , еще плазму вместо экрана.
Причем тут плазма? Оба предложенных мной варианта существенно дешевле используемого ТС индикатора. А вариант с ИК пультом хорош еще тем, что готовый девайс можно сделать в красивом корпусе заметно меньшими усилиями, чем в случае размещения на нем кнопок и/или енкодера.
Я не против. Лучше то ,что вы предложили. Тогда и меню не к чему. Дешево, легко и практично. И каждый новичек справится. А про многоуровневое меню лучше забыть.
Если много кнопок, то 1 кнопка - одна функция. Там меню не к чему.Даже экрана не надо. Все покажет результат.
Хмм... Мои наблюдения показали, что у средней домохозяйки на запоминание четырех кнопок с часто используемыми функциями STB (телепрограмма, пауза/продолжение, текущее время с календарем, настройка записи по расписанию) уходит не меньше недели. Боюсь, что уже 8 кнопок потребуют не меньше месяца. А запомнить 12, как на пульте, может оказаться вообще не выполнимой задачей.
А про многоуровневое меню лучше забыть.
Меню да, а вот подсказки на индикаторе все равно потребуются.
вы только начали осваивать дуню и сразу изобретать велик начали
Если бы велик. Так нет сразу вертолет да и притом военный бронированый.
Так что бы ТС прикинул сложность . Вот код. Но он не дописан.
/* свободные 0,1,2,3,11,12,13,A1,A2,A3,A4,A5,A6,A7 кнопки -> A0 (button sellect) S1 =Right 800-1023 S2 =Up 0-199 S3 =Down 200-399 S4 =Left 400-599 S5 = Select 600-799 нет нажатия 800-1023 экран -> D4 (DB4) -> D5 (DB5) -> D6 (DB6) -> D7 (DB7) -> D8 (RS) -> D9 (Enable) -> D10 (LCD Backlight Control) */ //#5 устройство void setup5(){ } void loop5(){ } //#8 дисплей #include <LiquidCrystal.h> LiquidCrystal lcd(8, 9, 4, 5, 6, 7); char* scrn0[]={"Main "}; char* scrn1[]={" .. ", "Load ", "Save ","Regime", "Sub1 ","Sub2 ","var1.1","var1.2","var1.3",""}; char* scrn2[]={" .. ","var2.1","var2.2","var2.3",""}; char* scrn3[]={" .. ","var3.1","var3.2","var3.3",""}; char* scrn4[]={" .. ","Regime1","Regime2","Regime3","Regime4",""}; uint8_t N_scrn=0; // номер экрана для показа uint8_t N_ln=0; // номер строки для показа void Display_setup(){ lcd.begin(16, 2); } void scrn0_viev(){ lcd.print(scrn0[0]); } void scrn1_viev(){ lcd.print(scrn1[N_ln]); lcd.setCursor(0,1); lcd.print(scrn1[N_ln+1]); } void scrn2_viev(){ lcd.print(scrn2[N_ln]); lcd.setCursor(0,1); lcd.print(scrn2[N_ln+1]); } void scrn3_viev(){ lcd.print(scrn3[N_ln]); lcd.setCursor(0,1); lcd.print(scrn3[N_ln+1]); } void scrn4_viev(){ lcd.print(scrn4[N_ln]); lcd.setCursor(0,1); lcd.print(scrn4[N_ln+1]); } void Display(){ lcd.clear(); switch (N_scrn) { case 0: scrn0_viev(); break; case 1: scrn1_viev(); break; case 2: scrn2_viev(); break; case 3: scrn3_viev(); break; case 4: scrn4_viev(); break; } } //#9 int const keyboard_pin = 0; // A0 - нога к которой присоединена клавиатура uint16_t key_data; // значение уровня сигнала на ноге клавиатуры uint8_t key,key_old;// значение последнего и прошлого состояние на ноге в коде кнопки void Controls_setup(){ key = keys(); } uint8_t keys() { // первичный опрос key_data = analogRead (keyboard_pin); if (key_data < 60) return 1; else if (key_data < 200) return 2; else if (key_data < 400) return 3; else if (key_data < 600) return 4; else if (key_data < 800) return 5; else return 0 ; } uint8_t keyboard() { // получение кода кода только что нажатой клавиши key_old = key; key = keys(); if (!key_old&&key ) return key; return 0; } uint8_t Controls() { // анализ нажатых клавиш и выработка действия switch (keyboard()) { case 1: N_scrn++ ; // Right N_ln=0; break; case 2: N_ln-- ; // Up break; case 3: N_ln++ ; // Down break; case 4: N_scrn--; //Left N_ln=0; break; case 5: ; //Select break; } } // --------- main ------------- void setup() { //#5 setup5(); //#8 вывод на дисплей Display_setup(); //#9 опрос кнопок и выдача команд на выполнение Controls_setup(); } void loop() { static uint32_t MILLIS ; MILLIS = millis() ; //#5 1000 миллисекунд устройство static uint32_t future5 = 0 ; if (MILLIS>=future5) { future5 = MILLIS + 1000 ; loop5(); MILLIS = millis() ; } //#8 1000 миллисекунд. Вывод на дисплей static uint32_t future8 = 0 ; if (MILLIS>=future8) { future8 = MILLIS + 1000 ; Display(); MILLIS = millis() ; } //#9 200 миллисекунд. Опрос кнопок и выдача команд на выполнение static uint32_t future9 = 0 ; if (MILLIS>=future9) { future9 = MILLIS + 200 ; Controls(); } }Спасибо за код.
Кто нибудь сможет подсказать как сделать курсор перемещающийся по пунктам (курсор "*" из первого поста). Придется перерисовывать весь экран чтобы изменить позицию? Или можно заменить символ "*" на "пробел в старой позиции и заменить "пробел" на "*" в новой?
На экране будет так:
MENU>SUBMENU1
*ON OFF AUTO
При нажатии кнопки "вправо" получаем:
MENU>SUBMENU1
ON *OFF AUTO
Ну да скорее всего так и будет. Для обновления положения курсора надо перерисовывать экран. Но есть хорошая новость. Так как человек видит и осознает медленно, то обновлять экран можно раз в 0,5-1 сек. Что в масштабах процессора вечность. Да и LCD 1602 это всего 32 знакоместа. Но то надо делать быстро. То есть переменые должны быть уже готовы к выводу, даже если это спец знаки и рисунки. А то некоторые уникумы выводят часть экрана, а потом довычисляют и выводят другую половину. Вот и происходит визуально как бы всплывание. И да курсор можно делать мигающим. Это когда один раз вывести " " пробел, другой "*". Можно в зависимости от режима выводить "." или " -". Но когда разрабатываешь меню прежде всего надо учитывать не только удобство программиста, но и пользователя.
ПС: Почему я не довел меню до конца. Так пока у меня не созрела необходимость в какое устройство его всунуть. Так что я просто прикидывал как такую задачу решать. Пока мне этого хватило.
Ну да скорее всего так и будет. Для обновления положения курсора надо перерисовывать экран. Но есть хорошая новость. Так как человек видит и осознает медленно, то обновлять экран можно раз в 0,5-1 сек. Что в масштабах процессора вечность. Да и LCD 1602 это всего 32 знакоместа. Но то надо делать быстро. То есть переменые должны быть уже готовы к выводу, даже если это спец знаки и рисунки. А то некоторые уникумы выводят часть экрана, а потом довычисляют и выводят другую половину. Вот и происходит визуально как бы всплывание. И да курсор можно делать мигающим. Это когда один раз вывести " " пробел, другой "*". Можно в зависимости от режима выводить "." или " -". Но когда разрабатываешь меню прежде всего надо учитывать не только удобство программиста, но и пользователя.
ПС: Почему я не довел меню до конца. Так пока у меня не созрела необходимость в какое устройство его всунуть. Так что я просто прикидывал как такую задачу решать. Пока мне этого хватило.
ты бы заглянул в файл keywords.txt библиотеки экрана, прежде чем нести ересь...
ты бы заглянул в файл keywords.txt библиотеки экрана, прежде чем нести ересь...
http://www.youtube.com/watch?v=smfylqeFHgY
ты бы заглянул в файл keywords.txt библиотеки экрана, прежде чем нести ересь...
http://www.youtube.com/watch?v=smfylqeFHgY
что-то, кроме print
Нет, я просто понял что вы меня послали, но очень тонко. Радует, что не заставили смотреть .exe файл.
смотреть .exe файл.
какой .exe файл, если .hex файл?
ты точно про дуино бредил?
Ну да скорее всего так и будет. Для обновления положения курсора надо перерисовывать экран. Но есть хорошая новость. Так как человек видит и осознает медленно, то обновлять экран можно раз в 0,5-1 сек.
А в чем сакральный смысл непрерывной перерисовки экрана? Ну вывели экран и ждем пока кто чего нажмет. Если лазит в пределах текущего меню - ну перерисовали два пункта - тот который был выделен до перемещения и тот который стал после. Если совсем влом думать - перерисовали поверху не вытерая старое. Но обновлять его раз в 0,5-1сек зачем?
Одна из причин. Вывод на экран можно организовать отдельным потоком, который не думает, что где подтереть и написать по верху,было ли изменение или нет. Обновилось раз в 0,5-1сек и порядок. Опять же таким образом проще менять разные типы экранов , не меняя программу. Что так и делается в Windows. Теряя в малом выигрываем в большом. Когда перешли на графические интерфейсы, то же часть программистов выло против этого.
Вывод на экран можно организовать отдельным потоком, который не думает, что где подтереть и написать по верху,было ли изменение или нет. Обновилось раз в 0,5-1сек и порядок. Опять же таким образом проще менять разные типы экранов , не меняя программу. Что так и делается в Windows.
В Windows так не делают. Не знаю ни одного DE или WM где так делалось. Обмен между прикладной программой и DE идет на уровне сообщений. Аналогично и обмен между DE и WM. А значит, перерисовываться будет только тот кусок экрана, для которого это понадобилось по двум причинам:
1. Само приложение пожелало что-то изменить в своем окне
2. То, что было ранее закрыто другим окном стало открыто и DE сам сообщил программе о необходимости перерисовки указанной зоны окна.
В рамках же GUI фреймворка, формирующего окно приложения, опять то же самое. Перерисовывается только измененный или новый элемент управления.
Другое дело, если весь наш индикатор считать одним контролом. Тогда да, можно перерисовывать его целиком. Но рамещать меню и несколько его пунктов в рамках одного контрола для любого фреймворка на компе - изврат )
ptr.Ну пока выходит так. Ну да возможно изврат. Но наши предки тоже ,глядя на потомков думают , что от избытка возможностей занимаются извратом. И да пока такая структура кажется мне перспективной. Дисплей+Контролы вполне могут создать нужную систему для общения с пользователем, не препятствуя работе устройства. Причем код легко переносим с одной программы на другую. Это мое мнение, и пока я не вижу альтернативы.
ptr.Ну пока выходит так. Ну да возможно изврат.
Я сказал "на компе изврат". Про МК не буду утверждать, так как ради экономии памяти или достижения требуемой производительности допустимы многие решения, не применяющиеся на компах.
Это мое мнение, и пока я не вижу альтернативы.
Альтернатива - через сообщения. Как в Windows. Просто строить на МК полноценную цепочку WM - DE - GUI framework смысла нет. Проще, как лет 20 назад, напрямую WM - framework. Если будет простейшая реализация X-Windows, то да, прикладная программа не будет завязана на конкретный дисплей.
Но это даже для символьных дисплеев не меньше недели работы. 8 часов проектирование, 24 программирования, 8 отладки и тестирования.
Раньше активно использовались клавиши управления курсором, а сейчас мышка. Но это вопрос не моды, а глобальной концепции. В чем разница. Нажатие на соответсвующую клавишу вызывало конкретный обработчик , который в данном приложении был определеный. А вот с мышкой иначе. Там не только в опреденое воздействие на мышку учавствует, но и положение на экране. Так что обработчики могут быть разные. А теперь конкретно по теме. Три клавиши ("+","-" и "Select") могут вызывать множество обработчиков событий если добавить к ним "номер экрана". Тогда и меню можно понятно изобразить на картинке (см.мои посты выше), и реализовать такое меню проще. Но для этого надо понимание моего подхода. Разумеется все можно реализовать иначе. Но тогда надо искать других "учителей" и разбираться самому.
Одна из причин. Вывод на экран можно организовать отдельным потоком, который не думает, что где подтереть и написать по верху,было ли изменение или нет. Обновилось раз в 0,5-1сек и порядок. Опять же таким образом проще менять разные типы экранов , не меняя программу.
хочу тебя огорчить в, отличии от твоей реальности потокого коня в вакууме, в настоящей реальности присутсвуют экраны отличающиеся от формата 16Х2.
как будет выглядеть код твоей программы, которая чего-то там не думает, на экраны не 16Х2 ?
Три клавиши ("+","-" и "Select") могут вызывать множество обработчиков событий если добавить к ним "номер экрана". Тогда и меню можно понятно изобразить на картинке (см.мои посты выше), и реализовать такое меню проще. Но для этого надо понимание моего подхода. Разумеется все можно реализовать иначе. Но тогда надо искать других "учителей" и разбираться самому.
какой-то поток шизоидного сознания и категоричной убеждённости, что ты чего-то там особое видишь в конце туннеля.
1. это мой подход, т.к. я три года тому написал себе первый велосипед меню, где меню представляло из себя нумерованый набор экранов, листаемое энкодером.
2. про корону учителя - даже комментиовать не желаю...
Нажатие на соответсвующую клавишу вызывало конкретный обработчик , который в данном приложении был определеный. А вот с мышкой иначе.
Вы заблуждаетесь. На прикладном уровне обработчик событий получает и при нажатии иконки, и при выборе пункта меню, одно и то же сообщение. Вне зависимости от того, выбрана была эта иконка или пункт меню с клавиатуры или мышью. Разница между мышью и клавиатурой есть на уровне DE и GUI framework.
Само собой, прикладной уровень может запросить и непосредственное получение сообщений с клавиатуры (скан коды) и с мыши. Живой пример - компьютерные игры, не использующие DE и имеющие свой framework, обычно 3D. Но это уже исключение, а не правило.
Другое дело, если весь наш индикатор считать одним контролом. Тогда да, можно перерисовывать его целиком. Но рамещать меню и несколько его пунктов в рамках одного контрола для любого фреймворка на компе - изврат )
/************************************************************************************************************* Процессор команд. Не является частью GUI, но через него поступают команды от обектов GUI в основную программу. /************************************************************************************************************* /* Обявление данных для процессора команд */ #define COMMAND_ARRAY_SIZE 8 #define COMMAND_NULL 0 #define DECLARE_COMMAND_PROCESS byte CommandStack[COMMAND_ARRAY_SIZE]; /* Цикл выполнения команд */ #define INIT_COMMAND_PROCESS {for(byte i_tmp_=0;i_tmp_<sizeof(CommandStack);i_tmp_++)CommandStack[i_tmp_]=COMMAND_NULL;} #define BEGIN_COMMAND CommandExec_: switch (CommandStack[0]){ #define END_COMMAND }{memcpy(&CommandStack[0],&CommandStack[1],sizeof(CommandStack)-1);CommandStack[sizeof(CommandStack)-1]=COMMAND_NULL;} /* Инициируем команду */ #define SET_COMMAND(a) {for(byte i_tmp_=0;i_tmp_<sizeof(CommandStack);i_tmp_++) if(CommandStack[i_tmp_]==COMMAND_NULL){CommandStack[i_tmp_]=a;break;}} #define GET_COMMAND CommandStack[0] extern DECLARE_COMMAND_PROCESS void SetCommand(byte cmd);Ну и пример
/**********************************************************************************************/ /* Обработка команд */ /**********************************************************************************************/ BEGIN_COMMAND case CMD_INIT: SetCommand(CMD_GET_REAL_DATATIME); //устанавливаем текущее время SetCommand(CMD_GET_TIMER_CHECK); //определяем состояния всех таймеров и находим переключившмеся устройства и их новые состояния SetCommand(CMD_OUT_DEV_CHANGE); // SetCommand(CMD_OUT_DEV_SPEED_INIT); // Инициируем вывод всех каналов на их текущме уровни быстро но не мгновенно break; case CMD_SECOND_INC: if(DateTime.sec>=59) { DateTime.sec=0; SetCommand(CMD_MINIT_INC); } ...END_COMMANDНо теперь я понял чего qwone считает меню сложным и "вертолетом". С его подходом - так и есть!
ПС. За то что предпочел не циклический буфер а сдвигаю меня уже пинали, больше не надо, на 8 элементах существенной разницы нет.
Да? Ну покажите мне код создания, наложения, удаления и конкуренции нескольких контролов на одном экране. Что бы проблемный уровень жил через сообщения и по сообщению перерисовывал ранее затертый кем-то его контрол.
Хотя бы два типа контролов сделайте: статический текст (движок может только инвертировать его) и динамический (движок сообщает прикладному уровню об активации и деактивации контрола, позволяя прикладному уровню сменить содержимое контрола).
Та сделано оно давно. Он их скока..
enum { EMPTY =0, PANEL , // может содержать несколько других обектов BUTTON, // просто кнопка с надписью BOX, // область ввода LIST, // многострочная область вывода с прокруткой CHECK, // флажек STATICTEXT, TEXT, NO_BORDER_PANEL, V_MENU, USER_BOX, USER_TEXT, //вызывается callback для вывода текста или возвращения указателя на строку };И меню там среди них.
Все через сообщения, с тачпадом, с перекрытиями (кстати совсем не оправдалось, экран мелкий и каждое окно всеравно во весь экран, разве что виртуальную клавиатуру цифровую в пол экрана) c перерисовкой и т.д. Про конкуренцию контролов... э ну тут специфика, их хочется держать в PROGMEM, по крайней мере основную часть каждого контрола, выделяя немного ОЗУ, в нем переменные описывающие динамические св-ва ну и Z-последовательность. В общем оно есть но большая специфика из-за статичности контролов.
В работе уже выкладывал http://arduino.ru/forum/obshchii/avtomatizatsiya-akvariuma#comment-222580
А весь код -ну наверно могу, но не за спасибо.
Понятно что все это писалось не за час, GUI штука сложная, но очередь сообщений вобщем даже не её часть, она самоценна и самодостаточна, а вот GUI без очереди я не представляю (иначе не писал бы все это).
А очередь сообщений именно дето час. А как я писал императивная реализация меню, и системы в целом от аналогичной реализации на сообщениях отличаются только очередью, (ну и хранением данных, но это уже глубоко спецефично). А контролы всеравно реализовывать хоть так, хоть так.
#define END_COMMAND }{memcpy(&CommandStack[0],&CommandStack[1],sizeof(CommandStack)-1);CommandStack[sizeof(CommandStack)-1]=COMMAND_NULL;}
Строго говоря, это ошибка. Для перекрывающихся областей памяти следует использовать memmove()
А еще лучше не гонять память, а организовать кольцевую очередь сообщений
Строго говоря, это ошибка. Для перекрывающихся областей памяти следует использовать memmove()
Я то знаю как стандартная memcpy работает, и то что в данном варианте она сработает верно не сомниваюсь, а при иных вариантах перекрытия могут быть проблемы с memcpy, это да. Про историю когда её доработали недавно я в курсе.
А еще лучше не гонять память, а организовать кольцевую очередь сообщений
Ну вот ))))
ПС. За то что предпочел не циклический буфер а сдвигаю меня уже пинали, больше не надо, на 8 элементах существенной разницы нет.
Строго говоря, это ошибка. Для перекрывающихся областей памяти следует использовать memmove()
Я то знаю как стандартная memcpy работает, и то что в данном варианте она сработает верно не сомниваюсь
Видимо не знаете. В стандарте явно оговорено: "If the objects overlap, the behavior is undefined."
Аналогично и для GCC/Linux: "The memory areas must not overlap. Use memmove(3) if the memory areas do overlap."
А то, что Вам повезло и эта реализация функции memcpy при данном выравнивании параметров отработала так, как Вы хотели, еще ни о чем не говорит. Она имеет права копировать не с начала, а с конца. Не с первого байта, а первой граница слова (например, 2 байта). Она может вообще часть скопировать программно, а часть - через DMA.
Иными словами, после обновления CLIB для Вашей платформы или при переносе этого кода на другую платформу, можете неожиданно получить затирание Вашей очереди.
Ну вот ))))
Прошу прощения. Больше не буду )
Иными словами, после обновления CLIB для Вашей платформы или при переносе этого кода на другую платформу, можете неожиданно получить затирание Вашей очереди.
Вы наверно пропустили эту битву титанов. ))) http://avva.livejournal.com/2323823.html
Я слишкомм мелок, чтоб занимать там какую-то стороно ))) У меня просто оно работает.
Что работает последние 40 лет, лучше не трогать )). Стандарт де-факто называется.
Иными словами, после обновления CLIB для Вашей платформы или при переносе этого кода на другую платформу, можете неожиданно получить затирание Вашей очереди.
Вы наверно пропустили эту битву титанов. ))) http://avva.livejournal.com/2323823.html
Я слишкомм мелок, чтоб занимать там какую-то стороно ))) У меня просто оно работает.
Что работает последние 40 лет, лучше не трогать )). Стандарт де-факто называется.
Как это пропустил? Явно же сказано, если хотите быстро, то пользуйтесь memcpy(), но учтите, что перекрытие она не отследит. И заметьте, тех, кто наплевал на то, что оговорено в стандарте - единицы!
Там же проблема куда глубже, если вспомнить, что программа работает с виртуальными адресами, а DMA - с реальными. То есть, если у нас пересылаемая область память занимает несколько страниц памяти, то DMA будет их пересылать в порядке возрастания физических адресов, который может оказаться даже противоположен порядку возрастания виртуальных адресов. То есть, первая страница источника в виртуальных адресах может быть последней в физических и, в итоге, быть скопированой последней.
Скажем так, еще в 90-х, будучи руководителем отдела разработки, стучал лично по голове тех своих сотрудников, которые использовали memcpy() там, где нужно использовать memmove().
Если Вам действительно не существенно быстродействие, никто не запрещает макрос себе написать:
Зато будете уверены, что Ваш код всегда будет работать.
На данный момент, для AVR используется memcpy.h из generic ветки glibc. И кто Вам даст гарантии, что завтра это не изменится? Будете тогда в "битве титанов" участвовать? )
Не. не буду. Хотя конечно прикольно бы было запостить "Я и Торвальд считаем" ;)
то пользуйтесь memcpy(), но учтите, что перекрытие она не отследит.
Там же проблема куда глубже, если вспомнить, что программа работает с виртуальными адресами, ...
Если Вам действительно не существенно быстродействие
Существенно. Оставим встороне вопрос что в данном примере разницу и под микроскопом не заметна.
Зато будете уверены, что Ваш код всегда будет работать.
На данный момент, для AVR используется memcpy.h из generic ветки glibc. И кто Вам даст гарантии, что завтра это не изменится?
"Моя плякала"))) Откуда столько оптимизма при наличии опыта? Легкое подозрение что код вероятно работает в рамках ТЗ возникает при передче QA, после их положительного тестирования код скорей соответствует ТЗ чем нет, хороше если нашли ошибки - значить действительно тестировали. После передачи заказчику при отсутствии замечаний вероятность успеха не изменяется, т.к. скорей всего его просто не используют. При наличии замечаний можна принять что код ограничено рабочий, с учетом этих замечаний и невыявленых проблем, и только спустя месяцы-годы годы можна утверждать что наличествующие в коде ошибки не влияют на используемый функционал, заметим, не на соответствие ТЗ и ТО. Таковы реалии. Слов "Ваш код всегда будет работать" и "кто Вам даст гарантии" в ИТ нету, это из профессионального наречия маркетологов. В ИТ обычно "Работает - не трогай" и "не тестировано - значить не работает". Я знаю что при желании во всех стандартах (один TCP/IP чего с его флагами чего стоит) можно наковырять массу "моментов" с помощю которых поламать все оставаясь формально в рамках стандарта. Нормальный, понятно на это не пойдет, но "в семе не без урода", желание ускорится на "нольцелыххрендесятых" ради маркетинга приводит к тому что увереным и "всегда" - не получится. Но на это и других причин валом.
Что конкретно буду делать если gcc последует дурному примеру. Ясно дело - макросы повписываю. Трудозатраты минимальные. Главное чтоб при появлении новых версия четко и громко заявлялось о изменениях.
Кстати последователей федоровской инициативы не нашлось больше, а 5 лет прошл.
ПС. Мы сильно ушли от темы ТС.
Как раз наоборот, все строго по законам Мерфи. Если что может случиться - оно случиться обязательно. Хотя "Мерфи был оптимистом"... )
Потому я никогда не пишу код в рассчете на то, что что-то не произойдет и оно и так проскочит. Чего и Вам советую. Не хотите - Ваше дело. Для меня и Вас это было бы действительно важно, только если решался вопрос, брать мне Вас к себе команду на работу или нет. Как я уже писал выше, программиста настаивающего на использовании не надежных в данном контексте функций я бы не взял )
А я к Вам и не пойду )))
Потому я никогда не пишу код в рассчете на то, что что-то не произойдет и оно и так проскочит.
На что Вы расчитываете это одно, а вот что получается на самом деле это другое. ))) Больше реализма! Про разработчиков пишущих без ошибок слышал, про инопланетян - тоже. Вот только почемуто не видел ни того не другого. То, что нада старатся учитывать все исходы - очевидно, но так же не менее очевидно что это невозможно в принципе. И работать в команде не осознающей последнее - это деградировать. Стадию написания "идеального софта" как и все я прошел ещё студентом.
Ой блин.Ну и договорились. Абсолютного надежного кода не существует.И нет гарантии что этот код не заглючит после какого-то обновления. Так что работа программиста это скорее всего написание заплаток на ранее рабочую программу. Опять же не надо делать из себя царя, того возьму, а того нет. Чаще всего есть заказ, есть деньги приходится искать помошников, если самостоятельно не получится писать, а заказчику надо сдавать хотя бы демо код. Вы думаете что если сюда с заказом придете и к вам очередь постоется. Ага счаз. Даже за деньги. Людой код всегда надо проверять в железе. А при дистанционом не у всех получится собрать даже макет.