Суточный термостат для газового котла

Jeka_M
Jeka_M аватар
Offline
Зарегистрирован: 06.07.2014

eXL пишет:

Все с сайта Arduino.cc

Какой пихать то ?

Я не в курсе, какую из этих библиотек использовал автор скетча.

P.S. Много сторонних бибилотек может и не быть на Arduino.cc, а только на гитхабе.

eXL
Offline
Зарегистрирован: 23.07.2017

eXL пишет:

Используем библиотеку RealTimeClockDS1307 в папке: C:\Electronics\Arduino\libraries\RealTimeClockDS1307 Используем библиотеку EEPROMEx версии 1.0.0 из папки: C:\Electronics\Arduino\libraries\EEPROMEx

Но после того как я их сюда запихиваю компилятор начинает их видеть.

eXL
Offline
Зарегистрирован: 23.07.2017

Теперь вроде все библиотеки есть, но опять не слава богу, какая то ошибка в библиотеке -

C:\Electronics\Arduino\libraries\DS1307RTC/DS1307RTC.h:36:18: error: conflicting declaration 'DS1307RTC RTC'

 extern DS1307RTC RTC;

                  ^

In file included from C:\skech\skech.ino:13:0:

C:\Electronics\Arduino\libraries\RealTimeClockDS1307/RealTimeClockDS1307.h:118:28: note: previous declaration as 'RealTimeClockDS1307 RTC'

 extern RealTimeClockDS1307 RTC;

                            ^

Используем библиотеку Wire версии 1.0 из папки: C:\Electronics\Arduino\hardware\arduino\avr\libraries\Wire
Используем библиотеку RealTimeClockDS1307 в папке: C:\Electronics\Arduino\libraries\RealTimeClockDS1307 (legacy)
Используем библиотеку EEPROMEx версии 1.0.0 из папки: C:\Electronics\Arduino\libraries\EEPROMEx
Используем библиотеку LiquidCrystal версии 1.0.7 из папки: C:\Electronics\Arduino\libraries\LiquidCrystal
Используем библиотеку TimerOne версии 1.1 из папки: C:\Electronics\Arduino\libraries\TimerOne
Используем библиотеку DS1307RTC версии 1.4 из папки: C:\Electronics\Arduino\libraries\DS1307RTC
Используем библиотеку TimeLib версии 1.5 из папки: C:\Electronics\Arduino\libraries\TimeLib
Используем библиотеку OneWire в папке: C:\Electronics\Arduino\libraries\OneWire (legacy)
Используем библиотеку DallasTemperature версии 3.8.0 из папки: C:\Electronics\Arduino\libraries\DallasTemperature
exit status 1
Ошибка компиляции для платы Arduino Pro or Pro Mini.

eXL
Offline
Зарегистрирован: 23.07.2017

extern RealTimeClockDS1307 RTC;

                            ^

Что это за ошибка ?

demonik-13
Offline
Зарегистрирован: 22.12.2016

TO: bagotu; MaKo. Давненько не заходил. Сейчас накидаю.

demonik-13
Offline
Зарегистрирован: 22.12.2016
//#include <avr\eeprom.h>
#include <Wire.h> // i2c (для RTC)
#include <RealTimeClockDS1307.h> // RTC
#include <EEPROMex.h> // EE
#include <LiquidCrystal_I2C.h> // LCD 16*2
#include <TimerOne.h> // прерывания по таймеру1
 
#include <OneWire.h> // 1wire для DS18B20
#include <DallasTemperature.h> // DS18B20

//радио модуль
#include <SPI.h>
#include "RF24.h"

int msg[1];
// Set up nRF24L01 radio on SPI bus plus pins 9 & 10 
//Контакты от радиомодуля NRF24L01 подключаем к пинамнам -> Arduino
//SCK  -> 13
//MISO -> 12
//MOSI -> 11
//CSN  -> 10
//CE   -> 9
RF24 radio(9,10);
// адреса каналов приема и передачи
const uint64_t pipes[2] = {
  0xF0F0F0F000LL, 0xF0F0F0F0FFLL};
//пин реле
int buttonPin1 = 6;
 
#define ONE_WIRE_BUS A1
OneWire oneWire(ONE_WIRE_BUS);
DallasTemperature DS18B20(&oneWire);
DeviceAddress DS18B20Address;
 
#define encoderA    2 // энкодер - поворот вправо (об землю)
#define encoderB    3 // энкодер - поворот влево (об землю)
#define encoderK    4 // энкодер - кнопка (об землю)
#define BeepPin     5 // пищалка
#define BeepToneNo  2000 // тон звука "No", герц
#define BeepToneYes 4000 // тон звука "Yes", герц
#define BeepToneNoDuration 200 // длительность звука "No", мс
#define BeepToneYesDuration 200 // длительность звука "Yes", мс
#define Relay  6 // нога, к которой подключено реле
#define RelayOn HIGH // полярность сигнала включения реде (HIGH/LOW)
 
// LCD
LiquidCrystal_I2C lcd(0x27,16,2);
 
byte block1[8] = {
  0x06,0x09,0x09,0x06,0x00,0x04,0x0E,0x1F }; // значок градуса с пламенем снизу
byte block2[8] = {
  0x06,0x09,0x09,0x06,0x00,0x00,0x00,0x00 }; // значок градуса
 
//#define serialenabled // раскомментировать для выдачи в порт отладочной инфы
 
#define TstatTimerMax 20 //минимальная пауза между включениями горелки, сек
unsigned int TstatTimer = 10; //таймер паузы между включениями/выключениями, начальная установка 20 сек для устаканивания системы после сброса
 
float DS18B20Temperature = 0; //сырая температура от датчика
float Temperature = 0; //вычисленная температура с коррекцией
float DS18B20TempTmp; //времянка
byte DS18B20iteration = 0; //счётчик измерений температуры для усреднения
 
float TstatTemp = 22; //температура термостатирования, может изменяться настройками
float TemperatureCorr = 0; //коррекция температуры, может изменяться настройками
float Hysteresis = 0.1; // гистерезис термостата, может изменяться настройками
float HysteresisOld;
 
int Hours = 0; // времянка часов RTC для отображения и установки
int Minutes = 0; // времянка минут RTC для отображения и установки
int Seconds;
boolean PrintYesNo = false; // показывать ли после времени Yes/No (косвенно - указание на режим установка/отображение)
boolean SetH = false; // выделение часов при отображении
boolean SetM = false; // выделение минут при отображении
boolean SetYesNo = false; // выделение Yes/No при установке часов
 
boolean blink500ms = false; // мигающий бит, инвертируется каждые 500мс
boolean plus1sec = false; // ежесекундно взводится
 
boolean BeepEnabled = true;
 
byte MenuTimeoutTimer;
 
// структура для суточных таймеров (8 байт)
struct buffer_template {
  byte Hours;
  byte Minutes;
  float Temperature;
  boolean Enabled;
  boolean Activated;
};
buffer_template Timer[4] = {
  0, 0, 23.0, false, false}; //объявление 4-х суточных таймеров и их начальные значения
 
float AlarmTemp = 20; // температура для замерзательного орала
 
// encoder vars
static boolean rotating=false;      // debounce management
boolean A_set = false;             
boolean B_set = false;
boolean encoderR = false;
boolean encoderL = false;
 
// EEPROM
EEMEM float TstatTempEE; //EE температура термостатирования
EEMEM float TemperatureCorrEE; // EE коррекция температуры
EEMEM float HysteresisEE; // EE гистерезис
EEMEM boolean BeepEnabledEE; // EE признак разрешения звука
EEMEM float AlarmTempEE; // EE значение недопустимого снижения температуры
EEMEM buffer_template TimerEE[4]; // EE структуры для 4 суточных таймеров
 
// ===== SETUP ========================================================================
void setup() {
 
#ifdef serialenabled
  Serial.begin(9600);
#endif
  pinMode(Relay, OUTPUT);
  digitalWrite(Relay, HIGH);
  lcd.init();
  lcd.createChar(1, block1);
  lcd.createChar(2, block2);
  pinMode(encoderA, INPUT);
  digitalWrite(encoderA, HIGH);
  pinMode(encoderB, INPUT);
  digitalWrite(encoderB, HIGH);
  pinMode(encoderK, INPUT);
  digitalWrite(encoderK, HIGH);
  attachInterrupt(0, doEncoderA, CHANGE);   // encoder pin on interrupt 0 (pin 2)
  attachInterrupt(1, doEncoderB, CHANGE);  // encoder pin on interrupt 1 (pin 3)
  Timer1.initialize(500000); // Timer0 interrupt - set a timer of length 500000 microseconds
  Timer1.attachInterrupt( timerIsr ); // attach the service routine here
  EEPROM.setMaxAllowedWrites(32767);
  if ((digitalRead(encoderK)) == 0)
  { // если первая запись однокристалки (зажата кнопка при включении питания)- записать начальные значения в EE
    lcd.setCursor(0, 0); //инфо на LCD
    lcd.print(F("Cold start..."));
    for (int i=0; i<4; i++)
    {
      //      Timer[i].Hours = Timer[i].Minutes = 0;
      //      Timer[i].Temperature = 23.0;
      //      Timer[i].Enabled = Timer[i].Activated = false;
      EEPROM.updateBlock(int(&TimerEE[i]), Timer[i]);
    }
    EEPROM.updateFloat(int(&TstatTempEE), TstatTemp);
    EEPROM.updateByte(int(&BeepEnabledEE), BeepEnabled);
    EEPROM.updateFloat(int(&TemperatureCorrEE), TemperatureCorr);
    EEPROM.updateFloat(int(&HysteresisEE), Hysteresis);
    EEPROM.updateFloat(int(&AlarmTempEE), AlarmTemp);
    tone(BeepPin,2000,50);
    delay(50);
    tone(BeepPin,3000,50);
    delay(50);
    tone(BeepPin,4000,50);
    delay(1000); 
  }
  lcd.clear();
  lcd.setCursor(0, 0); //инфо на LCD
  lcd.print(F("Read settings..."));
  BeepEnabled = EEPROM.readByte(int(&BeepEnabledEE));
  TstatTemp = EEPROM.readFloat(int(&TstatTempEE));
  TemperatureCorr = EEPROM.readFloat(int(&TemperatureCorrEE));
  Hysteresis = EEPROM.readFloat(int(&HysteresisEE));
  AlarmTemp = EEPROM.readFloat(int(&AlarmTempEE));
  for (int i=0; i<4; i++)
  {
    EEPROM.readBlock(int(&TimerEE[i]), Timer[i]);
  }
 
  DS18B20.begin();
  DS18B20.getAddress(DS18B20Address, 0);
  DS18B20.setResolution(DS18B20Address, 12);
  DS18B20.setWaitForConversion(false);
  DS18B20.requestTemperatures();
 
  tone(BeepPin,4000,50);
  delay(100); 
  tone(BeepPin,4000,50);
  delay(1000); 
  lcd.clear();
  RTC.start();

// Инициализация радио модуля
  radio.begin();  
  radio.setDataRate(RF24_250KBPS); // Скорость передачи
  radio.setChannel(100); // Номер канала от 0 до 127
  radio.setRetries(15,15); // Кол-во попыток и время между попытками
  radio.openWritingPipe(pipes[1]);  // Открываем канал передачи
  radio.openReadingPipe(1, pipes[0]); // Открываем один из 6-ти каналов приема
  radio.startListening(); // Начинаем слушать эфир 
}
 
// ===== MAIN CYCLE ===================================================================
void loop() {
  lcd.setCursor(8, 0); //инфо на LCD
  if ((Temperature < AlarmTemp)&(blink500ms)) {
    lcd.print(F("*"));
  }
  else {
    lcd.print(F(" "));
  }
  lcd.print(F("t="));
  if (Temperature < 10) {
    lcd.print(F(" "));
  }
  lcd.print(Temperature,1);
  lcd.write(0x02); // значок градуса
 
  // если таймер включен - надпись светится, если сработал - мигает, обрабатываем все 4 таймера
  lcd.setCursor(0, 1); //инфо на LCD
  for (int i=0;i<4;i++){
    if ((Timer[i].Enabled)&!((Timer[i].Activated)&(blink500ms))) {
      lcd.print(F("T"));
      lcd.print(i+1);
    }
    else {
      lcd.print(F("  "));
    }
  }
 
  lcd.setCursor(9, 1); //инфо на LCD
  lcd.print(F("s="));
  lcd.print(TstatTemp,1);
  if ( digitalRead(Relay) == RelayOn ) {
    lcd.write(0x01); // значок градуса с пламенем
  }
  else {
    lcd.write(0x02); // значок градуса
  }
 
  // печатаем текущее время
  PrintYesNo = false;
  PrintRTC(0,0);
 
  // термостатирование
  if ( TstatTimer == 0 )
  {
    if ( Temperature > ( TstatTemp + Hysteresis ) ) // гистерезис
    {
      if ( digitalRead(Relay) == RelayOn ) // если горелка включена -
      {
        digitalWrite(Relay, !RelayOn); // выключить горелку
        TstatTimer = TstatTimerMax; // горелку держать выключённой не менее заданного в TstatTimerMax времени
      }
    }
    if (Temperature < TstatTemp)
    {
      if ( digitalRead(Relay) == !RelayOn ) // если горелка выключена -
      {
        digitalWrite(Relay, RelayOn); // включить горелку
        TstatTimer = TstatTimerMax; // горелку держать включённой не менее заданного в TstatTimerMax времени
      }
    }
  }
 
  // если прошла 1 секунда - делаем ежесекундные дела
  if (plus1sec) {
    plus1sec = false; // сбрасываем до следующей секунды
    // обновляем часы
    RTC.readClock();
    Hours=RTC.getHours();
    Minutes=RTC.getMinutes();
    Seconds=RTC.getSeconds();
 
    // измеряем температуру воздуха
    DS18B20TempTmp = DS18B20.getTempCByIndex(0); // получить температуру от датчика
    DS18B20.requestTemperatures();  // запустить новое измерение
    if (DS18B20TempTmp != -127)
    {
      DS18B20Temperature += DS18B20TempTmp; // суммируем для усреднения
      DS18B20iteration ++;
      if (DS18B20iteration == 10)
      {
        DS18B20iteration = 0;
        Temperature = (DS18B20Temperature / 10) + TemperatureCorr; //усреднённая + коррекция
        DS18B20Temperature = 0;
      }
    }
 
    // если уставку термостата поменяли вручную - запись её в EE, не чаще 1 раза в минуту
    //(экономия ресурса EE)
    if ((EEPROM.readFloat(int(&TstatTempEE)) != TstatTemp)&(Seconds == 0)) {
      EEPROM.updateFloat(int(&TstatTempEE), TstatTemp);
    }
 
    // проверка таймеров и изменение уставки термостата при совпадении 
    for (int i=0;i<4;i++)
    {
      if ((Hours == Timer[i].Hours)&(Minutes == Timer[i].Minutes)&(Timer[i].Enabled)&(Seconds == 0)) { // время T совпадает с RTC
      Timer[0].Activated = Timer[1].Activated = Timer[2].Activated = Timer[3].Activated = false;
        Timer[i].Activated = true;
        TstatTemp = Timer[i].Temperature;
        EEPROM.updateFloat(int(&TstatTempEE), TstatTemp);
        if (BeepEnabled) {
          tone(BeepPin,4000,5);
        }
        break; // это чтобы статус Activated остался взведённым
      }
    }
 
    // дебаг-инфо - в терминал
#ifdef serialenabled
    Serial.print(F("Temp="));
    Serial.print(Temperature, 1);
    Serial.print(F("("));
    Serial.print(DS18B20Temperature, 4);
    Serial.print(F(",corr "));
    Serial.print(TemperatureCorr, 1);
    Serial.print(F("),TstatTimer="));
    Serial.println(TstatTimer);
#endif
 
    if (Temperature < AlarmTemp) {
      tone(BeepPin,4000,5);
    }
  }
 
  // обработка поворота энкодера на лету (ручное изменение уставки температуры))
  rotating = true;  // reset the debouncer
  if ((encoderR)|(encoderL)) {
    if (encoderR) {
      TstatTemp += 0.1;
    }
    else
    {
      TstatTemp -= 0.1;
    }
    TstatTemp = constrain(TstatTemp, 10, 35);
    encoderR = false;
    encoderL = false;
    Timer[0].Activated = Timer[1].Activated = Timer[2].Activated = Timer[3].Activated = false;
  }
 
  // ================ по нажатию кнопки энкодера - меню настроек ====================
  if(digitalRead(encoderK) == 0) {
    MenuTimeoutTimer = 10; //таймер таймаута, секунд
    lcd.clear();
    lcd.setCursor(0, 0); //инфо на LCD
    lcd.print(F("< SETUP >")); 
    if (BeepEnabled) {
      tone(BeepPin,4000,50);
    }
    delay(200);
    int menuitem = 0;
 
    do {
      rotating = true;  // reset the debouncer
      if ((encoderR)|(encoderL)) {
        MenuTimeoutTimer = 10; //таймер таймаута, секунд
        if (encoderR) {
          menuitem += 1;
        }
        else  {
          menuitem -= 1;
        }
        if ( menuitem > 9 ) {
          menuitem = 0;
        } // границы пунктов меню
        if ( menuitem < 0 ) {
          menuitem = 9;
        }
        encoderR = false;
        encoderL = false;
      }
 
      // индикация пункта меню (номер пункта - в menuitem)
      lcd.setCursor(0, 1); //инфо на LCD
      switch(menuitem)
      {
      case 0:
        lcd.print(F("0.BACK          ")); 
        break;
      case 1:
        lcd.print(F("1.TIMER1 SET    ")); 
        break;
      case 2:
        lcd.print(F("2.TIMER2 SET    ")); 
        break;
      case 3:
        lcd.print(F("3.TIMER3 SET    ")); 
        break;     
      case 4:
        lcd.print(F("4.TIMER4 SET    ")); 
        break;     
      case 5:
        lcd.print(F("5.CLOCK SET     ")); 
        break;
      case 6:
        lcd.print(F("6.HYSTERESIS SET")); 
        break;
      case 7:
        lcd.print(F("7.T-CORRECT SET ")); 
        break;
      case 8:
        lcd.print(F("8.SOUND SET     ")); 
        break;
      case 9:
        lcd.print(F("9.T-ALARM SET   ")); 
        break;     
      }
      if (MenuTimeoutTimer == 0) {
        menuitem = 0;
      }
 
    }
    while ((digitalRead(encoderK)==1)|(MenuTimeoutTimer==0));
    // если нажата кнопка энкодера или таймаут - обработка пункта меню (номер пункта - в menuitem)
    if (BeepEnabled) {
      tone(BeepPin,4000,50);
    }
    switch(menuitem)
    {
      // ====== пункт 0 - выход
    case 0:
      if (BeepEnabled) {
        tone(BeepPin,BeepToneNo,BeepToneNoDuration);
      } //звук "NO"
      break; // case 0 out
 
      // ====== пункт 1 - установка Timer1
    case 1:
      TimerXSetup(0);
      break; // case 1 out
 
      // ====== пункт 2 - установка Timer2
    case 2:
      TimerXSetup(1);
      break; // case 2 out
 
      // ====== пункт 3 - установка Timer3
    case 3:
      TimerXSetup(2);
      break; // case 3 out
 
      // ====== пункт 4 - установка Timer4
    case 4:
      TimerXSetup(3);
      break; // case 4 out
 
      // ====== пункт 5 - установка RTC
    case 5:
      MenuTimeoutTimer = 10; //таймер таймаута, секунд
      lcd.clear();
      lcd.setCursor(0, 0); //инфо на LCD
      lcd.print(F("SETUP CLOCK")); 
      delay(200);
      RTC.readClock();
      Hours=RTC.getHours();
      Minutes=RTC.getMinutes();
      SetYesNo = false;
      PrintYesNo = true;
      SetTime(0,1); // в позиции 0,1 - запрос ввода времени
      if (MenuTimeoutTimer != 0) {
        if (SetYesNo)
        {
          if (BeepEnabled) {
            tone(BeepPin,BeepToneYes,BeepToneYesDuration); //звук "YES"
          }
          RTC.setHours(Hours);
          RTC.setMinutes(Minutes);
          RTC.setSeconds(0);
          RTC.setClock();
          RTC.start();
        }
        else
        {
          if (BeepEnabled) {
            tone(BeepPin,BeepToneNo,BeepToneNoDuration); //звук "NO"
          }
        }
      }
      else {
        if (BeepEnabled) {
          tone(BeepPin,BeepToneNo,BeepToneNoDuration); //звук "NO"
        }
      }
      break; // case 5 out
 
      // ====== пункт 6 - установка гистерезиса
    case 6:
      MenuTimeoutTimer = 10; //таймер таймаута, секунд
      HysteresisOld = Hysteresis;
      lcd.clear();
      lcd.setCursor(0, 0); //инфо на LCD
      lcd.print(F("SETUP HYSTERESIS")); 
      delay(200);
      do {
        lcd.setCursor(0,1);
        if (blink500ms) {
          lcd.print("   "); 
        }
        else {
          lcd.print(Hysteresis, 1); 
          lcd.write(0x02); // значок градуса
        }
        rotating = true;  // reset the debouncer
        if (encoderR) {
          Hysteresis += 0.1;
          encoderR = false;
        }
        if (encoderL) {
          Hysteresis -= 0.1;
          encoderL = false;
        }
        Hysteresis = constrain(Hysteresis, 0.1, 1); // крайние значения
      }
      while ((digitalRead(encoderK)==1)|(MenuTimeoutTimer==0));
      if (MenuTimeoutTimer != 0) {
        EEPROM.updateFloat(int(&HysteresisEE), Hysteresis); // запись в ЕЕПРОМ
        if (BeepEnabled) {
          tone(BeepPin,BeepToneYes,BeepToneYesDuration); //звук "YES"
        }
      }
      else {
        Hysteresis = HysteresisOld;
        if (BeepEnabled) {
          tone(BeepPin,BeepToneNo,BeepToneNoDuration); //звук "NO"
        }
      }
      break; // case 6 out
 
      // ====== пункт 7 - установка коррекции температуры
    case 7:
      MenuTimeoutTimer = 10; //таймер таймаута, секунд
      lcd.clear();
      lcd.setCursor(0, 0); //инфо на LCD
      lcd.print(F("SETUP T-CORRECT ")); 
      delay(200);
      do {
        lcd.setCursor(0,1);
        if (blink500ms) {
          lcd.print(F("    ")); 
        }
        else {
          if (TemperatureCorr >= 0) {
            lcd.print(F("+"));
          }
 
          lcd.print(TemperatureCorr, 1); 
          lcd.write(0x02); // значок градуса
        }
        rotating = true;  // reset the debouncer
        if (encoderR) {
          TemperatureCorr += 0.1;
          encoderR = false;
        }
        if (encoderL) {
          TemperatureCorr -= 0.1;
          encoderL = false;
        }
        TemperatureCorr = constrain(TemperatureCorr, -8, 8); // крайние значения
      }
      while ((digitalRead(encoderK)==1)|(MenuTimeoutTimer==0));
 
      if (MenuTimeoutTimer != 0) {
        EEPROM.updateFloat(int(&TemperatureCorrEE), TemperatureCorr); // запись в ЕЕПРОМ
        if (BeepEnabled) {
          tone(BeepPin,BeepToneYes,BeepToneYesDuration); //звук "YES"
        }
      }
      else {
        TemperatureCorr = EEPROM.readFloat(int(&TemperatureCorrEE));
        if (BeepEnabled) {
          tone(BeepPin,BeepToneNo,BeepToneNoDuration); //звук "NO"
        }
      }
      break; // case 7 out     
 
      // ====== пункт 8 - вкл/выкл звука
    case 8:
      MenuTimeoutTimer = 10; //таймер таймаута, секунд
      lcd.clear();
      lcd.setCursor(0, 0); //инфо на LCD
      lcd.print(F("SOUND SET       ")); 
      delay(200);
      do {
        lcd.setCursor(0,1);
        if (BeepEnabled) {
          lcd.print(F("BEEP ON         ")); 
        }     
        else {
          lcd.print(F("BEEP OFF        ")); 
        }
 
        rotating = true;  // reset the debouncer
        if ((encoderR)|(encoderL)) {
          BeepEnabled = !BeepEnabled;
          encoderR = false;
          encoderL = false;
        }
      }
      while ((digitalRead(encoderK)==1)|(MenuTimeoutTimer==0));
 
      if (MenuTimeoutTimer != 0) {
        if (BeepEnabled) {
          tone(BeepPin,BeepToneYes,BeepToneYesDuration); //звук "YES"
        }
        EEPROM.updateByte(int(&BeepEnabledEE), BeepEnabled);
      }
      if (MenuTimeoutTimer == 0) {
        BeepEnabled = EEPROM.readByte(int(&BeepEnabledEE));
      }
      break; // case 8 out
 
      // ====== пункт 9 - установка предупреждалки о холоде
    case 9:
      MenuTimeoutTimer = 10; //таймер таймаута, секунд
      lcd.clear();
      lcd.setCursor(0, 0); //инфо на LCD
      lcd.print(F("ALARM-TEMP SET  ")); 
      delay(200);
      do {
        lcd.setCursor(0,1);
        if (blink500ms) {
          lcd.print(F("    ")); 
        }
        else {
          if (AlarmTemp >= 0) {
            lcd.print(F("+"));
          }
 
          lcd.print(AlarmTemp, 0); 
          lcd.write(0x02); // значок градуса
        }
        rotating = true;  // reset the debouncer
        if (encoderR) {
          AlarmTemp += 1;
          encoderR = false;
        }
        if (encoderL) {
          AlarmTemp -= 1;
          encoderL = false;
        }
        AlarmTemp = constrain(AlarmTemp, 15, 30); // крайние значения
      }
      while ((digitalRead(encoderK)==1)|(MenuTimeoutTimer==0));
 
      if (MenuTimeoutTimer != 0) {
        EEPROM.updateFloat(int(&AlarmTempEE), AlarmTemp); // запись в ЕЕПРОМ
        if (BeepEnabled) {
          tone(BeepPin,BeepToneYes,BeepToneYesDuration); //звук "YES"
        }
      }
      else {
        AlarmTemp = EEPROM.readFloat(int(&AlarmTempEE));
        if (BeepEnabled) {
          tone(BeepPin,BeepToneNo,BeepToneNoDuration); //звук "NO"
        }
      }
      break; // case 9 out
 
    }
 
    delay(200);
    lcd.clear();
  }

// Проверяем команду на горелку и отправляем радио сигнал
//пока кнопка (buttonPin1)нажата отправляем пакет (111)в Arduino №2
  if (digitalRead(buttonPin1) == HIGH){ 
    msg[0] = 111;
    radio.stopListening(); 
    radio.write(msg, 1);
    radio.startListening();
  }
  if (digitalRead(buttonPin1) == LOW){ 
    msg[0] = 000;
    radio.stopListening(); 
    radio.write(msg, 1);
    radio.startListening();
  }  
}
 
// ===== SUBROUTINES ==================================================================
 
// ========================================
void SetTime(char x, char y)
{
  // ========= set hours
  SetH = true;
  do {
    PrintRTC(x,y);
    rotating = true;  // reset the debouncer
    if (encoderR) {
      Hours += 1;
      if(Hours > 23) {
        Hours = 0;
      };
      encoderR = false;
    }
    if (encoderL) {
      Hours -= 1;
      if(Hours < 0) {
        Hours = 23;
      };
      encoderL = false;
    }
  }
  while ((digitalRead(encoderK)==1)|(MenuTimeoutTimer==0));
  if (BeepEnabled) {
    tone(BeepPin,4000,50); //звук "YES"
  }
  SetH = false;
  delay(200);
  // ========= set minutes
  SetM = true;
  do {
    PrintRTC(0,1);
    rotating = true;  // reset the debouncer
    if (encoderR) {
      Minutes += 1;
      if(Minutes > 59) {
        Minutes = 0;
      };
      encoderR = false;
    }
    if (encoderL) {
      Minutes -= 1;
      if(Minutes < 0) {
        Minutes = 59;
      };
      encoderL = false;
    }
  }
  while ((digitalRead(encoderK)==1)|(MenuTimeoutTimer==0));
  if (BeepEnabled) {
    tone(BeepPin,4000,50); //звук "YES"
  }
  if (PrintYesNo) {
    SetM = false;
    delay(200);
    // ========= set yes-no
    SetYesNo = false;
    do {
      PrintRTC(0,1);
      rotating = true;  // reset the debouncer
      if ((encoderR)||(encoderL)) {
        SetYesNo = !SetYesNo;
        encoderR = false;
        encoderL = false;
      }
    }
    while ((digitalRead(encoderK)==1)|(MenuTimeoutTimer==0));
    delay(200);
  }
 
}
 
// ========================================
void PrintRTC(char x, char y)
{
  lcd.setCursor(x,y);
  if (SetH&&blink500ms) {
    lcd.print(F("  "));
  }
  else {
    if (Hours < 10) {
      lcd.print(F("0"));
    }   
    lcd.print(Hours);
  }
 
  // мигающее двоеточие, если не в режиме установки времени
  if (!(SetH||SetM||PrintYesNo||blink500ms))
  {
    lcd.print(F(" "));
  }
  else {
    lcd.print(F(":"));
  }
 
  if (SetM&&blink500ms) {
    lcd.print(F("  "));
  }
  else {
    if (Minutes < 10) {
      lcd.print(F("0"));
    }   
    lcd.print(Minutes);
  }
  lcd.print(F(" "));
 
  if (PrintYesNo) {
    lcd.print(F("["));
    if (!(SetH||SetM||blink500ms))
    {
      lcd.print(F("   "));
    }
    else {
      if (SetYesNo)
      {
        lcd.print(F("YES"));
      }
      else {
        lcd.print(F("NO "));
      }
    }
    lcd.print(F("]"));
  }
 
}
 
// ============================ Encoder interrupts =============================
// Interrupt on A changing state
void doEncoderA(){
  if ( rotating ) {
    delay (1) ;  // wait a little until the bouncing is done
  }
  // Test transition, did things really change?
  if( digitalRead(encoderA) != A_set ) {  // debounce once more
    A_set = !A_set;
    // adjust counter + if A leads B
    if ( A_set && !B_set )
    {
      MenuTimeoutTimer = 10; //таймер таймаута, секунд
      if (BeepEnabled) {
        tone(BeepPin,4000,5);
      }
      encoderR = true;
      rotating = false;  // no more debouncing until loop() hits again
    }
  }
}
// Interrupt on B changing state, same as A above
void doEncoderB(){
  if ( rotating ) {
    delay (1);
  }
  if( digitalRead(encoderB) != B_set ) {
    B_set = !B_set;
    //  adjust counter - 1 if B leads A
    if( B_set && !A_set ) {
      MenuTimeoutTimer = 10; //таймер таймаута, секунд
      if (BeepEnabled) {
        tone(BeepPin,4000,5);
      }
      encoderL = true;
      rotating = false;
    }
  }
}
// ============================ Timer0 interrupt =============================
// run every 500ms
void timerIsr()
{
  blink500ms = !blink500ms; // инверсия мерцающего бита
  if(blink500ms) {
    plus1sec = true; // ежесекундно взводится
    if (TstatTimer != 0) {
      TstatTimer --; // ежесекундный декремент этого таймера
    }
    if (MenuTimeoutTimer != 0) {
      MenuTimeoutTimer --; // ежесекундный декремент этого таймера
    }
  }
}
 
//~~~~~~~~~~~~~~~~~~~~~~~~~~~~~~~~~~~~~~~~~~~~~~~~~~~~~~~~~~~~~~~~~~~~~~~~~~~~~~~~~~~~~~~~~~~~~~~~~~~~~~~~~~~~~~~~~~
void TimerXSetup(int X) {
      MenuTimeoutTimer = 10; //таймер таймаута, секунд
      lcd.clear();
      lcd.setCursor(0, 0); //инфо на LCD
      lcd.print(F("SETUP TIMER")); 
      lcd.print(X+1);  // выводим номер таймера на LCD
      delay(200);
      Hours=Timer[X].Hours;
      Minutes=Timer[X].Minutes;
      SetYesNo = false;
      PrintYesNo = true;
      SetTime(0,1); // в позиции 0,1 - запрос ввода времени
      if (MenuTimeoutTimer != 0) {
        if (SetYesNo) // если при установке времени выбрано "Yes"
        {
          if (BeepEnabled) {
            tone(BeepPin,BeepToneYes,BeepToneYesDuration); //звук "YES"
          }
          Timer[X].Hours = Hours;
          Timer[X].Minutes = Minutes;
          Timer[X].Enabled = true;
          EEPROM.updateBlock(int(&TimerEE[X]), Timer[X]);
 
          MenuTimeoutTimer = 10; //таймер таймаута, секунд
          lcd.clear();
          lcd.setCursor(0, 0); //инфо на LCD
          lcd.print(F("Timer"));
          lcd.print(X+1);
          lcd.print(F(" Temp. Set")); 
          delay(200);
          do {
            lcd.setCursor(0,1);
            if (blink500ms) {
              lcd.print(F("     ")); 
            }
            else {
              lcd.print(Timer[X].Temperature, 1); 
              lcd.write(0x02); // значок градуса
            }
            rotating = true;  // reset the debouncer
            if (encoderR) {
              Timer[X].Temperature += 0.1;
              encoderR = false;
            }
            if (encoderL) {
              Timer[X].Temperature -= 0.1;
              encoderL = false;
            }
            Timer[X].Temperature = constrain(Timer[X].Temperature, 10, 35); // крайние значения
          }
          while ((digitalRead(encoderK)==1)|(MenuTimeoutTimer==0));
 
          if (MenuTimeoutTimer != 0) { // если после выбора температуры нажата кнопка энкодера
          EEPROM.updateBlock(int(&TimerEE[X]), Timer[X]);
            if (BeepEnabled) {
              tone(BeepPin,BeepToneYes,BeepToneYesDuration); //звук "YES"
            }
          }
          else { // если не нажата - используем старую температуру
          EEPROM.readBlock(int(&TimerEE[X]), Timer[X]);
            if (BeepEnabled) {
              tone(BeepPin,BeepToneYes,BeepToneYesDuration); //звук "YES"
            }
          }      
 
        }
        else // если при установке времени выбрано "No"
        {
          if (BeepEnabled) {
            tone(BeepPin,BeepToneNo,BeepToneNoDuration); //звук "NO"
          }
          EEPROM.readBlock(int(&TimerEE[X]), Timer[X]);
          Timer[X].Enabled = false;
          EEPROM.updateBlock(int(&TimerEE[X]), Timer[X]);
        }
      }
      else {
        if (BeepEnabled) {
          tone(BeepPin,BeepToneNo,BeepToneNoDuration); //звук "NO"
        }
      }
}

 

demonik-13
Offline
Зарегистрирован: 22.12.2016

Это код самого термостата.

demonik-13
Offline
Зарегистрирован: 22.12.2016
#include <SPI.h>
#include "RF24.h"

int msg[1];

// Set up nRF24L01 radio on SPI bus plus pins 9 & 10 
//Контакты от радиомодуля NRF24L01 подключаем к пинамнам -> Arduino

//SCK  -> 13
//MISO -> 12
//MOSI -> 11
//CSN  -> 10
//CE   -> 9

RF24 radio(9,10);

//светодиод и оптопара реле подключены к этим пинам
int LEDpin1 = 2;


// адреса каналов приема и передачи
const uint64_t pipes[2] = {
  0xF0F0F0F000LL, 0xF0F0F0F0FFLL};

void setup(){
  radio.begin();  
  radio.setDataRate(RF24_250KBPS);  // Скорость передачи
  radio.setChannel(100); // Номер канала от 0 до 127
  radio.setRetries(15,15); // Кол-во попыток и время между попытками
  radio.openWritingPipe(pipes[0]); // Открываем канал передачи
  radio.openReadingPipe(1, pipes[1]); // Открываем один из 6-ти каналов приема
  radio.startListening(); // Начинаем слушать эфир

  pinMode(LEDpin1, OUTPUT);

}

void loop(){
  if (radio.available()){
    bool done = false;    
    while (!done){
      done = radio.read(msg, 1);      
      //если пришел пакет от Arduino №1 (111) вКлючается светодиод (горит)LEDpin1, HIGH, замыкается реле
      if (msg[0] == 111){
        delay(10);
        digitalWrite(LEDpin1, HIGH);
      }
      if (msg[0] == 000){
        delay(10);
        digitalWrite(LEDpin1, LOW);
      }
    }
  }
}

 

demonik-13
Offline
Зарегистрирован: 22.12.2016

Вот код приёмника.

demonik-13
Offline
Зарегистрирован: 22.12.2016

Всё работает исправно уже 3 отопительный сезон. Радиомодули поставил без усилителей, преграду в одну стену и корпус котла преодолевает на ура.

vlad219i
Offline
Зарегистрирован: 05.03.2014

eXL пишет:

extern RealTimeClockDS1307 RTC;

                            ^

Что это за ошибка ?

Дважды используется библиотека для DS1307. Оставьте одну.

 

eXL
Offline
Зарегистрирован: 23.07.2017

vlad219i пишет:

eXL пишет:

extern RealTimeClockDS1307 RTC;

                            ^

Что это за ошибка ?

Дважды используется библиотека для DS1307. Оставьте одну.

 

Да, увидел, одну убрал. Теперь вот такое вылазит -

...
"C:\Electronics\Arduino\hardware\tools\avr/bin/avr-gcc-ar" rcs  "C:\Tmp\arduino_build_180396\core\core.a" "C:\Tmp\arduino_build_180396\core\new.cpp.o"
Archiving built core (caching) in: C:\Tmp\arduino_cache_883981\core\core_arduino_avr_pro_cpu_16MHzatmega328_1404273ff53aa30e50ef2fce1cbcb553.a
Linking everything together
...

...Скетч использует 17206 байт (56%) памяти устройства. Всего доступно 30720 байт.
Глобальные переменные используют 462 байт (22%) динамической памяти, оставляя 1586 байт для локальных переменных. Максимум: 2048 байт.

eXL
Offline
Зарегистрирован: 23.07.2017

И еще вопрос, на Arduino Nano эта беда будет работать ?

vlad219i
Offline
Зарегистрирован: 05.03.2014

eXL пишет:

И еще вопрос, на Arduino Nano эта беда будет работать ?

Если нано на Atmega328 - должно зажить, если на Atmega168 - нет.

Jeka_M
Jeka_M аватар
Offline
Зарегистрирован: 06.07.2014

eXL пишет:
Теперь вот такое вылазит -

Тут нет никакой ошибки, всё нормально скомпилировалось.

eXL
Offline
Зарегистрирован: 23.07.2017

Всех благодарю за подсказки. Буду пробовать на Nano.

trembo
trembo аватар
Offline
Зарегистрирован: 08.04.2011

eXL пишет:

В дистрибутиве вообще никаких библиотек нет чтоли ? Их все нужно добавлять ?


Вы теперь на каждую неустановленную вами библиотеку
будете по одному сообщению писАть ?

eXL
Offline
Зарегистрирован: 23.07.2017

trembo пишет:
eXL пишет:

В дистрибутиве вообще никаких библиотек нет чтоли ? Их все нужно добавлять ?

Вы теперь на каждую неустановленную вами библиотеку будете по одному сообщению писАть ?

Выше писали - "Значит скопировали не верно... Телепатов тут нет." Поэтому и спрашиваю подробно и с кодами ошибок.

Уже все расказали. Больше не буду.

bagotu
Offline
Зарегистрирован: 15.10.2016

NAno - UNO - и там и там должно работать.

eXL
Offline
Зарегистрирован: 23.07.2017

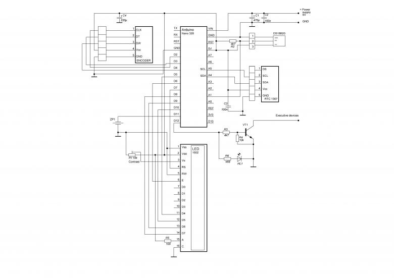
Нет, всё таки спрошу, убей бог, но не понимаю куда RTC подключать 8-(

Что трудно схему составить раз уж выкладываете своё произведение ?

Или я совсем дурак, дык, вроде 40 лет электроникой занимаюсь, покажите пальцем в скетче.

bwn
Offline
Зарегистрирован: 25.08.2014

К SDA и SCL. Они в одном экземляре на МК присутствуют.

eXL
Offline
Зарегистрирован: 23.07.2017

Пальцем покажите. A4, A5 ?

bwn
Offline
Зарегистрирован: 25.08.2014

Это крайне урезанная версия. Здесь побольше. А так, да, А4 и А5.

eXL
Offline
Зарегистрирован: 23.07.2017

bwn пишет:

Это крайне урезанная версия. Здесь побольше. А так, да, А4 и А5.

Сенкс.

eXL
Offline
Зарегистрирован: 23.07.2017

Проверьте схему кому не лень, плиз.

eXL
Offline
Зарегистрирован: 23.07.2017

Проверил, все работает, только поменял активный уровень на выходе управления на высокий, Arduino Nano 328.

И при первом завпуске нужно сделать хард ресет, кстати, что это и зачем он нужен ? Описания этого режима в теме не нашел.

123darius
Offline
Зарегистрирован: 08.02.2017

Здрасти.У меня тоже такая фигня.Как вы решыли ету проблему?

123darius
Offline
Зарегистрирован: 08.02.2017

У меня как ошалелый мигает LCD и пищит пьезоэлемент. Было у кого-нибудь так же?

 

 

 

Здрасти.У меня тоже такая фигня.Как вы решыли ету проблему?

vlad219i
Offline
Зарегистрирован: 05.03.2014

eXL пишет:

И при первом завпуске нужно сделать хард ресет, кстати, что это и зачем он нужен ? Описания этого режима в теме не нашел.

В коде (в комменте к хардресету) про это есть. Это для записи начальных значений уставок и т.п. в EEPROM после прошивки контроллера.

123darius
Offline
Зарегистрирован: 08.02.2017

Так никто и неответит как решыть ету проблему?

Владимир Платонов
Offline
Зарегистрирован: 18.02.2019

Вопрос уважаемому Автору.

Какие строки Вашего скетча поправить, отвечающие за периодичность опроса датчика температуры DS18B20?

С чем, собственно связан вопрос:

Использую Вашу прошивку для термостабилизации сувидницы (решил помучать макет из 3-х литровой кастрюли)

Все работает замечательно, но перерегулирование по температуре составляет градуса полтора (многовато)

Желательно чаще опрашивать DS-ку

Если подобная информация была на форме, прошу не пинать - проглядел!!

С уважением,

Владимир

 

Welcaf
Offline
Зарегистрирован: 20.06.2019

проблема.....

'RTC' was not declared in this scope 

 

Alex7even
Offline
Зарегистрирован: 30.04.2018

vlad219i, Ув автор, не могли бы Вы помочь мне в вашем коде заменить энкодер тремя кнопками?

vlad219i
Offline
Зарегистрирован: 05.03.2014

Alex7even пишет:

vlad219i, Ув автор, не могли бы Вы помочь мне в вашем коде заменить энкодер тремя кнопками?

Навскидку - думаю, этот код будет работать без переделок и с кнопками, подключенными вместо энкодера. В крайнем случае - с минимальными переделками в части отработки кнопок "вверх" и "вниз", а кнопка нажатия энкодера - по сути и так просто кнопка...

Перепиливать код и тестировать в железе мне недосуг, увы.

 

vlad219i
Offline
Зарегистрирован: 05.03.2014

Владимир Платонов пишет:

Вопрос уважаемому Автору.

Какие строки Вашего скетча поправить, отвечающие за периодичность опроса датчика температуры DS18B20?

Данные с датчика температуры считываются ежесекундно, в коде усреднение по 10 значениям, т.е. температура для дальнейшей обработки обновляется раз в 10 секунд. Можно убрать усреднение или уменьшить количество усредняющих чтений, ищите в коде "DS18B20iteration", откомментировано довольно подробно.

 

Alex7even
Offline
Зарегистрирован: 30.04.2018

vlad219i пишет:

Alex7even пишет:

vlad219i, Ув автор, не могли бы Вы помочь мне в вашем коде заменить энкодер тремя кнопками?

Навскидку - думаю, этот код будет работать без переделок и с кнопками, подключенными вместо энкодера. В крайнем случае - с минимальными переделками в части отработки кнопок "вверх" и "вниз", а кнопка нажатия энкодера - по сути и так просто кнопка...

Перепиливать код и тестировать в железе мне недосуг, увы.

кнопка работает, а +/ - нет.

vlad219i
Offline
Зарегистрирован: 05.03.2014

Попробуйте заменить подпрограммы обработки энкодера на такие:

// ============================ Encoder interrupts =============================
// Interrupt on A changing state
void doEncoderA(){
  if ( rotating ) {
    delay (1) ;  // wait a little until the bouncing is done
  }
  // Test transition, did things really change?
  if( digitalRead(encoderA) != A_set ) {  // debounce once more
    A_set = !A_set;
    // adjust counter + 
      MenuTimeoutTimer = 10; //таймер таймаута, секунд
      if (BeepEnabled) {
        tone(BeepPin,4000,5);
      }
      encoderR = true;
      rotating = false;  // no more debouncing until loop() hits again
  }
}
// Interrupt on B changing state, same as A above
void doEncoderB(){
  if ( rotating ) {
    delay (1);
  }
  if( digitalRead(encoderB) != B_set ) {
    B_set = !B_set;
    //  adjust counter -
      MenuTimeoutTimer = 10; //таймер таймаута, секунд
      if (BeepEnabled) {
        tone(BeepPin,4000,5);
      encoderL = true;
      rotating = false;
    }
  }
}

 

Alex7even
Offline
Зарегистрирован: 30.04.2018

Поправил кусок кода меню на такой

  // ================ по нажатию кнопки энкодера - меню настроек ====================
  if(digitalRead(encoderK) == 0) {
    MenuTimeoutTimer = 10; //таймер таймаута, секунд
    lcd.clear();
    lcd.setCursor(0, 0); //инфо на LCD
    lcd.print(F("< SETUP >"));  
    if (BeepEnabled) { 
      tone(BeepPin,4000,50); 
    }
    delay(200);
    int menuitem = 0;
    do {
      if( digitalRead(encoderA) != A_set ) {
      A_set = !A_set;
        MenuTimeoutTimer = 10;
        if (encoderA) { 
          menuitem += 1; 
        }       
        if ( menuitem > 9 ) { 
          menuitem = 0; 
        }  
        encoderR = true;
        rotating = false;   
      }
      if( digitalRead(encoderB) != B_set ) {
      B_set = !B_set;
      MenuTimeoutTimer = 10;
      if (encoderB) { 
          menuitem -= 1; 
        }
        if ( menuitem < 0 ) { 
          menuitem = 9; 
        }
        encoderL = true;
      rotating = false;
      }

изменил, нужно как то фиксировать нажатие.

в таком виде в нужный пункт не попасть

vlad219i
Offline
Зарегистрирован: 05.03.2014

Alex7even пишет:

Поправил кусок кода меню на такой

  // ================ по нажатию кнопки энкодера - меню настроек ====================
  if(digitalRead(encoderK) == 0) {
    MenuTimeoutTimer = 10; //таймер таймаута, секунд
    lcd.clear();
    lcd.setCursor(0, 0); //инфо на LCD
    lcd.print(F("< SETUP >"));  
    if (BeepEnabled) { 
      tone(BeepPin,4000,50); 
    }
    delay(200);
    int menuitem = 0;
    do {
      if( digitalRead(encoderA) != A_set ) {
      A_set = !A_set;
        MenuTimeoutTimer = 10;
        if (encoderA) { 
          menuitem += 1; 
        }       
        if ( menuitem > 9 ) { 
          menuitem = 0; 
        }  
        encoderR = true;
        rotating = false;   
      }
      if( digitalRead(encoderB) != B_set ) {
      B_set = !B_set;
      MenuTimeoutTimer = 10;
      if (encoderB) { 
          menuitem -= 1; 
        }
        if ( menuitem < 0 ) { 
          menuitem = 9; 
        }
        encoderL = true;
      rotating = false;
      }

изменил, нужно как то фиксировать нажатие.

в таком виде в нужный пункт не попасть

Ну добавьте паузу миллисекунд 50 после того, как нажатие зафиксировано. Сделайте что-нибудь уже сами. :)

Alex7even
Offline
Зарегистрирован: 30.04.2018

Что я делаю не так? Кнопки вверх, вниз работают не корректно, кнопка ввод вызывает меню но не становится на паузу и не сохраняет изменения

/*
Суточный термостат для котла
 >Key control
 >DS18B20 thermal sensor
 >LCD1602 parallel
 >DS3231 RTC
 */
#include <Wire.h> // i2c (для RTC)
#include <RealTimeClockDS1307.h> // RTC
#include <EEPROMex.h> // EE
#include <LiquidCrystal.h> // LCD 16*2
#include <TimerOne.h> // прерывания по таймеру1

#include <OneWire.h> // 1wire для DS18B20
#include <DallasTemperature.h> // DS18B20

#define ONE_WIRE_BUS A3
OneWire oneWire(ONE_WIRE_BUS);
DallasTemperature DS18B20(&oneWire);
DeviceAddress DS18B20Address;

#define UpButtonPin         A0 // энкодер - поворот вправо (об землю)
#define DownButtonPin       A1 // энкодер - поворот влево (об землю)
#define SetButtonPin        A2 // энкодер - кнопка (об землю)
#define BeepPin             3 // пищалка
#define BeepToneNo          2000 // тон звука "No", герц
#define BeepToneYes         4000 // тон звука "Yes", герц
#define BeepToneNoDuration  200 // длительность звука "No", мс
#define BeepToneYesDuration 200 // длительность звука "Yes", мс
#define Relay               2 // нога, к которой подключено реле
#define RelayOn             LOW // полярность сигнала включения реде (HIGH/LOW)

// LCD connection RS, E, D4, D5, D6, D7
// R/W - to ground
LiquidCrystal lcd(5, 6, 7, 8, 9, 10);

byte block1[8] = { 
  0x06,0x09,0x09,0x06,0x00,0x04,0x0E,0x1F }; // значок градуса с пламенем снизу
byte block2[8] = { 
  0x06,0x09,0x09,0x06,0x00,0x00,0x00,0x00 }; // значок градуса

//#define serialenabled // раскомментировать для выдачи в порт отладочной инфы

#define TstatTimerMax 180 //минимальная пауза между включениями горелки, сек
unsigned int TstatTimer = 20; //таймер паузы между включениями/выключениями, начальная установка 20 сек для устаканивания системы после сброса

float DS18B20Temperature = 0; //сырая температура от датчика
float Temperature = 0; //вычисленная температура с коррекцией
float DS18B20TempTmp; //времянка
byte DS18B20iteration = 0; //счётчик измерений температуры для усреднения

float TstatTemp = 23; //температура термостатирования, может изменяться настройками
float TemperatureCorr = 0; //коррекция температуры, может изменяться настройками
float Hysteresis = 0.1; // гистерезис термостата, может изменяться настройками
float HysteresisOld;

int Hours = 0; // времянка часов RTC для отображения и установки
int Minutes = 0; // времянка минут RTC для отображения и установки
int Seconds;
boolean PrintYesNo = false; // показывать ли после времени Yes/No (косвенно - указание на режим установка/отображение)
boolean SetH = false; // выделение часов при отображении
boolean SetM = false; // выделение минут при отображении
boolean SetYesNo = false; // выделение Yes/No при установке часов

boolean blink500ms = false; // мигающий бит, инвертируется каждые 500мс
boolean plus1sec = false; // ежесекундно взводится

boolean BeepEnabled = true;

byte MenuTimeoutTimer;

// структура для суточных таймеров (8 байт)
struct buffer_template {
  byte Hours;
  byte Minutes;
  float Temperature;
  boolean Enabled;
  boolean Activated;
};
buffer_template Timer[4] = {
  0, 0, 23.0, false, false}; //объявление 4-х суточных таймеров и их начальные значения

float AlarmTemp = 20; // температура для замерзательного орала

// EEPROM
EEMEM float TstatTempEE; //EE температура термостатирования
EEMEM float TemperatureCorrEE; // EE коррекция температуры
EEMEM float HysteresisEE; // EE гистерезис
EEMEM boolean BeepEnabledEE; // EE признак разрешения звука
EEMEM float AlarmTempEE; // EE значение недопустимого снижения температуры
EEMEM buffer_template TimerEE[4]; // EE структуры для 4 суточных таймеров


void setup() {

#ifdef serialenabled
  Serial.begin(9600);
#endif
  pinMode(Relay, OUTPUT);
  digitalWrite(Relay, HIGH);
  lcd.begin(16, 2);
  lcd.createChar(1, block1);
  lcd.createChar(2, block2);
  pinMode(UpButtonPin, INPUT);
  pinMode(DownButtonPin, INPUT);
  pinMode(SetButtonPin, INPUT);
  Timer1.initialize(500000); // Timer0 interrupt - установить таймер длиной 500000 микросекунд
  Timer1.attachInterrupt( timerIsr ); // прикрепить прерывание
  attachInterrupt(0, UpButtonIntr, CHANGE);
  attachInterrupt(1, DownButtonIntr, CHANGE);
  EEPROM.setMaxAllowedWrites(32767);
  if ((digitalRead(SetButtonPin)) == 0) 
  { // если первая запись однокристалки (зажата кнопка при включении питания)- записать начальные значения в EE
    lcd.setCursor(0, 0); //инфо на LCD
    lcd.print(F("Cold start..."));
    for (int i=0; i<4; i++)
    {
      EEPROM.updateBlock(int(&TimerEE[i]), Timer[i]);
    }
    EEPROM.updateFloat(int(&TstatTempEE), TstatTemp);
    EEPROM.updateByte(int(&BeepEnabledEE), BeepEnabled);
    EEPROM.updateFloat(int(&TemperatureCorrEE), TemperatureCorr);
    EEPROM.updateFloat(int(&HysteresisEE), Hysteresis);
    EEPROM.updateFloat(int(&AlarmTempEE), AlarmTemp);
    tone(BeepPin,2000,50);
    delay(50);
    tone(BeepPin,3000,50);
    delay(50);
    tone(BeepPin,4000,50);
    delay(1000);  
  }
  lcd.clear();
  lcd.setCursor(0, 0); //инфо на LCD
  lcd.print(F("Read settings..."));
  BeepEnabled = EEPROM.readByte(int(&BeepEnabledEE));
  TstatTemp = EEPROM.readFloat(int(&TstatTempEE));
  TemperatureCorr = EEPROM.readFloat(int(&TemperatureCorrEE));
  Hysteresis = EEPROM.readFloat(int(&HysteresisEE));
  AlarmTemp = EEPROM.readFloat(int(&AlarmTempEE));
  for (int i=0; i<4; i++)
  {
    EEPROM.readBlock(int(&TimerEE[i]), Timer[i]);
  }

  DS18B20.begin();
  DS18B20.getAddress(DS18B20Address, 0);
  DS18B20.setResolution(DS18B20Address, 12);
  DS18B20.setWaitForConversion(false);
  DS18B20.requestTemperatures();

  tone(BeepPin,4000,50);
  delay(100);  
  tone(BeepPin,4000,50);
  delay(1000);  
  lcd.clear();
  RTC.start();

}

void loop() {
  lcd.setCursor(8, 0); //инфо на LCD
  if ((Temperature < AlarmTemp)&(blink500ms)) {
    lcd.print(F("*"));
  } 
  else {
    lcd.print(F(" "));
  }
  lcd.print(F("t="));
  if (Temperature < 10) {
    lcd.print(F(" "));
  }
  lcd.print(Temperature,1);
  lcd.write(0x02); // значок градуса

  // если таймер включен - надпись светится, если сработал - мигает, обрабатываем все 4 таймера
  lcd.setCursor(0, 1); //инфо на LCD
  for (int i=0;i<4;i++){
    if ((Timer[i].Enabled)&!((Timer[i].Activated)&(blink500ms))) {
      lcd.print(F("T"));
      lcd.print(i+1);
    } 
    else { 
      lcd.print(F("  "));
    }
  }

  lcd.setCursor(9, 1); //инфо на LCD
  lcd.print(F("s="));
  lcd.print(TstatTemp,1);
  if ( digitalRead(Relay) == RelayOn ) { 
    lcd.write(0x01); // значок градуса с пламенем
  } 
  else { 
    lcd.write(0x02); // значок градуса
  }

  // печатаем текущее время
  PrintYesNo = false;
  PrintRTC(0,0);

  // термостатирование
  if ( TstatTimer == 0 )
  {
    if ( Temperature > ( TstatTemp + Hysteresis ) ) // гистерезис
    {
      if ( digitalRead(Relay) == RelayOn ) // если горелка включена - 
      {
        digitalWrite(Relay, !RelayOn); // выключить горелку
        TstatTimer = TstatTimerMax; // горелку держать выключённой не менее заданного в TstatTimerMax времени
      }
    }
    if (Temperature < TstatTemp)
    {
      if ( digitalRead(Relay) == !RelayOn ) // если горелка выключена - 
      {
        digitalWrite(Relay, RelayOn); // включить горелку
        TstatTimer = TstatTimerMax; // горелку держать включённой не менее заданного в TstatTimerMax времени
      }
    }
  }

  // если прошла 1 секунда - делаем ежесекундные дела
  if (plus1sec) {
    plus1sec = false; // сбрасываем до следующей секунды
    // обновляем часы
    RTC.readClock();
    Hours=RTC.getHours();
    Minutes=RTC.getMinutes();
    Seconds=RTC.getSeconds();

    // измеряем температуру воздуха
    DS18B20TempTmp = DS18B20.getTempCByIndex(0); // получить температуру от датчика
    DS18B20.requestTemperatures();  // запустить новое измерение
    if (DS18B20TempTmp != -127)
    {
      DS18B20Temperature += DS18B20TempTmp; // суммируем для усреднения
      DS18B20iteration ++;
      if (DS18B20iteration == 10)
      {
        DS18B20iteration = 0;
        Temperature = (DS18B20Temperature / 10) + TemperatureCorr; //усреднённая + коррекция
        DS18B20Temperature = 0;
      }
    }

    // если уставку термостата поменяли вручную - запись её в EE, не чаще 1 раза в минуту
    //(экономия ресурса EE)
    if ((EEPROM.readFloat(int(&TstatTempEE)) != TstatTemp)&(Seconds == 0)) {
      EEPROM.updateFloat(int(&TstatTempEE), TstatTemp);
    }

    // проверка таймеров и изменение уставки термостата при совпадении  
    for (int i=0;i<4;i++)
    {
      if ((Hours == Timer[i].Hours)&(Minutes == Timer[i].Minutes)&(Timer[i].Enabled)&(Seconds == 0)) { // время T совпадает с RTC
      Timer[0].Activated = Timer[1].Activated = Timer[2].Activated = Timer[3].Activated = false;
        Timer[i].Activated = true;
        TstatTemp = Timer[i].Temperature;
        EEPROM.updateFloat(int(&TstatTempEE), TstatTemp);
        if (BeepEnabled) {
          tone(BeepPin,4000,5);
        }
        break; // это чтобы статус Activated остался взведённым
      }
    }

    // дебаг-инфо - в терминал
#ifdef serialenabled
    Serial.print(F("Temp="));
    Serial.print(Temperature, 1);
    Serial.print(F("("));
    Serial.print(DS18B20Temperature, 4);
    Serial.print(F(",corr "));
    Serial.print(TemperatureCorr, 1);
    Serial.print(F("),TstatTimer="));
    Serial.println(TstatTimer);
#endif

    if (Temperature < AlarmTemp) {
      tone(BeepPin,4000,5);
    }
  }

  // ручное изменение уставки температуры
      if (digitalRead(UpButtonPin) == 0) {
        if (UpButtonPin) {
      TstatTemp += 0.1;
    }
       delay(200);  
    } 
    if (digitalRead(DownButtonPin) == 0) {
      if (DownButtonPin) {
      TstatTemp -= 0.1;
    }
    TstatTemp = constrain(TstatTemp, 10, 35);
    Timer[0].Activated = Timer[1].Activated = Timer[2].Activated = Timer[3].Activated = false;
    delay(200);
  }

  // ================ по нажатию кнопки Setup - меню настроек 
   if (digitalRead(SetButtonPin) == 0) {
    MenuTimeoutTimer = 10; //таймер таймаута, секунд
    lcd.clear();
    lcd.setCursor(0, 0); //инфо на LCD
    lcd.print(F("< SETUP >")); 
    if (BeepEnabled) { 
      tone(BeepPin,4000,50); 
    }   
    int menuitem = 0;
    delay(200);
    do {
      if (digitalRead(UpButtonPin) == 0) {
        MenuTimeoutTimer = 10; //таймер таймаута, секунд
        { 
          menuitem += 1; 
        }       
        if ( menuitem > 9 ) { 
          menuitem = 0; 
        }
         delay(200);
      }
      if (digitalRead(DownButtonPin) == 0) {
      MenuTimeoutTimer = 10; //таймер таймаута, секунд
      { 
          menuitem -= 1; 
        }
        if ( menuitem < 0 ) { 
          menuitem = 9; 
        }
        delay(200);
      }
      // индикация пункта меню (номер пункта - в menuitem)
      lcd.setCursor(0, 1); //инфо на LCD
      switch(menuitem)
      {
      case 0:
        lcd.print(F("0.BACK          "));  
        break;
      case 1:
        lcd.print(F("1.TIMER1 SET    "));  
        break;
      case 2:
        lcd.print(F("2.TIMER2 SET    "));  
        break;
      case 3:
        lcd.print(F("3.TIMER3 SET    "));  
        break;      
      case 4:
        lcd.print(F("4.TIMER4 SET    "));  
        break;      
      case 5:
        lcd.print(F("5.CLOCK SET     "));  
        break;
      case 6:
        lcd.print(F("6.HYSTERESIS SET"));  
        break;
      case 7:
        lcd.print(F("7.T-CORRECT SET "));  
        break;
      case 8:
        lcd.print(F("8.SOUND SET     "));  
        break;
      case 9:
        lcd.print(F("9.T-ALARM SET   "));  
        break;      
      }
      if (MenuTimeoutTimer == 0) {
        menuitem = 0;
      }
    }
    while ((digitalRead(SetButtonPin) == 1)|(MenuTimeoutTimer == 0));
    // если нажата кнопка Setup или таймаут - обработка пункта меню (номер пункта - в menuitem)
    if (BeepEnabled) {
      tone(BeepPin,4000,50);
    } 
    switch(menuitem)
    {
      // ====== пункт 0 - выход
    case 0: 
      if (BeepEnabled) { 
        tone(BeepPin,BeepToneNo,BeepToneNoDuration); 
      } //звук "NO"
      break; // case 0 out
      // ====== пункт 1 - установка Timer1
    case 1:
      TimerXSetup(0);
      break; // case 1 out
      // ====== пункт 2 - установка Timer2
    case 2:
      TimerXSetup(1);
      break; // case 2 out
      // ====== пункт 3 - установка Timer3
    case 3:
      TimerXSetup(2);
      break; // case 3 out
      // ====== пункт 4 - установка Timer4
    case 4:
      TimerXSetup(3);
      break; // case 4 out
      // ====== пункт 5 - установка RTC
    case 5:
      MenuTimeoutTimer = 10; //таймер таймаута, секунд
      lcd.clear();
      lcd.setCursor(0, 0); //инфо на LCD
      lcd.print(F("SETUP CLOCK"));  
      delay(200);
      RTC.readClock();
      Hours=RTC.getHours();
      Minutes=RTC.getMinutes();
      SetYesNo = false;
      PrintYesNo = true;
      SetTime(0,1); // в позиции 0,1 - запрос ввода времени
      if (MenuTimeoutTimer != 0) {
        if (SetYesNo)
        {
          if (BeepEnabled) {
            tone(BeepPin,BeepToneYes,BeepToneYesDuration); //звук "YES"
          }
          RTC.setHours(Hours);
          RTC.setMinutes(Minutes);
          RTC.setSeconds(0);
          RTC.setClock();
          RTC.start();
        }
        else
        {
          if (BeepEnabled) {
            tone(BeepPin,BeepToneNo,BeepToneNoDuration); //звук "NO"
          }
        }
      }
      else {
        if (BeepEnabled) {
          tone(BeepPin,BeepToneNo,BeepToneNoDuration); //звук "NO"
        }
      }
      break; // case 5 out

      // ====== пункт 6 - установка гистерезиса
    case 6:
      MenuTimeoutTimer = 10; //таймер таймаута, секунд
      HysteresisOld = Hysteresis;
      lcd.clear();
      lcd.setCursor(0, 0); //инфо на LCD
      lcd.print(F("SETUP HYSTERESIS"));  
      delay(200);
      do {
        lcd.setCursor(0,1);
        if (blink500ms) {
          lcd.print("   ");  
        } 
        else {
          lcd.print(Hysteresis, 1);  
          lcd.write(0x02); // значок градуса
        }
        if (digitalRead(UpButtonPin) == 0) {
          Hysteresis += 0.1;
          delay(200);
        }
        if (digitalRead(DownButtonPin) == 0) {
          Hysteresis -= 0.1;
          delay(200);
        }
        Hysteresis = constrain(Hysteresis, 0.1, 1); // крайние значения
      }
      while ((digitalRead(SetButtonPin) == 1)|(MenuTimeoutTimer == 0));
      if (MenuTimeoutTimer != 0) {
        EEPROM.updateFloat(int(&HysteresisEE), Hysteresis); // запись в ЕЕПРОМ
        if (BeepEnabled) {
          tone(BeepPin,BeepToneYes,BeepToneYesDuration); //звук "YES"
        }
      }
      else {
        Hysteresis = HysteresisOld;
        if (BeepEnabled) {
          tone(BeepPin,BeepToneNo,BeepToneNoDuration); //звук "NO"
        }
      }
      break; // case 6 out

      // ====== пункт 7 - установка коррекции температуры 
    case 7:
      MenuTimeoutTimer = 10; //таймер таймаута, секунд
      lcd.clear();
      lcd.setCursor(0, 0); //инфо на LCD
      lcd.print(F("SETUP T-CORRECT "));  
      delay(200);
      do {
        lcd.setCursor(0,1);
        if (blink500ms) {
          lcd.print(F("    "));  
        } 
        else {
          if (TemperatureCorr >= 0) {
            lcd.print(F("+")); 
          }

          lcd.print(TemperatureCorr, 1);  
          lcd.write(0x02); // значок градуса
        }
        if (digitalRead(UpButtonPin) == 0) {
          TemperatureCorr += 0.1;
          delay(200);
        }
        if (digitalRead(DownButtonPin) == 0) {
          TemperatureCorr -= 0.1;
          delay(200);
        }
        TemperatureCorr = constrain(TemperatureCorr, -8, 8); // крайние значения
      }
      while ((digitalRead(SetButtonPin) == 1)|(MenuTimeoutTimer == 0));

      if (MenuTimeoutTimer != 0) {
        EEPROM.updateFloat(int(&TemperatureCorrEE), TemperatureCorr); // запись в ЕЕПРОМ
        if (BeepEnabled) {
          tone(BeepPin,BeepToneYes,BeepToneYesDuration); //звук "YES"
        }
      }
      else {
        TemperatureCorr = EEPROM.readFloat(int(&TemperatureCorrEE));
        if (BeepEnabled) {
          tone(BeepPin,BeepToneNo,BeepToneNoDuration); //звук "NO"
        }
      }
      break; // case 7 out      

      // ====== пункт 8 - вкл/выкл звука
    case 8:
      MenuTimeoutTimer = 10; //таймер таймаута, секунд
      lcd.clear();
      lcd.setCursor(0, 0); //инфо на LCD
      lcd.print(F("SOUND SET       "));  
      delay(200);
      do {
        lcd.setCursor(0,1);
        if (digitalRead(UpButtonPin) == 0) {
          (!BeepEnabled);
          lcd.print(F("BEEP ON         "));  
        } 
        delay(200);    
          if (digitalRead(DownButtonPin) == 0) {
          (BeepEnabled); 
          lcd.print(F("BEEP OFF        "));  
        }
          delay(200);
      }
      while ((digitalRead(SetButtonPin) == 1)|(MenuTimeoutTimer == 0));
      if (MenuTimeoutTimer != 0) {
        if (BeepEnabled) {
          tone(BeepPin,BeepToneYes,BeepToneYesDuration); //звук "YES"
        }
        EEPROM.updateByte(int(&BeepEnabledEE), BeepEnabled);
      }
      if (MenuTimeoutTimer == 0) {
        BeepEnabled = EEPROM.readByte(int(&BeepEnabledEE));
      }
      break; // case 8 out

      // ====== пункт 9 - установка предупреждалки о холоде 
    case 9:
      MenuTimeoutTimer = 10; //таймер таймаута, секунд
      lcd.clear();
      lcd.setCursor(0, 0); //инфо на LCD
      lcd.print(F("ALARM-TEMP SET  "));  
      delay(200);
      do {
        lcd.setCursor(0,1);
        if (blink500ms) {
          lcd.print(F("    "));  
        } 
        else {
          if (AlarmTemp >= 0) {
            lcd.print(F("+")); 
          }
          lcd.print(AlarmTemp, 0);  
          lcd.write(0x02); // значок градуса
        }
          if(digitalRead(UpButtonPin) == 0) {
          AlarmTemp += 1;
          delay(200);
        }
          if(digitalRead(DownButtonPin) == 0) {
          AlarmTemp -= 1;
          delay(200);
        }
        AlarmTemp = constrain(AlarmTemp, 15, 30); // крайние значения
      }
      while ((digitalRead(SetButtonPin) == 1)|(MenuTimeoutTimer == 0));
      if (MenuTimeoutTimer != 0) {
        EEPROM.updateFloat(int(&AlarmTempEE), AlarmTemp); // запись в ЕЕПРОМ
        if (BeepEnabled) {
          tone(BeepPin,BeepToneYes,BeepToneYesDuration); //звук "YES"
        }
      }
      else {
        AlarmTemp = EEPROM.readFloat(int(&AlarmTempEE));
        if (BeepEnabled) {
          tone(BeepPin,BeepToneNo,BeepToneNoDuration); //звук "NO"
        }
      }
      break; // case 9 out
    }
    delay(200);
    lcd.clear();
  }
}

void SetTime(char x, char y)
{
  // ========= set hours
  SetH = true;
  do {
    PrintRTC(x,y);
      if(digitalRead(UpButtonPin) ==0) {
      Hours += 1;
      if(Hours > 23) {
        Hours = 0;
      }
      delay(200);
    }
      if(digitalRead(DownButtonPin) == 0) {
      Hours -= 1;
      if(Hours < 0) {
        Hours = 23;
      }
    }
    delay(200);
  }
  while ((digitalRead(SetButtonPin) == 1)|(MenuTimeoutTimer == 0));
  if (BeepEnabled) {
    tone(BeepPin,4000,50); //звук "YES"
  }
  SetH = false;
  delay(200);
  // ========= set minutes
  SetM = true;
  do {
    PrintRTC(0,1);
      if (digitalRead(UpButtonPin) == 0) {
      Minutes += 1;
      if(Minutes > 59) {
        Minutes = 0;
      }
      delay(200);
    }
      if (digitalRead(DownButtonPin) == 0) {
      Minutes -= 1;
      if(Minutes < 0) {
        Minutes = 59;
      }
      delay(200);
    }
  }
  while ((digitalRead(SetButtonPin) == 1)|(MenuTimeoutTimer == 0));
  if (BeepEnabled) {
    tone(BeepPin,4000,50); //звук "YES"
  }
  if (PrintYesNo) {
    SetM = false;
    delay(200);
    // ========= set yes-no
    SetYesNo = false;
    do {
      PrintRTC(0,1);
        if (digitalRead(UpButtonPin) == 0) {
        SetYesNo; 
      }
      if (digitalRead(DownButtonPin) == 0) {
        !SetYesNo;
      }
    }
    while ((digitalRead(SetButtonPin) == 1 )|(MenuTimeoutTimer == 0));
    delay(200);
  }
}

// ====== Print RTC
void PrintRTC(char x, char y)
{
  lcd.setCursor(x,y);
  if (SetH&&blink500ms) {
    lcd.print(F("  ")); 
  } 
  else {
    if (Hours < 10) { 
      lcd.print(F("0")); 
    }    
    lcd.print(Hours);
  }

  // мигающее двоеточие, если не в режиме установки времени
  if (!(SetH||SetM||PrintYesNo||blink500ms))
  {
    lcd.print(F(" "));
  } 
  else {
    lcd.print(F(":"));
  }

  if (SetM&&blink500ms) {
    lcd.print(F("  ")); 
  } 
  else {
    if (Minutes < 10) { 
      lcd.print(F("0")); 
    }    
    lcd.print(Minutes);
  }
  lcd.print(F(" "));

  if (PrintYesNo) {
    lcd.print(F("["));
    if (!(SetH||SetM||blink500ms))
    {
      lcd.print(F("   "));
    }
    else {
      if (SetYesNo)
      {
        lcd.print(F("YES"));
      } 
      else {
        lcd.print(F("NO "));
      }
    }
    lcd.print(F("]"));
  }

}

// ============================ interrupts =============================
void UpButtonIntr(){
  if( digitalRead(UpButtonPin) == 1 ) {  // debounce once more
    if (UpButtonPin)
    {
      MenuTimeoutTimer = 10; //таймер таймаута, секунд
      if (BeepEnabled) {
        tone(BeepPin,4000,5);
      }
    }
  }
}
void DownButtonIntr(){
  if( digitalRead(DownButtonPin) == 1 ) {
    if(DownButtonPin) {
      MenuTimeoutTimer = 10; //таймер таймаута, секунд
      if (BeepEnabled) {
        tone(BeepPin,4000,5);
      }
    }
  }
}

// ===== Timer0 interrupt
// запустить каждые 500ms
void timerIsr()
{
  blink500ms = !blink500ms; // инверсия мерцающего бита
  if(blink500ms) {
    plus1sec = true; // ежесекундно взводится
    if (TstatTimer != 0) {
      TstatTimer --; // ежесекундный декремент этого таймера
    }
    if (MenuTimeoutTimer != 0) {
      MenuTimeoutTimer --; // ежесекундный декремент этого таймера
    }
  }
}

void TimerXSetup(int X) {
      MenuTimeoutTimer = 10; //таймер таймаута, секунд
      lcd.clear();
      lcd.setCursor(0, 0); //инфо на LCD
      lcd.print(F("SETUP TIMER"));  
      lcd.print(X+1);  // выводим номер таймера на LCD
      delay(200);
      Hours=Timer[X].Hours;
      Minutes=Timer[X].Minutes;
      SetYesNo = false;
      PrintYesNo = true;
      SetTime(0,1); // в позиции 0,1 - запрос ввода времени
      if (MenuTimeoutTimer != 0) {
        if (SetYesNo) // если при установке времени выбрано "Yes"
        {
          if (BeepEnabled) {
            tone(BeepPin,BeepToneYes,BeepToneYesDuration); //звук "YES"
          }
          Timer[X].Hours = Hours;
          Timer[X].Minutes = Minutes;
          Timer[X].Enabled = true;
          EEPROM.updateBlock(int(&TimerEE[X]), Timer[X]);
          MenuTimeoutTimer = 10; //таймер таймаута, секунд
          lcd.clear();
          lcd.setCursor(0, 0); //инфо на LCD
          lcd.print(F("Timer"));
          lcd.print(X+1);
          lcd.print(F(" Temp. Set"));  
          delay(200);
          do {
            lcd.setCursor(0,1);
            if (blink500ms) {
              lcd.print(F("     "));  
            } 
            else {
              lcd.print(Timer[X].Temperature, 1);  
              lcd.write(0x02); // значок градуса
            }
            if (digitalRead(UpButtonPin) == 0) {
              Timer[X].Temperature += 0.1;
              delay(200);
            }
            if (digitalRead(DownButtonPin) == 0) {
              Timer[X].Temperature -= 0.1;
              delay(200);
            }
            Timer[X].Temperature = constrain(Timer[X].Temperature, 10, 35); // крайние значения
          }
          while ((digitalRead(SetButtonPin) == 1)|(MenuTimeoutTimer==0));

          if (MenuTimeoutTimer != 0) { // если после выбора температуры нажата кнопка Setup
          EEPROM.updateBlock(int(&TimerEE[X]), Timer[X]);
            if (BeepEnabled) {
              tone(BeepPin,BeepToneYes,BeepToneYesDuration); //звук "YES"
            }
          }
          else { // если не нажата - используем старую температуру
          EEPROM.readBlock(int(&TimerEE[X]), Timer[X]);
            if (BeepEnabled) {
              tone(BeepPin,BeepToneYes,BeepToneYesDuration); //звук "YES"
            }
          }     
        }
        else // если при установке времени выбрано "No"
        {
          if (BeepEnabled) {
            tone(BeepPin,BeepToneNo,BeepToneNoDuration); //звук "NO"
          }
          EEPROM.readBlock(int(&TimerEE[X]), Timer[X]);
          Timer[X].Enabled = false;
          EEPROM.updateBlock(int(&TimerEE[X]), Timer[X]);
        }
      }
      else {
        if (BeepEnabled) {
          tone(BeepPin,BeepToneNo,BeepToneNoDuration); //звук "NO"
        }
      }
}

 

KymStan
Offline
Зарегистрирован: 04.01.2014

Собрал с Вашими скетчами термостат в октябре 2018 года. Работает без проблем, пошел третий сезон. Спасибо.

vlad219i
Offline
Зарегистрирован: 05.03.2014

Вот и у меня с 2014-го года он так и работает. Удачная оказалась железка, удобная и самодостаточная.

Sergey_71
Offline
Зарегистрирован: 07.03.2021

Здравствуйте господа, пытаюсь повторить термостат на радио модуле и у меня есть вопросы к demonik-13. Просьба пояснить для чего в передатчике ставить реле и что оно соединяет? Какие пины?

MaKo
Offline
Зарегистрирован: 25.10.2017

Sergey_71 пишет:

Здравствуйте господа, пытаюсь повторить термостат на радио модуле и у меня есть вопросы к demonik-13. Просьба пояснить для чего в передатчике ставить реле и что оно соединяет? Какие пины?

Реле ставится для того чтобы включить котел. Реле замыкает два контакта блока управления котлом, смотрите свою схему котла (подключение внешнего термостата).

 

Sergey_71
Offline
Зарегистрирован: 07.03.2021

Реле стоит в приемнике и включает котел, а в передатчике зачем? Если посмотреть скетч, то в нем есть строка где написано, что реле по умолчанию подключено на 6 ногу(#define Relay  6 // нога, к которой подключено реле). И что оно там включает? Есть еще: int buttonPin1 = 6;. Что это за кнопка которая тоже подключена на 6 ногу и с каким пином она соединяется?

 

 

 

MaKo
Offline
Зарегистрирован: 25.10.2017

Sergey_71

Предположу, возможно хвосты от наработок.

p.s.

И вообще это самый странный форум который когда-либо я встречал, здесь нельзя писать в личку, и соответственно ответа можно ждать долго или вовсе не дождаться.

Sergey_71
Offline
Зарегистрирован: 07.03.2021

Да нет, в коментах написано, что пока  buttonPin нажата идет отправка пакета.

eXL
Offline
Зарегистрирован: 23.07.2017

Напомните как делать "хард ресет" в первом варианте устройства, три года прошло, понадобился еще один такой, а не помню.

vlad219i
Offline
Зарегистрирован: 05.03.2014

eXL пишет:

Напомните как делать "хард ресет" в первом варианте устройства, три года прошло, понадобился еще один такой, а не помню.

Включить устройство с зажатой кнопкой энкодера.

Исправленный код - в сообщении #71 в этой ветке. 

eXL
Offline
Зарегистрирован: 23.07.2017

Сенкс.