посторался внять всем вашим советам, но потустароние силы заставили меня сделать по своему
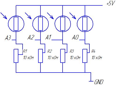
1) нашел 4 подстроечных резистора 10 кОМ
2) собрал испытательный стенд
3) потустороние силы очень мешали и я быстро собрал схему и подключил ее к Ардуино, без измерений сопративлений и даже не паял, скетч был залит и заработало все сразу
результат:
снова появилась ступенька
взял отвертку и начал регулировать
выровнял до первого результата и больше не регулировал
результат 1: 882-884, 886-889, 880-885, 887-889 считаю отлично
убавил яркость светодиодов
результат 2: 566-570, 568-572, 570-572, 568-573 - считаю отличным
убавил яркость еще
результат 3: 123-130, 100-112, 124-130, 112-122 здесь я не совсем понял поведение второго регистра
4) в связи с конкретным вмешательством потустороних сил эксперемент пришлось остановить
насколько я понял на матрице не измеришь освещеность конкретного пиксела
кто сказал? Другое дело что конктрено у меня в этом нет опыта, но что мешает получить код пикселя? BMP расширение помните? там у каждой точки есть код и он пропорционален интенсивности...
насколько я понял на матрице не измеришь освещеность конкретного пиксела
кто сказал? Другое дело что конктрено у меня в этом нет опыта, но что мешает получить код пикселя? BMP расширение помните? там у каждой точки есть код и он пропорционален интенсивности...
много читал по этому вопросу, там код RGB - это цветность. но не мощность излучения, Может я не прав, поэтому изучаю дальше этот вопрос, и не пытаюсь данное утверждать.
пока я выбрал фоторезистр, жена предлагала купить модуль цветности TCS3200 но, он реально только Частоту света выдает, Мощности нет
Светодиоды имеют линзу и фокусируют луч.
Но вы этого не видите.
Поставьте подальше от них ( посередине ) матовое стекло ( или лист бумаги )
кого это интересует - у товарища сферический конь в вакууме лучь, источником одного луча являются четыре светодиода - каждый светодиод выдаёт 1/4 луча, в полёте до мишени, четвертинки смешиваются.
*соврал - светодиодов пять, всё усложняется - 1/5 луча не попадает, в мишень.
много читал по этому вопросу, там код RGB - это цветность. но не мощность излучения, Может я не прав, поэтому изучаю дальше этот вопрос, и не пытаюсь данное утверждать.
этим вы меня убили... код содержит интенсивность красного +зеленого+синего. И в зависимости от этой интенсивности они смешиваются программой. предположим нет красного и зеленого остается интенсивность синего. Сколько синего в белом свете? а если ярче сделать, значение кода будет выше - другое дело разрядность 8 или 16 или 32 бита - это другой вопрос, сейчас чистая теория
много читал по этому вопросу, там код RGB - это цветность. но не мощность излучения, Может я не прав, поэтому изучаю дальше этот вопрос, и не пытаюсь данное утверждать.
этим вы меня убили... код содержит интенсивность красного +зеленого+синего. И в зависимости от этой интенсивности они смешиваются программой. предположим нет красного и зеленого остается интенсивность синего. Сколько синего в белом свете? а если ярче сделать, значение кода будет выше - другое дело разрядность 8 или 16 или 32 бита - это другой вопрос, сейчас чистая теория
как тогда снять значение этой энтенсивности до пограмной обработки подойдет ли для этого Ардуино?
Светодиоды имеют линзу и фокусируют луч.
Но вы этого не видите.
Поставьте подальше от них ( посередине ) матовое стекло ( или лист бумаги )
кого это интересует - у товарища сферический конь в вакууме лучь, источником одного луча являются четыре светодиода - каждый светодиод выдаёт 1/4 луча, в полёте до мишени, четвертинки смешиваются.
*соврал - светодиодов пять, всё усложняется - 1/5 луча не попадает, в мишень.
Мне нужно было не измерть силу луча, а получить равную освещеность для калибровки ячейки фоторезистров,
что на чертеже это по сути своей просто колибровщик, чтобы привести фоторезистры к "нормальному бою"
Мне нужно было не измерть силу луча, а получить равную освещеность для калибровки ячейки фоторезистров,что на чертеже это по сути своей просто колибровщик, чтобы привести фоторезистры к "нормальному бою" из-за неоднородности своих показаний
Мне нужно было не измерть силу луча, а получить равную освещеность для калибровки ячейки фоторезистров,что на чертеже это по сути своей просто колибровщик, чтобы привести фоторезистры к "нормальному бою" из-за неоднородности своих показаний
Посмотрите ВНИМАТЕЛЬНО на картинку и попытайтесь понять
почему источники света с линзами не могут создать равномерную освещённость.
много читал по этому вопросу, там код RGB - это цветность. но не мощность излучения, Может я не прав, поэтому изучаю дальше этот вопрос, и не пытаюсь данное утверждать.
этим вы меня убили... код содержит интенсивность красного +зеленого+синего. И в зависимости от этой интенсивности они смешиваются программой. предположим нет красного и зеленого остается интенсивность синего. Сколько синего в белом свете? а если ярче сделать, значение кода будет выше - другое дело разрядность 8 или 16 или 32 бита - это другой вопрос, сейчас чистая теория
опять разбираюсь с матрицами не совсем понятно с интенсивностью
цитата : "снимки поверхности (кадры) имеют разрешение 30х30 и представляют собой все ту же матрицу пикселей, цвет каждого из которых закодирован 8-ю битами, т.е. одним байтом (соответствует 256 градациям серого для каждого пикселя). Таким образом, каждый поступающий в DSP процессор кадр (фрейм) представляет собой последовательность из 900 байт данных."
цитата : "снимки поверхности (кадры) имеют разрешение 30х30 и представляют собой все ту же матрицу пикселей, цвет каждого из которых закодирован 8-ю битами, т.е. одним байтом (соответствует 256 градациям серого для каждого пикселя). Таким образом, каждый поступающий в DSP процессор кадр (фрейм) представляет собой последовательность из 900 байт данных."
пиксел это всеже цветность или интенсивность?
В программе много наворотов, а в устройстве CCD (ПЗС) их нет. Устройство принимает некоторое количество света (интенсивность) и превращает их в код, если прибор цветной – то одному пикселю соответствует 3 интенсивности основных цветов. (точка, жирная), интенсивность можно поднять оптикой, ослабить фильтром, ограничить диафрагмой - это железно. Программно: можно каждый канал умножить на пропорциональную константу (яркость), наложить цифровой фильтр (контрастность) , ослабить один канал или несколько (коррекция RGB). - очень упрощенно.
А теперь мой вопрос!!! И я требую ответа: я описал интенсивность – что такое цветность?
ЗЫ. у Вас вообще в школе была физика? а конкретно: призмой белый свет в радугу раскладывали?
цитата : "снимки поверхности (кадры) имеют разрешение 30х30 и представляют собой все ту же матрицу пикселей, цвет каждого из которых закодирован 8-ю битами, т.е. одним байтом (соответствует 256 градациям серого для каждого пикселя). Таким образом, каждый поступающий в DSP процессор кадр (фрейм) представляет собой последовательность из 900 байт данных."
пиксел это всеже цветность или интенсивность?
В программе много наворотов, а в устройстве CCD (ПЗС) их нет. Устройство принимает некоторое количество света (интенсивность) и превращает их в код, если прибор цветной – то одному пикселю соответствует 3 интенсивности основных цветов. (точка, жирная), интенсивность можно поднять оптикой, ослабить фильтром, ограничить диафрагмой - это железно. Программно: можно каждый канал умножить на пропорциональную константу (яркость), наложить цифровой фильтр (контрастность) , ослабить один канал или несколько (коррекция RGB). - очень упрощенно.
А теперь мой вопрос!!! И я требую ответа: я описал интенсивность – что такое цветность?
ЗЫ. у Вас вообще в школе была физика? а конкретно: призмой белый свет в радугу раскладывали?
отвечаю на ваш вопрос: Цветность - Элемент спецификации цвета, который не включает светимость (мощность света- мое дополнение как я понимаю слово светимость). Цветность – это двумерная величина, которая определяется парой чисел: доминирующей длинной волны и чистотой цвета.
Физика была как в школе, так и в институте, причем углубленая физика. Поэтому я придерживаюсь основ физики но верю не всему, что пытаются навязать как постулат. В оптике очень много белых пятен. Пол оптики основано на корпускулярной теории, пол оптики на волновой - т.е . оптика, операюсь на свой опыт это из разряда чародейства, это очень мнимая наука, хотя имеет свои законы и поддается математике.
многие вопросы по этой теме, которые мне интересны очень просты, но официальная наука их освещает либо однобоко, либо вообще ответа нет.
Касательно пиксела - откройте любой ролик на экране компьютера с мощным источником света - он вас ослепит, как если бы он стоял перед Вами? И какая точка (пиксел) больше передаст света? Поэтому я и утверждаю что матрица CCD (ПЗС) не дает представления об силе (мощности на площадь) света, а передает только цветность!
отвечаю на ваш вопрос: Цветность - Элемент спецификации цвета, который не включает светимость (мощность света- мое дополнение как я понимаю слово светимость). Цветность – это двумерная величина, которая определяется парой чисел: доминирующей длинной волны и чистотой цвета.
...
В споре раждается истина!
лирика... согласен, но добавлю, здесь все проще... и намного шире нужно смотреть на эти вещи так сказать со свех сторон...
по теме: нас интересует интеграл интенсивностей отрезка спектра т.к. пиксель (черно-белый для простоты) зарегистрирует этот интеграл как (среднюю) интенсивность - тут интегральная чувствительность прибора к спектру т.е. чистая характеристика прибора (рис 1 хоть с этого сайта). А узкую полосу мы можем получить только световым фильтром и снова зарегистрировать только ее интенсивность согласно чувствительности прибора к этой длине волны. Т.е. ПЗС матрица это куча фотоэлементов (на пример фоторезисторов). При этом цветная, еще и регистрирует интенсивности трех основных цветов и когда мы считываем данные с матрицы, мы читаем чистый код (набор цифр 0 и 1), а его очередь в потоке определяет его принадлежность к пикселю и цвету… в потоке нет другого указателя на цвет, кроме места в этом потоке!!! ЧБ матрица, как наш глаз ночью – измеряет интенсивность !!! есть свет – белое пятно, мало – серое, нет - черное… и в пределах измерения чувствительности ЧБ ПЗС мы получаем код (если 8 бит - то 255 порогов. 0- нет света, 255 – ослепили) и только зная свою ПЗС мы в программе реализуем картинку. Я не зря привел скрин из Paint там цифирками эти пороги подписаны и если все сделать 0 - черный , все 3 ргб по 255 - белый. поставите руками все 3 ргб в Paint по 255, а потом руками поменяете "яркость" на 100 к примеру и посмотрите, что стало с цветами :) - это изменилась их интенсивность!!! НО компьютер может еще умножить все цвета на коэффициент... а у экрана монитора есть лампа - которой плевать на цвет матрицы, это матрица задерживает (пропускает) участки спектра лампы и мы видим цветное изображение. По этому даже черный такой яркий :) т.к. пиксель просто ослабил в свою полную силу свет лампы НО не задержал его полностью - это удел контрастности нашего диплея... кажись все...наверное
отвечаю на ваш вопрос: Цветность - Элемент спецификации цвета, который не включает светимость (мощность света- мое дополнение как я понимаю слово светимость). Цветность – это двумерная величина, которая определяется парой чисел: доминирующей длинной волны и чистотой цвета.
...
В споре раждается истина!
лирика... согласен, но добавлю, здесь все проще... и намного шире нужно смотреть на эти вещи так сказать со свех сторон...
по теме: нас интересует интеграл интенсивностей отрезка спектра т.к. пиксель (черно-белый для простоты) зарегистрирует этот интеграл как (среднюю) интенсивность - тут интегральная чувствительность прибора к спектру т.е. чистая характеристика прибора (рис 1 хоть с этого сайта). А узкую полосу мы можем получить только световым фильтром и снова зарегистрировать только ее интенсивность согласно чувствительности прибора к этой длине волны. Т.е. ПЗС матрица это куча фотоэлементов (на пример фоторезисторов). При этом цветная, еще и регистрирует интенсивности трех основных цветов и когда мы считываем данные с матрицы, мы читаем чистый код (набор цифр 0 и 1), а его очередь в потоке определяет его принадлежность к пикселю и цвету… в потоке нет другого указателя на цвет, кроме места в этом потоке!!! ЧБ матрица, как наш глаз ночью – измеряет интенсивность !!! есть свет – белое пятно, мало – серое, нет - черное… и в пределах измерения чувствительности ЧБ ПЗС мы получаем код (если 8 бит - то 255 порогов. 0- нет света, 255 – ослепили) и только зная свою ПЗС мы в программе реализуем картинку. Я не зря привел скрин из Paint там цифирками эти пороги подписаны и если все сделать 0 - черный , все 3 ргб по 255 - белый. поставите руками все 3 ргб в Paint по 255, а потом руками поменяете "яркость" на 100 к примеру и посмотрите, что стало с цветами :) - это изменилась их интенсивность!!! НО компьютер может еще умножить все цвета на коэффициент... а у экрана монитора есть лампа - которой плевать на цвет матрицы, это матрица задерживает (пропускает) участки спектра лампы и мы видим цветное изображение. По этому даже черный такой яркий :) т.к. пиксель просто ослабил в свою полную силу свет лампы НО не задержал его полностью - это удел контрастности нашего диплея... кажись все...наверное
Теория вещь изумительная, но где взять такую матрицу и как ей воспользоваться ?
Теория вещь изумительная, но где взять такую матрицу и как ей воспользоваться ?
это точно! в посте 76 я давал сылку, к сожалению у меня нет требуемого опыта, да и про мышь я тоже писал - но теперь вы хоть знаете что искать!!!!
1) ардуинка слаба тянуть весь кадр, можно "запоминать" каждый n-й пиксель из каждой i-й строки
2) записывать в массив - это получим результат
3) я уже забыл что нам делать с результатом... короче элементы массива и разных массивов это просто байты их можно сравнить, вычесть, сложить - все, что угодно.
4) попробуйте найти информацию по "OV7670 300KP VGA Camera Module for Arduino" или мышки и людей кто с этим связан... помнится у мышки разрешение 15х15 очень хорошо для тренировки - любая ПЗС будет отличаться технически, но не теоретически!
5) можно и дальше строить ПЗС из ФР - хорошая практика будет, можно параллельно работать
UPD. есть еще интересная вещь процессинг - можно нарисовать квадратики и они будут менять свой цвет от значения в массиве - очень медленно, но можно смотреть результат как в видеокамеру даже с ФР, вот это и мне под силу (с ФР),
UPD. это даже интересно - фото матрица на резисторах, можно начать с 4шт!!!!
Цветность - Элемент спецификации цвета, который не включает светимость (мощность света- мое дополнение как я понимаю слово светимость). Цветность – это двумерная величина, которая определяется парой чисел: доминирующей длинной волны и чистотой цвета.
Замечательно.
Только, говоря о цвете, не следует пуцтать физику и физиологию.
Трехмерное цветовое пространство - это следствие именно физиологии: у человеческого зрительного анализатора три типа цветочувствительных рецепторов.
Вы говорите об одномерной светимости и двумерной цветности - вместе они составляют трехмерное цветовое пространство HSV. Сигнал же приходит в пространстве RGB. Нужно просто преобразовать одно представление в другое. Т.е. RGB->HSV.
Нам даже не нужно полное HSV, достаточно лишь интенсивности, которая вычисляется по формуле:
Нам даже не нужно полное HSV, достаточно лишь интенсивности, которая вычисляется по формуле:
V = 0.30*R + 0.59*G + 0.11*B
не согласен с константами - это для каких типов чувствительных элементов, там есть фильтр и т.д.? ТС этого пока не требуется - иначе он вообще запутается между высшей физикой и прикладной теорией
Нам даже не нужно полное HSV, достаточно лишь интенсивности, которая вычисляется по формуле:
V = 0.30*R + 0.59*G + 0.11*B
не согласен с константами - это для каких типов чувствительных элементов, там есть фильтр и т.д.? ТС этого пока не требуется - иначе он вообще запутается между высшей физикой и прикладной теорией
и, мне кажется, он уже нас покинул (сбежал)
Мы с поля боя не бежим! своих не бросаем!)
с приходом темноты начинается самый процесс
провел большую работу
1) добрался до тестра снял характеристики с фоторезистров
Фоторезистры
вот как на картинке все имеют линейную характеристику, только с очень разными углами, при их производстве ни кто не заморачивался.
если концы всех графиков можно совместить подстроечным резистром, другие концы графика убегают кто куда
поясняю: при высоком уровне освещения настраиваю все фоторезисты на одно значение, уменьшаю уровень освещения начинается разбег в разные стороны, еще понижаю - еще сильнее разбег,очень линейно, но в разные стороны
затем нашел характеристики этих ФР с картинки,
Сопротивление при 10 люкс: 24 ± 12 кОм
о чем тут говорить, так +- 12 кОм
Ввывод: фоторезистры на картинки не пригодны для использования как элемент матрицы. Не делайте моих ошибок,покупайте качественые фоторезистры
2) математикой и физикой меня испугать трудно. Два года назад помогал профессору-интузиасту проверить некоторые его доводы.Работает он с мозгом человека. Нужно было построить модель зрения для студентов медиков
задача: обработка двух картинок одной поверхности сделаных с двух точек, угол известен, оптические оси пересекаются, фокусы одинаковые
среда програмирования Визуальный бейсик
результат был почти положительным.
цель профессорабыла достигнута, а я задумался о более другой сфере применения полученого мною опыта!
выводы которые я сделал когда беседовал с профессором:
а) в природе все гораздо проще, мозг по характеристикам в подметки даже Пентиуму 1 не годится, а у нас программа обработки двух картинок современую нафаршировоную машину заставляет задуматся.
б) программу пытался переделывать под свою задачу, но очень сильно чегото не хватало (сознание какой то "безжизнености" картинок -отсутствие параметра)
3) дозвонился до человека который занимается проектированием цифровых фото, видео устройств
(2часа международной связ жена повесит)
В краце что узнал:
все современые матрицы будь то ПЗС или КМОП ЭТО ПОЛНЫЙ АНАЛОГ ФОТОПЛЕНКИ, фотопленка не имеет ни какой информации об силе света
для регулировки силы света поподающего на матрицу стоит все тот же пресловутый фоторезистор, моножеством способов (электроными, механическими, оптическими) регулирует допустимую силу света
интересную мысль подкинул мне товарищ: соорудить ФРматрицу под линзой, и наложить данные С ПЗС на данные с ФР матрицы, только ПЗС матрица должна быть очень низкого разрешения с токой же линзой ( под линзой имею ввиду характеристики фокус, силу линзы)
Пока ПЗС матрица мне не доступна ( В физическом ее применении, у меня уже накопилась их колекция 4 разобраных мышки, 2 веб камеры, 1 фотоаппарат)
продолжу пока пытать ФР
ближайший план: закупить качественые ФР российского производства.
Фоторезисторы (табл. 12.18 и 12.18а) используют в компенсационных стабилизаторах напряжения, для автоматической регулировки яркости в телевизорах, в автостопах для магнитофонов.
Таблица 12.18а. Полупроводниковые сернисто-свинцовые и селенисто-свинцовые фоторезисторы
Тип
Допускаемая мощность рассеяния, Вт
Рабочее напряжение, В
Темновое сопротивление, кОм
Rt/^св.
не менее
Относительное изменение СОт противления, %, не менее
Удельная чувствительность, мкА/(лм. В)
Постоянная времени; мкс
ФСА-І
0,01
2—100
22—1000
В 1,2
20
500
40—400
ФСА-1а
0,01
2—100
22—1000
1,2
20
500
40—400
ФСА-6
0,01
5—30
50—300
1,2
20
500
40—400
ФСА-Г1
0.01
4—40
47—470
1,2
20
500
40—400
ФСА-Г2
0,01
4—40
47—470
1,2
20
500
40-—400
СФ4-1
0,01
2—15
0,1—1000
- —- .
1,3
. , ГГ"
3-—20
Темновое сопротивление ||! Ц сопротивление фоторезистора при полной защите проводящего элемента от воздействия потока излучеіыя.
Кратность изменения сопротивления RT/RCb — отношение темпового сопротивления фоторезистора к его сопротивлению при освещенности 20 лк от источника излучения с цветовой-температурой 2856 К.
Темновой ток )§ Я ток, который протекает через фоторезистор, включенный в цепь с источником ЭДС при полной защите проводящего элемента от потока излучения.
Световой ток Щ— ток фоторезистора при рабочем напряжении и освещенности 200 лк от источника излучения с цветовой температурой 2850 К.
Фототок /ф — разность между световым и тем-* новым током фоторезистора.
Чувствительность фоторезистора — отношение фототока, определенного при освещенности 200 лк и соответствующем рабочем напряжении, к величине светового потока.
12.5 ФОТОЭЛЕМЕНТЫ
Фотоэлемент представляет собой двухэлек-тродкый электровакуумный прибор, служащий для преобразования световой энергии в электрическую. Под действием света, падающего на фотоэлектронный катод, нанесенный на внутреннюю поверхность стеклянного баллона (или на пластинку, закрепленную в определенном месте баллона). катод эмиттирует поток электронов.
Анодом служит проволочное кольцо (или пластинка из никеля), расположенное так, чтобы не мешать попаданию светового потока на катод.
* Сокращенные обозначения материалов 'фотокатодов: В — висмуто-серебряно-цезиевый; Г —сурьмяно-галлиево-на-трнево-цезиевый; К — кислородно-серебряно-цезиевый; М — магниевый; С — сурьмяно-цезиевый; Щ—мульти щелочной; СКН — сурьмяно-калиево-натриево-цезиевый.
*:* Без скобок указано номинальное напряжение питания, в скобках—г максимально допускаемое напряжение.
на таблицу смотрю с восхищением: неделю придётся выбирать из громадного ассортимента аж из четырёх позиций.
кто тебе сказал, что у китайских фоторезисторов нет паспортных характеристик? - то, что тебе через десятые руки их впарили без сопроводительной документации, ни о чём не говорит.
*тебе нужно ориентироваться на качественные импортные фоторезисторы, применяемые в оптике.
вот разогнались, не остановить.... :) сперва нужно выбрать материалы для фоточувствительного элемента для своей задачи, потом можно поискать фотоприемники на основе этого материала (Клапауций 001 прав, нужно гуглить не в России).
характеристики в табличках интересные - могу сам такие настряпать :) . особенно первая, если выкинуть первый столбец с размерами (он отвечает за Постоянную времени; мкс - в другой табличке явно сказан этот параметр) - остальное нас даже очень интересует,
теперь вопрос: а что нам нужно? сила света и время регистрации (Постоянная времени; мкс), длина волны - это вроде все параметры исследуемого явления? какие они?
по поводу разброса параметров - изделие штучное, можно и нормировать показания индивидуально.
по поводу матрицы из мыши - там сложность с фокусировкой пучка до размера фоточувствительного элемента матрицы или в подключении?
мне, вообще, кажется, что ТС нужен фотодиод, а не фоторезистор.
Фотодиоды представляют собой полупроводниковые приборы, которые создают ток или напряжении при освещении их светом. У них отсутствует внутренний коэффициент усиления, но они могут работать при существенно больших значениях уровня освещенности, чем другие детекторы. Кремниевые фотодиоды применяются в точной фотометрии, медицине, аналитическом приборостроении и в промышленных применениях.
сумашедший ассортимент - тут можно посмотреть документацию
Фр 1 имеет характеристику параллерную Фр 4. ее можно без проблем подтянуть подстроечным резистром, что я и сделал. два Фоторезистра работают как часики
фр 2 и фр 3 я подтянул при определеном уровне освещености , при изменении освещености ФР2 И фР 3 ПРОВАЛИВАЮТСЯ относительно Фр 1 и Фр 4 которые всегда показывают равные значения
при возврате к уровню освещености на котором производилась настройка подстроечным резистором Фр1=Фр2=Фр3=Фр4
что нужно получить от новых фоторезистров
чтобы характеристики не то чтобы совпадали (эту задачу решаем подстройкой) а имели полную параллельность
Тогда дальнейший эксперимент пойдет успешно.
В той красивой таблице и в датешите на импортные аналоги ничего не сказано про то свойство которое нам нужно
соответствено я сделал вывод что нужны фоторезистры хотя бы одной парти
У меня была возможность попросить человека заехать в Чип и Дип, и предется решаться на что то когда он будет там
мы не ищем легких путей :)
перефразирую: мы хитрые нисчеброды - нас забанили на рынке качественных фоторезисторов.
перефразирую: мы хитрые нисчеброды - нас забанили на рынке качественных фоторезисторов.
так и подмывает спросить про разрешающую способность девайса… и предложить полноразмерную матрицу [full-Frame] и DIGIC 4 :)
так и подмывает спросить про разрешающую способность девайса…
разрешающая способность девайса позволяет использовать некачественные компоненты(с)так и подмывает...
Доброго дня уважаемые форумчане!
посторался внять всем вашим советам, но потустароние силы заставили меня сделать по своему
1) нашел 4 подстроечных резистора 10 кОМ
2) собрал испытательный стенд
3) потустороние силы очень мешали и я быстро собрал схему и подключил ее к Ардуино, без измерений сопративлений и даже не паял, скетч был залит и заработало все сразу
результат:
снова появилась ступенька
взял отвертку и начал регулировать
выровнял до первого результата и больше не регулировал
результат 1: 882-884, 886-889, 880-885, 887-889 считаю отлично
убавил яркость светодиодов
результат 2: 566-570, 568-572, 570-572, 568-573 - считаю отличным
убавил яркость еще
результат 3: 123-130, 100-112, 124-130, 112-122 здесь я не совсем понял поведение второго регистра
4) в связи с конкретным вмешательством потустороних сил эксперемент пришлось остановить
очень сожелею что не успел отработать с линзой
жду вечера!!
перефразирую: мы хитрые нисчеброды - нас забанили на рынке качественных фоторезисторов.
так и подмывает спросить про разрешающую способность девайса… и предложить полноразмерную матрицу [full-Frame] и DIGIC 4 :)
Разрешающая способность намного лучше чем у экипажей подводной лодки, но лодки как то плавуют под водой, значит этого достаточно?
2) собрал испытательный стенд
теперь всё тоже самое, но с одним светодиодом и с одним фоторезистором.
*про загадочные ступеньки можешь не рассказывать - купи тестер.
Разрешающая способность намного лучше чем у экипажей подводной лодки, но лодки как то плавуют под водой, значит этого достаточно?
все зависит от задачи и цели, а мы пока можем догадываться... и, по возможности, помогать если нам по силам и есть время... (каламбур получился)
Матрица есть, найти в продаже не смог, но купил две вебки для разборки
пытаюсь понять что мне это даст,
насколько я понял на матрице не измеришь освещеность конкретного пиксела
насколько я понял на матрице не измеришь освещеность конкретного пиксела
кто сказал? Другое дело что конктрено у меня в этом нет опыта, но что мешает получить код пикселя? BMP расширение помните? там у каждой точки есть код и он пропорционален интенсивности...
но, это у меня нет опыта, а у людей есть
2) собрал испытательный стенд
теперь всё тоже самое, но с одним светодиодом и с одним фоторезистором.
*про загадочные ступеньки можешь не рассказывать - купи тестер.
Так ступеньки исчезли после регулировки подстроечными резистрами, есть небольшие колебания в разумных пределах, а так все ок
тестер есть
насколько я понял на матрице не измеришь освещеность конкретного пиксела
кто сказал? Другое дело что конктрено у меня в этом нет опыта, но что мешает получить код пикселя? BMP расширение помните? там у каждой точки есть код и он пропорционален интенсивности...
много читал по этому вопросу, там код RGB - это цветность. но не мощность излучения, Может я не прав, поэтому изучаю дальше этот вопрос, и не пытаюсь данное утверждать.
пока я выбрал фоторезистр, жена предлагала купить модуль цветности TCS3200 но, он реально только Частоту света выдает, Мощности нет
Светодиоды имеют линзу и фокусируют луч.
Но вы этого не видите.
Поставьте подальше от них ( посередине ) матовое стекло ( или лист бумаги )
Светодиоды имеют линзу и фокусируют луч.
Но вы этого не видите.
Поставьте подальше от них ( посередине ) матовое стекло ( или лист бумаги )
кого это интересует - у товарища
сферический конь в вакуумелучь, источником одного луча являются четыре светодиода - каждый светодиод выдаёт 1/4 луча, в полёте до мишени, четвертинки смешиваются.*соврал - светодиодов пять, всё усложняется - 1/5 луча не попадает, в мишень.
Человек никогда не видел что такое фотоувеличитель и не слышал о коллиматоре .
Ну и про диффузное рассеивание ( отражение) тоже
http://i2.rozetka.ua/goods/1962/1962885.gif
много читал по этому вопросу, там код RGB - это цветность. но не мощность излучения, Может я не прав, поэтому изучаю дальше этот вопрос, и не пытаюсь данное утверждать.
этим вы меня убили... код содержит интенсивность красного +зеленого+синего. И в зависимости от этой интенсивности они смешиваются программой. предположим нет красного и зеленого остается интенсивность синего. Сколько синего в белом свете? а если ярче сделать, значение кода будет выше - другое дело разрядность 8 или 16 или 32 бита - это другой вопрос, сейчас чистая теория
много читал по этому вопросу, там код RGB - это цветность. но не мощность излучения, Может я не прав, поэтому изучаю дальше этот вопрос, и не пытаюсь данное утверждать.
этим вы меня убили... код содержит интенсивность красного +зеленого+синего. И в зависимости от этой интенсивности они смешиваются программой. предположим нет красного и зеленого остается интенсивность синего. Сколько синего в белом свете? а если ярче сделать, значение кода будет выше - другое дело разрядность 8 или 16 или 32 бита - это другой вопрос, сейчас чистая теория
как тогда снять значение этой энтенсивности до пограмной обработки подойдет ли для этого Ардуино?
как тогда снять значение этой энтенсивности до пограмной обработки подойдет ли для этого Ардуино?
пост 60, а вот и коды РГБ
Светодиоды имеют линзу и фокусируют луч.
Но вы этого не видите.
Поставьте подальше от них ( посередине ) матовое стекло ( или лист бумаги )
кого это интересует - у товарища
сферический конь в вакуумелучь, источником одного луча являются четыре светодиода - каждый светодиод выдаёт 1/4 луча, в полёте до мишени, четвертинки смешиваются.*соврал - светодиодов пять, всё усложняется - 1/5 луча не попадает, в мишень.
Мне нужно было не измерть силу луча, а получить равную освещеность для калибровки ячейки фоторезистров,
что на чертеже это по сути своей просто колибровщик, чтобы привести фоторезистры к "нормальному бою"
Человек никогда не видел что такое фотоувеличитель и не слышал о коллиматоре .
Ну и про диффузное рассеивание ( отражение) тоже
http://i2.rozetka.ua/goods/1962/1962885.gif
Мне нужно было не измерть силу луча, а получить равную освещеность для калибровки ячейки фоторезистров,что на чертеже это по сути своей просто колибровщик, чтобы привести фоторезистры к "нормальному бою" из-за неоднородности своих показаний
как тогда снять значение этой энтенсивности до пограмной обработки подойдет ли для этого Ардуино?
пост 60, а вот и коды РГБ
не совсем понял что такое пост 60
не совсем понял что такое пост 60
не совсем понял что такое пост 60
пойду до АЙтишников за мышью!!! Спасибо за мысль!!!
пойду до АЙтишников за мышью!!! Спасибо за мысль!!!
ха-ха-ха вы хоть в суть вникните, размеры камеры, чувствительность, как подключить... можно и с поиска мышки начать, а потом линзы ... крепления...
это лишь пример - не более, дальше долгий путь исследования
пойду до АЙтишников за мышью!!! Спасибо за мысль!!!
ха-ха-ха вы хоть в суть вникните, размеры камеры, чувствительность, как подключить... можно и с поиска мышки начать, а потом линзы ... крепления...
это лишь пример - не более, дальше долгий путь исследования
мышь у меня, чтож вскрытие покажет!!
мышь у меня, чтож вскрытие покажет!!
как разковыряете мышь , почитайте это, может поможет...
Мне нужно было не измерть силу луча, а получить равную освещеность для калибровки ячейки фоторезистров,что на чертеже это по сути своей просто колибровщик, чтобы привести фоторезистры к "нормальному бою" из-за неоднородности своих показаний
Посмотрите ВНИМАТЕЛЬНО на картинку и попытайтесь понять
почему источники света с линзами не могут создать равномерную освещённость.
И это вид сбоку, а вообще-то там окружности......
http://transitionbath.org/led-try-buy-scheme/led-light-intensity-from-different-beam-angles/
http://www.ledwaves.com/pages/about-beam-angles
много читал по этому вопросу, там код RGB - это цветность. но не мощность излучения, Может я не прав, поэтому изучаю дальше этот вопрос, и не пытаюсь данное утверждать.
этим вы меня убили... код содержит интенсивность красного +зеленого+синего. И в зависимости от этой интенсивности они смешиваются программой. предположим нет красного и зеленого остается интенсивность синего. Сколько синего в белом свете? а если ярче сделать, значение кода будет выше - другое дело разрядность 8 или 16 или 32 бита - это другой вопрос, сейчас чистая теория
опять разбираюсь с матрицами не совсем понятно с интенсивностью
цитата : "снимки поверхности (кадры) имеют разрешение 30х30 и представляют собой все ту же матрицу пикселей, цвет каждого из которых закодирован 8-ю битами, т.е. одним байтом (соответствует 256 градациям серого для каждого пикселя). Таким образом, каждый поступающий в DSP процессор кадр (фрейм) представляет собой последовательность из 900 байт данных."
пиксел это всеже цветность или интенсивность?
цитата : "снимки поверхности (кадры) имеют разрешение 30х30 и представляют собой все ту же матрицу пикселей, цвет каждого из которых закодирован 8-ю битами, т.е. одним байтом (соответствует 256 градациям серого для каждого пикселя). Таким образом, каждый поступающий в DSP процессор кадр (фрейм) представляет собой последовательность из 900 байт данных."
пиксел это всеже цветность или интенсивность?
В программе много наворотов, а в устройстве CCD (ПЗС) их нет. Устройство принимает некоторое количество света (интенсивность) и превращает их в код, если прибор цветной – то одному пикселю соответствует 3 интенсивности основных цветов. (точка, жирная), интенсивность можно поднять оптикой, ослабить фильтром, ограничить диафрагмой - это железно. Программно: можно каждый канал умножить на пропорциональную константу (яркость), наложить цифровой фильтр (контрастность) , ослабить один канал или несколько (коррекция RGB). - очень упрощенно.
А теперь мой вопрос!!! И я требую ответа: я описал интенсивность – что такое цветность?
ЗЫ. у Вас вообще в школе была физика? а конкретно: призмой белый свет в радугу раскладывали?
цитата : "снимки поверхности (кадры) имеют разрешение 30х30 и представляют собой все ту же матрицу пикселей, цвет каждого из которых закодирован 8-ю битами, т.е. одним байтом (соответствует 256 градациям серого для каждого пикселя). Таким образом, каждый поступающий в DSP процессор кадр (фрейм) представляет собой последовательность из 900 байт данных."
пиксел это всеже цветность или интенсивность?
В программе много наворотов, а в устройстве CCD (ПЗС) их нет. Устройство принимает некоторое количество света (интенсивность) и превращает их в код, если прибор цветной – то одному пикселю соответствует 3 интенсивности основных цветов. (точка, жирная), интенсивность можно поднять оптикой, ослабить фильтром, ограничить диафрагмой - это железно. Программно: можно каждый канал умножить на пропорциональную константу (яркость), наложить цифровой фильтр (контрастность) , ослабить один канал или несколько (коррекция RGB). - очень упрощенно.
А теперь мой вопрос!!! И я требую ответа: я описал интенсивность – что такое цветность?
ЗЫ. у Вас вообще в школе была физика? а конкретно: призмой белый свет в радугу раскладывали?
отвечаю на ваш вопрос: Цветность - Элемент спецификации цвета, который не включает светимость (мощность света- мое дополнение как я понимаю слово светимость). Цветность – это двумерная величина, которая определяется парой чисел: доминирующей длинной волны и чистотой цвета.
Физика была как в школе, так и в институте, причем углубленая физика. Поэтому я придерживаюсь основ физики но верю не всему, что пытаются навязать как постулат. В оптике очень много белых пятен. Пол оптики основано на корпускулярной теории, пол оптики на волновой - т.е . оптика, операюсь на свой опыт это из разряда чародейства, это очень мнимая наука, хотя имеет свои законы и поддается математике.
многие вопросы по этой теме, которые мне интересны очень просты, но официальная наука их освещает либо однобоко, либо вообще ответа нет.
Касательно пиксела - откройте любой ролик на экране компьютера с мощным источником света - он вас ослепит, как если бы он стоял перед Вами? И какая точка (пиксел) больше передаст света? Поэтому я и утверждаю что матрица CCD (ПЗС) не дает представления об силе (мощности на площадь) света, а передает только цветность!
В споре раждается истина!
отвечаю на ваш вопрос: Цветность - Элемент спецификации цвета, который не включает светимость (мощность света- мое дополнение как я понимаю слово светимость). Цветность – это двумерная величина, которая определяется парой чисел: доминирующей длинной волны и чистотой цвета.
...
В споре раждается истина!
лирика... согласен, но добавлю, здесь все проще... и намного шире нужно смотреть на эти вещи так сказать со свех сторон...
по теме: нас интересует интеграл интенсивностей отрезка спектра т.к. пиксель (черно-белый для простоты) зарегистрирует этот интеграл как (среднюю) интенсивность - тут интегральная чувствительность прибора к спектру т.е. чистая характеристика прибора (рис 1 хоть с этого сайта). А узкую полосу мы можем получить только световым фильтром и снова зарегистрировать только ее интенсивность согласно чувствительности прибора к этой длине волны. Т.е. ПЗС матрица это куча фотоэлементов (на пример фоторезисторов). При этом цветная, еще и регистрирует интенсивности трех основных цветов и когда мы считываем данные с матрицы, мы читаем чистый код (набор цифр 0 и 1), а его очередь в потоке определяет его принадлежность к пикселю и цвету… в потоке нет другого указателя на цвет, кроме места в этом потоке!!! ЧБ матрица, как наш глаз ночью – измеряет интенсивность !!! есть свет – белое пятно, мало – серое, нет - черное… и в пределах измерения чувствительности ЧБ ПЗС мы получаем код (если 8 бит - то 255 порогов. 0- нет света, 255 – ослепили) и только зная свою ПЗС мы в программе реализуем картинку. Я не зря привел скрин из Paint там цифирками эти пороги подписаны и если все сделать 0 - черный , все 3 ргб по 255 - белый. поставите руками все 3 ргб в Paint по 255, а потом руками поменяете "яркость" на 100 к примеру и посмотрите, что стало с цветами :) - это изменилась их интенсивность!!! НО компьютер может еще умножить все цвета на коэффициент... а у экрана монитора есть лампа - которой плевать на цвет матрицы, это матрица задерживает (пропускает) участки спектра лампы и мы видим цветное изображение. По этому даже черный такой яркий :) т.к. пиксель просто ослабил в свою полную силу свет лампы НО не задержал его полностью - это удел контрастности нашего диплея... кажись все...наверное
вот видео обратного эффекта, просто наш глаз интегрирует сам энергию (интенсивность) RGB каналов светодиодов....
Цветность – это двумерная величина, которая определяется парой чисел: доминирующей длинной волны и чистотой цвета.
оЧиПятка?
или квантовая (энергия фотона) теория?
отвечаю на ваш вопрос: Цветность - Элемент спецификации цвета, который не включает светимость (мощность света- мое дополнение как я понимаю слово светимость). Цветность – это двумерная величина, которая определяется парой чисел: доминирующей длинной волны и чистотой цвета.
...
В споре раждается истина!
лирика... согласен, но добавлю, здесь все проще... и намного шире нужно смотреть на эти вещи так сказать со свех сторон...
по теме: нас интересует интеграл интенсивностей отрезка спектра т.к. пиксель (черно-белый для простоты) зарегистрирует этот интеграл как (среднюю) интенсивность - тут интегральная чувствительность прибора к спектру т.е. чистая характеристика прибора (рис 1 хоть с этого сайта). А узкую полосу мы можем получить только световым фильтром и снова зарегистрировать только ее интенсивность согласно чувствительности прибора к этой длине волны. Т.е. ПЗС матрица это куча фотоэлементов (на пример фоторезисторов). При этом цветная, еще и регистрирует интенсивности трех основных цветов и когда мы считываем данные с матрицы, мы читаем чистый код (набор цифр 0 и 1), а его очередь в потоке определяет его принадлежность к пикселю и цвету… в потоке нет другого указателя на цвет, кроме места в этом потоке!!! ЧБ матрица, как наш глаз ночью – измеряет интенсивность !!! есть свет – белое пятно, мало – серое, нет - черное… и в пределах измерения чувствительности ЧБ ПЗС мы получаем код (если 8 бит - то 255 порогов. 0- нет света, 255 – ослепили) и только зная свою ПЗС мы в программе реализуем картинку. Я не зря привел скрин из Paint там цифирками эти пороги подписаны и если все сделать 0 - черный , все 3 ргб по 255 - белый. поставите руками все 3 ргб в Paint по 255, а потом руками поменяете "яркость" на 100 к примеру и посмотрите, что стало с цветами :) - это изменилась их интенсивность!!! НО компьютер может еще умножить все цвета на коэффициент... а у экрана монитора есть лампа - которой плевать на цвет матрицы, это матрица задерживает (пропускает) участки спектра лампы и мы видим цветное изображение. По этому даже черный такой яркий :) т.к. пиксель просто ослабил в свою полную силу свет лампы НО не задержал его полностью - это удел контрастности нашего диплея... кажись все...наверное
Теория вещь изумительная, но где взять такую матрицу и как ей воспользоваться ?
это точно! в посте 76 я давал сылку, к сожалению у меня нет требуемого опыта, да и про мышь я тоже писал - но теперь вы хоть знаете что искать!!!!
1) ардуинка слаба тянуть весь кадр, можно "запоминать" каждый n-й пиксель из каждой i-й строки
2) записывать в массив - это получим результат
3) я уже забыл что нам делать с результатом... короче элементы массива и разных массивов это просто байты их можно сравнить, вычесть, сложить - все, что угодно.
4) попробуйте найти информацию по "OV7670 300KP VGA Camera Module for Arduino" или мышки и людей кто с этим связан... помнится у мышки разрешение 15х15 очень хорошо для тренировки - любая ПЗС будет отличаться технически, но не теоретически!
5) можно и дальше строить ПЗС из ФР - хорошая практика будет, можно параллельно работать
UPD. есть еще интересная вещь процессинг - можно нарисовать квадратики и они будут менять свой цвет от значения в массиве - очень медленно, но можно смотреть результат как в видеокамеру даже с ФР, вот это и мне под силу (с ФР),
UPD. это даже интересно - фото матрица на резисторах, можно начать с 4шт!!!!
Цветность - Элемент спецификации цвета, который не включает светимость (мощность света- мое дополнение как я понимаю слово светимость). Цветность – это двумерная величина, которая определяется парой чисел: доминирующей длинной волны и чистотой цвета.
Замечательно.
Только, говоря о цвете, не следует пуцтать физику и физиологию.
Трехмерное цветовое пространство - это следствие именно физиологии: у человеческого зрительного анализатора три типа цветочувствительных рецепторов.
Вы говорите об одномерной светимости и двумерной цветности - вместе они составляют трехмерное цветовое пространство HSV. Сигнал же приходит в пространстве RGB. Нужно просто преобразовать одно представление в другое. Т.е. RGB->HSV.
Нам даже не нужно полное HSV, достаточно лишь интенсивности, которая вычисляется по формуле:
V = 0.30*R + 0.59*G + 0.11*B
Нам даже не нужно полное HSV, достаточно лишь интенсивности, которая вычисляется по формуле:
V = 0.30*R + 0.59*G + 0.11*B
не согласен с константами - это для каких типов чувствительных элементов, там есть фильтр и т.д.? ТС этого пока не требуется - иначе он вообще запутается между высшей физикой и прикладной теорией
и, мне кажется, он уже нас покинул (сбежал)
Нам даже не нужно полное HSV, достаточно лишь интенсивности, которая вычисляется по формуле:
V = 0.30*R + 0.59*G + 0.11*B
не согласен с константами - это для каких типов чувствительных элементов, там есть фильтр и т.д.? ТС этого пока не требуется - иначе он вообще запутается между высшей физикой и прикладной теорией
и, мне кажется, он уже нас покинул (сбежал)
Мы с поля боя не бежим! своих не бросаем!)
с приходом темноты начинается самый процесс
провел большую работу
1) добрался до тестра снял характеристики с фоторезистров
Фоторезистры
вот как на картинке все имеют линейную характеристику, только с очень разными углами, при их производстве ни кто не заморачивался.
если концы всех графиков можно совместить подстроечным резистром, другие концы графика убегают кто куда
поясняю: при высоком уровне освещения настраиваю все фоторезисты на одно значение, уменьшаю уровень освещения начинается разбег в разные стороны, еще понижаю - еще сильнее разбег,очень линейно, но в разные стороны
затем нашел характеристики этих ФР с картинки,
о чем тут говорить, так +- 12 кОм
Ввывод: фоторезистры на картинки не пригодны для использования как элемент матрицы. Не делайте моих ошибок,покупайте качественые фоторезистры
2) математикой и физикой меня испугать трудно. Два года назад помогал профессору-интузиасту проверить некоторые его доводы.Работает он с мозгом человека. Нужно было построить модель зрения для студентов медиков
задача: обработка двух картинок одной поверхности сделаных с двух точек, угол известен, оптические оси пересекаются, фокусы одинаковые
среда програмирования Визуальный бейсик
результат был почти положительным.
цель профессорабыла достигнута, а я задумался о более другой сфере применения полученого мною опыта!
выводы которые я сделал когда беседовал с профессором:
а) в природе все гораздо проще, мозг по характеристикам в подметки даже Пентиуму 1 не годится, а у нас программа обработки двух картинок современую нафаршировоную машину заставляет задуматся.
б) программу пытался переделывать под свою задачу, но очень сильно чегото не хватало (сознание какой то "безжизнености" картинок -отсутствие параметра)
3) дозвонился до человека который занимается проектированием цифровых фото, видео устройств
(2часа международной связ жена повесит)
В краце что узнал:
все современые матрицы будь то ПЗС или КМОП ЭТО ПОЛНЫЙ АНАЛОГ ФОТОПЛЕНКИ, фотопленка не имеет ни какой информации об силе света
для регулировки силы света поподающего на матрицу стоит все тот же пресловутый фоторезистор, моножеством способов (электроными, механическими, оптическими) регулирует допустимую силу света
интересную мысль подкинул мне товарищ: соорудить ФРматрицу под линзой, и наложить данные С ПЗС на данные с ФР матрицы, только ПЗС матрица должна быть очень низкого разрешения с токой же линзой ( под линзой имею ввиду характеристики фокус, силу линзы)
Пока ПЗС матрица мне не доступна ( В физическом ее применении, у меня уже накопилась их колекция 4 разобраных мышки, 2 веб камеры, 1 фотоаппарат)
продолжу пока пытать ФР
ближайший план: закупить качественые ФР российского производства.
Очень интересно Ваше мнение по качественым ФР?
Буду рад любым обоснованным рекомендациям
ближайший план: закупить качественые ФР российского производства.
научный подход к решению проблемы - наступил на дешёвые китайские грабли и решил, что отечественные грабли не будут по лбу бить.
предварительно определиться с ТТХ датчиков - научный подход запрещает.
*достаточно пробежаться по инетам, что бы убедиться, что в РФ фоторезисторов нет, не было и не будет никогда.
Как вы смотрите на эту таблицу?
в отличие от китайских здесь есть характеристики
Фоторезистор
Размеры фоточувствительного элемента
Рабочее напряжение Uр, В, не более
Темновое сопротивление Rt, МОм, не менее
Темновой ток It, мкА, не более
Общий ток при Е=200лк, мА, не менее
Отношение темнового сопротивления к световому Rt/Rсв, отн.ед., не менее
Максимальная мощность излучения Pmax, мВт, не более
СФ2-5А
1×5,8
1,3
1
13
0,5
384
25
ФР-764
Ø5,8
50
3,3
10
1,5
150
125
ФР-765
Ø5,8
20
2
10
1
100
350
ФР1-3
1×5,8
15
0,047-0,33
-
-
-
6
ФР1-3, СФ2-5А
ФР-764, ФР-765
или такие?
Фоторезисторы (табл. 12.18 и 12.18а) используют в компенсационных стабилизаторах напряжения, для автоматической регулировки яркости в телевизорах, в автостопах для магнитофонов.
Таблица 12.18а. Полупроводниковые сернисто-свинцовые и селенисто-свинцовые фоторезисторы
Тип
Допускаемая мощность рассеяния, Вт
Рабочее напряжение, В
Темновое сопротивление, кОм
Rt/^св.
не менее
Относительное изменение СОт противления, %, не менее
Удельная чувствительность, мкА/(лм. В)
Постоянная времени; мкс
ФСА-І
0,01
2—100
22—1000
В 1,2
20
500
40—400
ФСА-1а
0,01
2—100
22—1000
1,2
20
500
40—400
ФСА-6
0,01
5—30
50—300
1,2
20
500
40—400
ФСА-Г1
0.01
4—40
47—470
1,2
20
500
40—400
ФСА-Г2
0,01
4—40
47—470
1,2
20
500
40-—400
СФ4-1
0,01
2—15
0,1—1000
- —- .
1,3
. , ГГ"
3-—20
Темновое сопротивление ||! Ц сопротивление фоторезистора при полной защите проводящего элемента от воздействия потока излучеіыя.
Кратность изменения сопротивления RT/RCb — отношение темпового сопротивления фоторезистора к его сопротивлению при освещенности 20 лк от источника излучения с цветовой-температурой 2856 К.
Темновой ток )§ Я ток, который протекает через фоторезистор, включенный в цепь с источником ЭДС при полной защите проводящего элемента от потока излучения.
Световой ток Щ— ток фоторезистора при рабочем напряжении и освещенности 200 лк от источника излучения с цветовой температурой 2850 К.
Фототок /ф — разность между световым и тем-* новым током фоторезистора.
Чувствительность фоторезистора — отношение фототока, определенного при освещенности 200 лк и соответствующем рабочем напряжении, к величине светового потока.
12.5 ФОТОЭЛЕМЕНТЫ
Фотоэлемент представляет собой двухэлек-тродкый электровакуумный прибор, служащий для преобразования световой энергии в электрическую. Под действием света, падающего на фотоэлектронный катод, нанесенный на внутреннюю поверхность стеклянного баллона (или на пластинку, закрепленную в определенном месте баллона). катод эмиттирует поток электронов.
Анодом служит проволочное кольцо (или пластинка из никеля), расположенное так, чтобы не мешать попаданию светового потока на катод.
В ионных фотоэлементах ( ЦГ-і||р^ЦГ-4) бал- • лоны заполнены разреженным газом.
Основные параметры фотоэлементов даны в табл. 12.19.
Таблица 12.19. Фотоэлементы
о
CQ
X
О g:
3 5 2 ||f 5 2 § f-о
л. a >»
• ■■■ eat, с*
Я ' о
о
CJ
*
о
о
е
g-*
Размер, мм, не более *
D
- ^ 7
СЦВ-З(С)
240(300)
N0
1 - иг*
26
62
СЦВ-4(С)
240(300)
125
1-Ю"7
39,5
129
СЦВ-51(С)
240(300)
80
1 *. J4J 8
30
63
Ф-І(С)
100(300)
70
1 - 1014
40
103
Ф-2(С)
100(300)
15
1 * 10 8
20
67
Продолжение
1
ИД!
ИШІ
5
6 I
Ф-4 (С)
30(300)
5 №31
42
1103 1
Ф-5(К)
30(300)
—
5- ТО”'1
37
ЮЗ І
Ф-6(В)
30(300)
40
1 • 10”2
33
76
Ф-7 (М)
100(300)
—
1 • 10”11
44,5
; 97-:- I
Ф-8(С)
150(300)
80
1 • 10”®
26
62Ш
Ф-ІО(Г)
• 100(300)
80
1 1 10”'2
72
100
Ф-13(Г)
100(300)
40
Mel
40
; ШИ
Ф-І6(Щ)
100
і оо ;
ІщіО”19
. 55
80
ЦГ-І(К)
240(300)
> 75
1 « І0“7
56
131
ЦГ-З(К)
240(240)
100
1 • 10”7
27
62, I
ЦГ-4(Ю
240(300)
100
і. ІИ1
... 39,5.
129 .
Ф-21 (К)
100(2000)
8,0
3 • 10”'°
41
36 !
Ф-22(СКН)
100(300)
50
1-Ю 13
45
■ 6'7'Л
Ф-23(К)
100(300)
10 '
5-Ю”"
42
48
* Сокращенные обозначения материалов 'фотокатодов: В — висмуто-серебряно-цезиевый; Г —сурьмяно-галлиево-на-трнево-цезиевый; К — кислородно-серебряно-цезиевый; М — магниевый; С — сурьмяно-цезиевый; Щ—мульти щелочной; СКН — сурьмяно-калиево-натриево-цезиевый.
*:* Без скобок указано номинальное напряжение питания, в скобках—г максимально допускаемое напряжение.
Как вы смотрите на эту таблицу?
в отличие от китайских здесь есть характеристики
на таблицу смотрю с восхищением: неделю придётся выбирать из громадного ассортимента аж из четырёх позиций.
кто тебе сказал, что у китайских фоторезисторов нет паспортных характеристик? - то, что тебе через десятые руки их впарили без сопроводительной документации, ни о чём не говорит.
*тебе нужно ориентироваться на качественные импортные фоторезисторы, применяемые в оптике.
рой англоязычный гугл на эту тему.
вот разогнались, не остановить.... :) сперва нужно выбрать материалы для фоточувствительного элемента для своей задачи, потом можно поискать фотоприемники на основе этого материала (Клапауций 001 прав, нужно гуглить не в России).
характеристики в табличках интересные - могу сам такие настряпать :) . особенно первая, если выкинуть первый столбец с размерами (он отвечает за Постоянную времени; мкс - в другой табличке явно сказан этот параметр) - остальное нас даже очень интересует,
теперь вопрос: а что нам нужно? сила света и время регистрации (Постоянная времени; мкс), длина волны - это вроде все параметры исследуемого явления? какие они?
по поводу разброса параметров - изделие штучное, можно и нормировать показания индивидуально.
по поводу матрицы из мыши - там сложность с фокусировкой пучка до размера фоточувствительного элемента матрицы или в подключении?
мне, вообще, кажется, что ТС нужен фотодиод, а не фоторезистор.
Фотодиоды представляют собой полупроводниковые приборы, которые создают ток или напряжении при освещении их светом. У них отсутствует внутренний коэффициент усиления, но они могут работать при существенно больших значениях уровня освещенности, чем другие детекторы. Кремниевые фотодиоды применяются в точной фотометрии, медицине, аналитическом приборостроении и в промышленных применениях.
сумашедший ассортимент - тут можно посмотреть документацию
http://www.hamamatsu.com/us/en/index.html
http://www.yeint.ru/suppliers/hamamatsu/pdf/fotodiody.pdf
Давайте разбеоемся что пошло не так:
Извеняюсь Фр1 После Фр3 - это Фр4
Фр 1 имеет характеристику параллерную Фр 4. ее можно без проблем подтянуть подстроечным резистром, что я и сделал. два Фоторезистра работают как часики
фр 2 и фр 3 я подтянул при определеном уровне освещености , при изменении освещености ФР2 И фР 3 ПРОВАЛИВАЮТСЯ относительно Фр 1 и Фр 4 которые всегда показывают равные значения
при возврате к уровню освещености на котором производилась настройка подстроечным резистором Фр1=Фр2=Фр3=Фр4
что нужно получить от новых фоторезистров
чтобы характеристики не то чтобы совпадали (эту задачу решаем подстройкой) а имели полную параллельность
Тогда дальнейший эксперимент пойдет успешно.
В той красивой таблице и в датешите на импортные аналоги ничего не сказано про то свойство которое нам нужно
соответствено я сделал вывод что нужны фоторезистры хотя бы одной парти
У меня была возможность попросить человека заехать в Чип и Дип, и предется решаться на что то когда он будет там
Думал о фотодиодах и фототранзисторах, меня пугает только то что я не знаю как подключить их к Ардуине
меня пугает только то что я не знаю как подключить их к Ардуине
это аргументированная причина.
всего то достаточно в инетах посмотреть, чем человечество меряет параметры освещённости/света/etc, что бы не городить велосипед из гавна и палок
меня пугает только то что я не знаю как подключить их к Ардуине
это аргументированная причина.
всего то достаточно в инетах посмотреть, чем человечество меряет параметры освещённости/света/etc, что бы не городить велосипед из гавна и палок
ТС русским языком пишет - в электронике не силен.. позже будет время - посоветую чего... сейчас некогда
ТС русским языком пишет - в электронике не силен.
нуу, пусть идёт апендициты режет или песни поёт, нахрена он занимается тем, в чём не силён русским языком?