Поочерёдное мигание диодов

mmaerov
Offline
Зарегистрирован: 06.04.2017

Привет,

есть желание управлять миганием некоторого количества светодиодов, это будут диоды smd 5050. Стоять будут на коптере, четыре справа, зелёных и слева, четыре красных. Порядок таков: мигает правая сторона, проходит секунда, мигает левая сторона, секунда паузы. И так в цикле. Диоды есть, ардуина нано. монтажная плата тоже есть. Как это сделать, что ещё необходимо? Диоды могут подключаться прямо к выводам ардуины, или нет?

ua6em
ua6em аватар
Offline
Зарегистрирован: 17.08.2016

По пол ватта на цвет, напрямую низзя, код простой, три строки буквально выходит


byte gr_pin = 8;
byte red_pin=10;

void setup() {

  pinMode(gr_pin, OUTPUT);
  pinMode(red_pin, OUTPUT);
}


void loop() {
  digitalWrite(gr_pin, HIGH); 
  delay(1000);                     
  digitalWrite(gr_pin, LOW);
  digitalWrite(red_pin, HIGH); 
  delay(1000);   
  digitalWrite(red_pin, LOW);    
  delay(1000);                 
}

 

mmaerov
Offline
Зарегистрирован: 06.04.2017

Спасибо за ответ,

меня так же интересует, что и куда подключать на плате, ибо не владею знаниями. Если не сложно, подскажите пожалуйста.

Jeka_M
Jeka_M аватар
Offline
Зарегистрирован: 06.07.2014

Светодиоды подключать катодом к минусу, анодом через резистор 200 - 300 Ом на любой цифровой пин ардуины. В скетче правильно указать номера пинов.

ua6em
ua6em аватар
Offline
Зарегистрирован: 17.08.2016

Jeka_M пишет:

Светодиоды подключать катодом к минусу, анодом через резистор 200 - 300 Ом на любой цифровой пин ардуины. В скетче правильно указать номера пинов.

там каждый светодиод по 90 милливатт, если напряжение 2 вольта, то ток на диод 45 ма, больше чем допустимо на пин, так что через транзистор с током 0,5 - 1 А надо зажигать или ток уменьшить миллиампер до 30 на диод. тогда можно по 4 пина под каждый цвет задействовать и транзистор не понадобится

ЕвгенийП
ЕвгенийП аватар
Offline
Зарегистрирован: 25.05.2015

Jeka_M пишет:

Светодиоды подключать катодом к минусу, анодом через резистор 200 - 300 Ом

А они разве не 60 mA? У меня как-то были 5050 - именно такие - 60 mA

mmaerov
Offline
Зарегистрирован: 06.04.2017

ЕвгенийП пишет:

Jeka_M пишет:

Светодиоды подключать катодом к минусу, анодом через резистор 200 - 300 Ом

А они разве не 60 mA? У меня как-то были 5050 - именно такие - 60 mA

У меня тоже такая инфа, 60 ma

Jeka_M
Jeka_M аватар
Offline
Зарегистрирован: 06.07.2014

Да, точно, моя ошибка. На типоразмер не обратил внимания. 

ua6em
ua6em аватар
Offline
Зарегистрирован: 17.08.2016

А вот если поставить по три светодиода то лап процессора хватает запитать напрямую, по две лапы на один диод через уравнивающие резисторы, на каждую лапу свой, общий ток тоже не превысим - 180ма )))

mmaerov
Offline
Зарегистрирован: 06.04.2017

ua6em пишет:

А вот если поставить по три светодиода то лап процессора хватает запитать напрямую, по две лапы на один диод через уравнивающие резисторы, на каждую лапу свой, общий ток тоже не превысим - 180ма )))

Не хочу показаться нахалом, но не могли бы вы схему привести. У меня опыта маловато, что бы вас понять.

arcon73
Offline
Зарегистрирован: 06.04.2017

Эм.... Мне кажется ua6em имел ввиду так если по 2 лапы....
40*2-60

 

mmaerov
Offline
Зарегистрирован: 06.04.2017

arcon73 пишет:

Эм.... Мне кажется ua6em имел ввиду так если по 2 лапы....
40*2-60

С диодами 5050 можно эту схему использовать? Говорили, на другом форуме, мосфеты нужны. Резисторы 300 КоМ?

Я уже запутался, чуть более, чем полностью. Значит скоро будет найденно решение.

ua6em
ua6em аватар
Offline
Зарегистрирован: 17.08.2016

arcon73 пишет:

Эм.... Мне кажется ua6em имел ввиду так если по 2 лапы....
40*2-60

 

Почти так, только светодиодов оставить по 3 штуки иначе превышаем общий ток ардуины, он 200ма
Резистор подобрать по току должен быть 30ма с одного выхода, 300 ом это ориентировочно 10миллиампер, приблизительно должен быть 120-130 ом, диодов таких в глаза не видел, так что более точно не подскажу\

Да, кстати, для экономии энергии включите по два диода последовательно, тогда и ног всего 8 потребуется и в тепло на резисторе меньше переводить, резисторы по 30-40 ом, на каждую лапу свой резистор и все четыре на цвет диода в деле

Гриша
Offline
Зарегистрирован: 27.04.2014

mmaerov пишет:

 Стоять будут на коптере...

Чего-то про питание никто не спросил, какой диапазон напряжений питания?  ВЕС нормальный для коптера? если питания хватает, можно биполярники воткнуть как эмиттерный повторитель...

можно просто корпус (на пример)  на 1МГц без обвеса повешать. можно реализовать быстрое поочередное переключение (меандр) для уменьшения нагрузки на корпус. Стр 365... вариантов вагон с прицепом и все доступны начинающему, абы руки росли из плеч и голова на плечах была.

Гриша
Offline
Зарегистрирован: 27.04.2014

ua6em пишет:

Резистор подобрать по току должен быть 30ма с одного выхода, 300 ом это ориентировочно 10миллиампер, приблизительно должен быть 120-130 ом,...

но ведь можно и точнее!!! Закон Ома в помощь. Вот только напряжение у нас пока не известно...

ua6em
ua6em аватар
Offline
Зарегистрирован: 17.08.2016

О треугольнике ВОЛЬТА-АМПЕРА-ОМА я в курсе )))

Гриша
Offline
Зарегистрирован: 27.04.2014

ua6em пишет:

О треугольнике ВОЛЬТА-АМПЕРА-ОМА я в курсе )))

Я рад, тут многие первый раз о нем узнают (я не шучу). Как на счет остального? Какое питание (диапазон напряжений)?  

Logik
Offline
Зарегистрирован: 05.08.2014

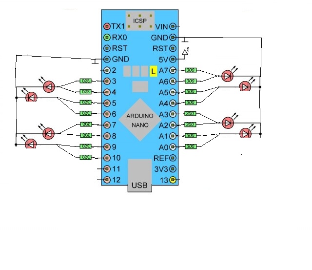
С выводов А6 и А7 нагрузку поснимайте, там нет цыфрового вывода, только аналоговый ввод (за исключением какогото редкого китайского клона). Из за различия в напряжениях на диодах номиналы токоограничивающих резисторов будут разные для разных цветов. Задавать ток через светодиоды  равный номинальному совсем не обязательно, на токе в половину они светятся очень достойно.

Вобще для правильного решения задачи надо знать схему энергоснабжения аппарата, от чего например ардуина запитана? А то по схеме из #12еще и стабилизатор ардуиновский можна перегрузить.

mmaerov
Offline
Зарегистрирован: 06.04.2017

Гриша пишет:

ua6em пишет:

О треугольнике ВОЛЬТА-АМПЕРА-ОМА я в курсе )))

Я рад, тут многие первый раз о нем узнают (я не шучу). Как на счет остального? Какое питание (диапазон напряжений)?  

Могу дать питание 5 или 12 в.

ua6em
ua6em аватар
Offline
Зарегистрирован: 17.08.2016

Включите два зелёных диода последовательно через резистор 30-51 ом к выводам ардуины +5V и GND и померяйте на них напряжение, будет понятно далее что посоветовать

mmaerov
Offline
Зарегистрирован: 06.04.2017

ua6em пишет:

Включите два зелёных диода последовательно через резистор 30-51 ом к выводам ардуины +5V и GND и померяйте на них напряжение, будет понятно далее что посоветовать

По результатам отпишу.

andriano
andriano аватар
Offline
Зарегистрирован: 20.06.2015

arcon73 пишет:

Эм.... Мне кажется ua6em имел ввиду так если по 2 лапы....
40*2-60

 

Подключать светодиоды к А6-А7 - это круто!

ua6em
ua6em аватар
Offline
Зарегистрирован: 17.08.2016

andriano пишет:

Подключать светодиоды к А6-А7 - это круто!

LOGIK на эту тему уже комментировал

Logik
Offline
Зарегистрирован: 05.08.2014

Вобщем конкурирующие варианты для одного цвета:

1. +12В цепочка из 4-х СИД резистор и ключь npn, ток любой, падение на диодах до 2,5В (ну 2,75 при стабильных 12В )

2. +5В 2 цепочка из 2-х СИД резистор каждая на два вывод, ток до 40мА, падение на диодах до 2,25

3. +5В 2 цепочка из 2-х СИД резистор каждая на свой вывод, ток до 20мА, падение на диодах до 2,25

4. +5В один СИД на два вывода, ток до 40мА

5. +5В один СИД на вывода, ток до 20мА

6. +12В две цепочки из 2-х СИД резистор и ключь npn, ток любой, падение на диодах любое
 
Для красного и зеленого возможны разные из списка.
Очевидно, обмерив светодиоды и определившись с достаточной яркостю и следовательно током делается выбор.

 

ЕвгенийП
ЕвгенийП аватар
Offline
Зарегистрирован: 25.05.2015

Ну, сделайте уже что-нибудь-то!

Ребята, ну, правда, в последние дни просто наваждение какое-то, одному пинов 5В и Gnd не хаватает, другой светодиоды подключить не может.

Нет, правда, пора заводить раздел "Детский сад".

ua6em
ua6em аватар
Offline
Зарегистрирован: 17.08.2016

ЕвгенийП пишет:

Ну, сделайте уже что-нибудь-то!

Ребята, ну, правда, в последние дни просто наваждение какое-то, одному пинов 5В и Gnd не хаватает, другой светодиоды подключить не может.

Нет, правда, пора заводить раздел "Детский сад".

"Ясли", я требую включить в голосование "Ясли"!!!

А что еще обсуждать? Присланный мне китайцами двухканальный, а по факту "двухлучевой" осциллограф, имеющий граничную частоту в 20 мегагерц  и не показывающий правильно даже меандр 1 килогерц:

Logik
Offline
Зарегистрирован: 05.08.2014

Нормальный такой китайский меандр на все заплаченые бабки ))) Может щуп и кабель поменять.

ua6em
ua6em аватар
Offline
Зарегистрирован: 17.08.2016

Logik пишет:

Нормальный такой китайский меандр на все заплаченые бабки ))) Может щуп и кабель поменять.

в очередной раз удивили - сначала dimax угадав что чип перевернули при пайке теперь вы - сказывается большой опыт общения с китайскими производителями?

Logik
Offline
Зарегистрирован: 05.08.2014

Значить таки есть польза от форума ))

С подобными проблемами  со щупами я сталкивался еще на советских осцилографах, такое искажение весьма характерно для хреновых несогласованых длинных линий. А за отсутствием длинной линии остается вариант -  несогласованый  кабель.

ua6em
ua6em аватар
Offline
Зарегистрирован: 17.08.2016

Logik пишет:

Значить таки есть польза от форума ))

С подобными проблемами  со щупами я сталкивался еще на советских осцилографах, такое искажение весьма характерно для хреновых несогласованых длинных линий. А за отсутствием длинной линии остается вариант -  несогласованый  кабель.

Мне за 40 лет ни разу не попался кривой советский кабель )))
Сказалось отсутствие опыта

Гриша
Offline
Зарегистрирован: 27.04.2014

mmaerov пишет:

Могу дать питание 5 или 12 в.

Господа, нет рисовалки на компе, может кто нарисует - транзистор npn,  в базу с ноги МК 500 Ом - 1к сопрот, эмиттер на землю, в коллектор два диода и сопрот 200 Ом все последовательно .  Нагрузку к 12В. 4 канала.

????

Logik
Offline
Зарегистрирован: 05.08.2014

e697a6fb97a34857aa6cb48fe3c25a22.png

пользуйтесь поиском картинок в гугле, там пошти все есть.

Гриша
Offline
Зарегистрирован: 27.04.2014

Logik пишет:

пользуйтесь поиском картинок в гугле, там пошти все есть.

 :)))))))))))))) там гора мусора, но есть и брюлики в том хламе :)))))))))))

Гриша
Offline
Зарегистрирован: 27.04.2014

Rг = 200 Ом (не меньше, определит по яркости)

3к - многовато => 1к лучше

Logik
Offline
Зарегистрирован: 05.08.2014

Гриша пишет:

3к - многовато => 1к лучше

Та ладно. Сча такие коэффициенты у транзиков, что и с  10к будет нормально открыватся.

Гриша
Offline
Зарегистрирован: 27.04.2014

Logik пишет:

 Та ладно. Сча такие коэффициенты у транзиков, что и с  10к будет нормально открыватся.

знаю, что и по 800 есть, а какие ТС возьметь - эт отдельный вопрос и он его еще не задал :))))) да меньше 1ма на управление... лом надежнее :))))))))))))

mmaerov
Offline
Зарегистрирован: 06.04.2017

ua6em пишет:

Включите два зелёных диода последовательно через резистор 30-51 ом к выводам ардуины +5V и GND и померяйте на них напряжение, будет понятно далее что посоветовать

После пайки диоды перестали гореть. Паяльник 25 w, очень долго не держал. Видимо пайка smd не для меня. Попробую сделать это снова, но, это уже завтра, т.к. более их не осталось.

Logik
Offline
Зарегистрирован: 05.08.2014

Все мужики, расходимся....

ЕвгенийП
ЕвгенийП аватар
Offline
Зарегистрирован: 25.05.2015

Logik пишет:

Все мужики, расходимся....

Блин, а я только пришёл :(

mmaerov
Offline
Зарегистрирован: 06.04.2017

Ещё,я считал что катод, там где срез, у этих наоборот, странно.

mmaerov
Offline
Зарегистрирован: 06.04.2017

Logik пишет:

Все мужики, расходимся....

Это хорошо, что вам весело)

ua6em
ua6em аватар
Offline
Зарегистрирован: 17.08.2016

mmaerov пишет:

ua6em пишет:

Включите два зелёных диода последовательно через резистор 30-51 ом к выводам ардуины +5V и GND и померяйте на них напряжение, будет понятно далее что посоветовать

После пайки диоды перестали гореть. Паяльник 25 w, очень долго не держал. Видимо пайка smd не для меня. Попробую сделать это снова, но, это уже завтра, т.к. более их не осталось.

совсем не обязательно, что сжёг, может у них напряжение выше 2.5 вольта, то да от 5 вольт гореть не будут, пробуйте от 12 через сопротивление не менее 200 ом

mmaerov
Offline
Зарегистрирован: 06.04.2017

ua6em пишет:

совсем не обязательно, что сжёг, может у них напряжение выше 2.5 вольта, то да от 5 вольт гореть не будут, пробуйте от 12 через сопротивление не менее 200 ом

Я их выкинул уже, уж очень плохо они выглядели. И скорее всё таки сжёг, пробовал припаять те же smd5050, только красные, не канифолью, а её спиртовым раствором, получилось намного чище, и спалил по одному из трёх кристаллов, видимо надо ещё быстрее это делать. Остальные горят. Завтра куплю побольше, буду тренироваться. И потом, 12в есть на коптере, на монтажной плате пока нет.

Logik
Offline
Зарегистрирован: 05.08.2014

проще коротнуть один из них пинцетом для проверки..

Но написано  сжег, значить сжег. Хотя какая впринципе разница, днем раньше днем позже, исход тут предопределен;)

А квадрик жалко будет.. Может вам, mmaerov, с чего попросче начать. Квадрик целей будет.

ua6em
ua6em аватар
Offline
Зарегистрирован: 17.08.2016

mmaerov пишет:

ua6em пишет:

совсем не обязательно, что сжёг, может у них напряжение выше 2.5 вольта, то да от 5 вольт гореть не будут, пробуйте от 12 через сопротивление не менее 200 ом

Я их выкинул уже, уж очень плохо они выглядели. И скорее всё таки сжёг, пробовал припаять те же smd5050, только красные, не канифолью, а её спиртовым раствором, получилось намного чище, и спалил по одному из трёх кристаллов, видимо надо ещё быстрее это делать. Остальные горят. Завтра куплю побольше, буду тренироваться. И потом, 12в есть на коптере, на монтажной плате пока нет.

тогда зажечь один и померять напряжение на нём

mmaerov
Offline
Зарегистрирован: 06.04.2017

Logik пишет:

проще коротнуть один из них пинцетом для проверки..

Но написано  сжег, значить сжег. Хотя какая впринципе разница, днем раньше днем позже, исход тут предопределен;)

А квадрик жалко будет.. Может вам, mmaerov, с чего попросче начать. Квадрик целей будет.

Я не знаю схемотехники, и ещё наверное много чего, но, я не идиот. Коптер успешно летает. Речь здесь идёт только о подсветке, для определения его положения в воздухе.

mmaerov
Offline
Зарегистрирован: 06.04.2017

ua6em пишет:

тогда зажечь один и померять напряжение на нём

Один кристалл?

В живых остались только красные светодиоды, по два кристалла в каждом, могу померять на них.

Logik
Offline
Зарегистрирован: 05.08.2014

mmaerov пишет:

Я не знаю схемотехники, и ещё наверное много чего, но, я не идиот. Коптер успешно летает. Речь здесь идёт только о подсветке, для определения его положения в воздухе.

О жеж летает пока Вы к нему не припаяли ;)

У меня тут китайские лампы с 5050 частенько дохли, так я от скуки их реанимировал - перепаивал светодиоды из совсем мертвой в чутьживую вместо старых почерневших. Выпаивать их - то удовольствие. Они к теплоотводу паяны. Разваливались иногда, но если выпаялся целиком, то он жив и светит.

Я не знаю шо с ним нужно делать шоб убить при запайке. Разбирайтесь с паялом, припоем, флюсом и пр. но все это очень плохо, вам не стоит лезть к рабочему и летающему. Пока не освоитесь. 

Грузите сюда фото, видео, слайды и натюрморты. Шото с чемто не то. Это крайняя лажа если СИД горят от запайки. 

arcon73
Offline
Зарегистрирован: 06.04.2017

ua6em пишет:

совсем не обязательно, что сжёг, может у них напряжение выше 2.5 вольта, то да от 5 вольт гореть не будут, пробуйте от 12 через сопротивление не менее 200 ом

Эм....а точно не менее 200 ? чтот как то сомнительно но интересно...

mmaerov
Offline
Зарегистрирован: 06.04.2017

arcon73 пишет:

ua6em пишет:

совсем не обязательно, что сжёг, может у них напряжение выше 2.5 вольта, то да от 5 вольт гореть не будут, пробуйте от 12 через сопротивление не менее 200 ом

Эм....а точно не менее 200 ? чтот как то сомнительно но интересно...

Нет, 40 ом, когда покупал, ошибся. Завтра будут 200ом.

Гриша
Offline
Зарегистрирован: 27.04.2014

arcon73, пост48 - и каким током с такой схемой вы диоды кормите??? в кормусе 5050 ТРИ диода, параллелить их без сопротивлений крайне нежелательно. По вашей схеме 12В - U(диод) - 0,7 =(примерно) 8В ....   8/30=266 мА  

смотрим, читаем тут. наш рисунок 7