Подключение нескольких модулей к контроллеру

Demo65
Offline
Зарегистрирован: 19.02.2017

Здравствуйте. Собственно возник вопрос по подключению модулей в одну схему. Сам с этими модулями дело только раз имел и только раз собирал на них схему. А теперь встал в тупик.
Надо собрать схему: модуль BMP085 - преобразователь уровня - часы - контроллер. Нарисовал схему включения, но нужен ваш совет, правильно ли я понял и нарисовал схему включения?

Demo65
Offline
Зарегистрирован: 19.02.2017

evgta
Offline
Зарегистрирован: 02.09.2016

будем считать что правильно!

Demo65
Offline
Зарегистрирован: 19.02.2017

Извините, я картинку не могу вставить в сообщение.

bwn
Offline
Зарегистрирован: 25.08.2014

Хорошая схема получилась.))))

bwn
Offline
Зарегистрирован: 25.08.2014

Demo65 пишет:

Извините, я картинку не могу вставить в сообщение.

Победа здесь.

Demo65
Offline
Зарегистрирован: 19.02.2017

Спасибо! вставил картинку.

ЕвгенийП
ЕвгенийП аватар
Offline
Зарегистрирован: 25.05.2015

bwn пишет:

Хорошая схема получилась.))))

Вот здесь на эту тему тоже неплохая картинка :)))

Demo65
Offline
Зарегистрирован: 19.02.2017

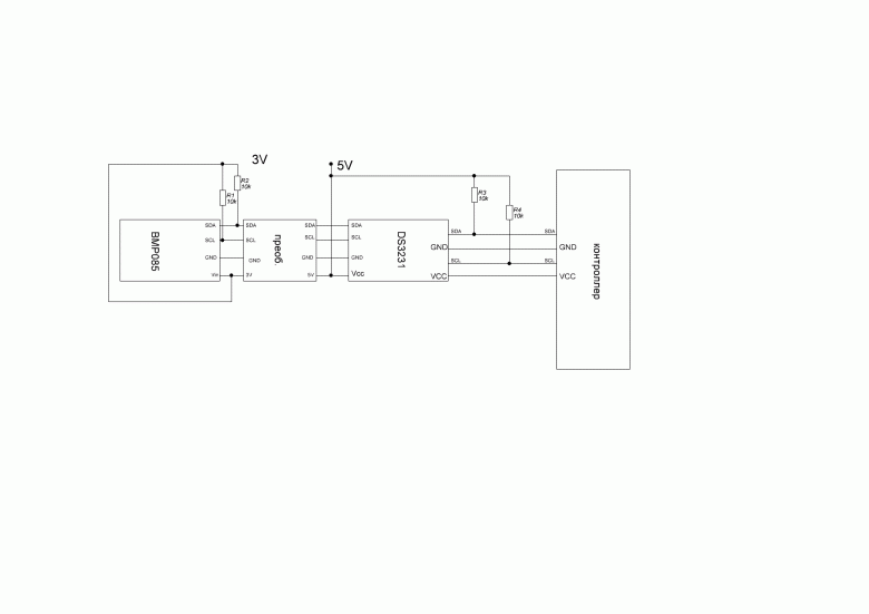
впечатляет. но картинку я заменил на более просматриеваемую. И ожидаю вашего комментария. Мне это нужно и не раз потребуется.

bwn
Offline
Зарегистрирован: 25.08.2014

Demo65 пишет:

Спасибо! вставил картинку.

Хосподи, сплошные Пикассо. Электросхемы выглядят иначе. SDA к SDA, SCL к SCL. К низковольтному через преобразователь.

Demo65
Offline
Зарегистрирован: 19.02.2017

[/quote]

Хосподи, сплошные Пикассо. Электросхемы выглядят иначе. SDA к SDA, SCL к SCL. К низковольтному через преобразователь.

[/quote]

Спасибо. Это понятно мне, преобразователь ставится так как я нарисовал? Поймите, я с модулями только раз имел дело. Будьте терпеливы пожалуйста.

bwn
Offline
Зарегистрирован: 25.08.2014

Вроде все верно, по крайней мере точно не сгорит. Питание 3,3 откуда берется? Или на самом модуле стабилизатор есть?

Demo65
Offline
Зарегистрирован: 19.02.2017

да, на модуле стоит стабилизатор +5 в +3 .

bwn
Offline
Зарегистрирован: 25.08.2014

Тогда нормально должно быть.

Demo65
Offline
Зарегистрирован: 19.02.2017

Спасибо! немного запутался из-за того, что шины SDA, SCL  дублируются по обеим сторонам плат и я немного завис от этого - вдруг не правильно я сделаю.

bwn
Offline
Зарегистрирован: 25.08.2014

По логике должно быть так. Где 3,3 к низковольной, где 5 к МК.

Demo65
Offline
Зарегистрирован: 19.02.2017

по сути вот схема, только тут часы на DS1307. Преобразователь на плате такой же как на этой схеме.

 

bwn
Offline
Зарегистрирован: 25.08.2014

Все верно, ключи и с двух сторон подтяжка к Vпит.

Demo65
Offline
Зарегистрирован: 19.02.2017

а на часы такая же подтяжка с 5ти вольт. На схеме немного резисторы подтяжки видно .