arduino relay и плавное включение
- Войдите на сайт для отправки комментариев
Пнд, 02/09/2013 - 20:16
Около полугода назад уже поднимал подобную тему. Но хочется в ней разобраться подробней. Arduino через вот такое Relay

Включает led лампочьки, их потребление около 4wat. Вопрос, есть какой-то простой способ заставить плавно включать led?
транзистор
и тоже не раз уже здесь обсуждалось какой и как его подключать:
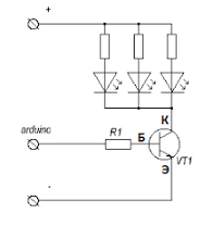
Так, хорошо. Вот схема.
Поправьте пожалуйста если я ее не так понимаю. R1 Б,К,Э VT1 - это все и есть мое купленное реле. Далее к проводу который он соединяет и разеденяет нужно подсоеденить 3 резистора KT630E, и какие-то транзисторы, вопрос какие?
VT1 это транзистрор, а не реле.
Б, К, Э - База, Коллектор, Эмиттер.
Сложно. Значит не дорос еще. Через пол годика снова вернусь к вопросу. :) Спасибо.
Сложно. Значит не дорос еще. Через пол годика снова вернусь к вопросу. :) Спасибо.
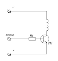
Разница в том, что реле - пороговое устройство и может находиться только в одном из двух крайних положений: открыто и закрыто. Транзистор же, может открываться и закрываться плавно.